历史上的今天
今天是:2024年09月15日(星期日)
2020年09月15日 | 基于ARM单片机的高精度电子秤设计与实现
2020-09-15 来源:elecfans
1、系统框图简介
当秤盘上放入被秤物体后,电阻应变片受重力的影响产生形变,电阻值发生变化。应变片搭建的桥式电路会输出微弱的电压信号,微弱电压信号由HX711内部集成放大器放大后经过内部ADC进行采样转换后送到到MCU,接收到的数据信息经过线性拟合处理后送到LCD液晶显示。系统能完成称重、设置单价计算金额及金额累加、去皮及去皮范围限制等基本功能,还能实现时间、温度、报警、二维码支付等扩展功能。系统总体框图如图1所示。

图1:系统总体框图
2、理论分析与计算
2.1、电桥驱动电路分析

图2:差动全桥测量电路
如图2所示当被测负载作用在弹性臂梁上使其发生弹性形变;通过粘性物质使粘贴在感压装置上的电阻应变片发生形变,从而转化成应变片的阻值大小变化;差动电路将电阻应变片的阻值变化,转化为与负载成正比的电信号输出。其输出的电压为:

由公式1可知,理论上测量电路采用差动全桥测量,输出电压信号与电阻形变阻值大小成线性关系。国家标准的应变片阻值为60、120、200、350、500、1000Ω。鉴于大电阻小电流,持续运行周期长,信噪比高的情况,因此本系统采用阻值为1KΩ的电阻应变片。
2.2、模数(A/D)转换器分析
HX711为称重传感器提供一个激励电压,有重物加载到称重传感器上时,它输出一个比较小的电压信号;其在接收到这个电压信号后,对信号进行放大,然后进行A/D转换,直接变换成数字信号输出给外部设备。
2.3、数据处理分析
由于温差、冲击力、浮尘等因素的影响,传感器承受载荷与其输出电压之间并非都成线性关系。加上ADC的线性度不够理想,使小称量和大称量区间的线性斜率不一样。这两种情况都会使称量线性度发生变化,造成某些点的称量误差较大。采用分段校准测量值和分段计算测量值,可有效的减小测量值的相对误差。
为了提高精度与稳定性本系统采用了数字滤波。其可以对频率很低的信号进行滤波,这是模拟滤波器做不到的;数字滤波是用软件算法实现的有效降低了成本。数字滤波可通过改变自身滤波参数对其进行滤波。这对于低频、脉冲干扰、随机噪声等别有效。
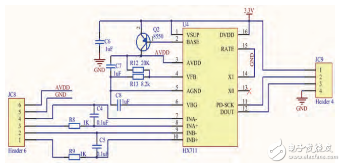
3、硬件设计
如图3所示为电子秤专用24位模拟/数字(A/D)转换模块电路图。其内部集成低噪声可编程放大器可对电阻应变片产生的微弱信号进行放大后进行模数转换,片内自带稳压电路、时钟振荡器和部分外围电路,具有集成度高、响应快、抗干扰强等优点,减少了外围放大电路的成本和干扰。

图3:模/数(A/D)转换电路原理图
TM4C123GH6PZ:采用ARMCortex-M4架构,集成了32位可进行FPU运算的浮点单元处理器,内部Flash为256KB的内存,其时钟最高可达到80MHZ,含有丰富的外围接口,如图4所示。

图4:TM4C123最小系统原理图
4、软件设计
上电后初始化核心控制器及其外围模块,通过按键选择LCD菜单选择;通过确定键进入不同功能的二级菜单,可以实现称重、设置单价计算金额、设置单价及金额累加、去皮、时间及温度等功能。普通称重流程就是读取ADC数据进过数据拟合处理后送到LCD液晶显示。设置单价计算金额功能流程就是在普通称重的基础上再通过按键输入单价,金额=单价×重量,计算后送LCD液晶显示,如需扫码付款,按支付键后扫描码可。设置单价及金额累加就是在设置单价计算金额功能的基础上累加金额即可。去皮功能流程就是先放入需要去掉皮重的物品,判断皮重物品的重量是否超过100g,超过则报警,没超过就保存重量,再放入物品,由最后的重量减去皮重即可系统主程序设计流程图如图5所示。

图5:主程序流程图
5、实物制作与系统测试
实物制作如图6所示。表1为称重误差测试表,通过表中误差数据可以看出重量《75g,误差在0.2g以内。注:由于电子分析天平是精密仪器,表格中空白处砝码重量过大,无法测量。

图6:实物制作图
表1:称重误差测试

6、结论
系统支架选用铁选用铁质悬梁臂,系统硬件设计由大阻值应变片搭成差动桥式测量电路,抗干扰能力及稳定性比较强。选用24位高精度ADC,对测量的精度有很大的提高,由于应变片的安装及整体机械架构的组建比较合理,该电子秤称重范围在0.2g至1000g;被称物质量体低于200g时,误差低于0.2g;称重物体高于200g时,误差低于0.4g。其它设置单价、金额及金额累加、去皮等功能增添了该系统的实用性,切合实际需求。该系统具有体积小、精确度高、性能稳定、成本低等特点。
史海拾趣
|
avr中的twi协议有误么?? 在主机接收模式的状态码里:的0x40 .。 No TWDR action or No TWDR action 我认为应该是 Read data byte or Read data byte。。 这个时候是来了一个ack信号,但是紧接着来了个8个字节的数据在twdr中 ...… 查看全部问答> |
|
刚涉足嵌入式,老大给了我一份MCP2510的官方手册,我觉得看得差不多了 他说我没看懂,然后问我如果启用报文接收满中断,且开启RXnBF引脚并配置为中断请求模式 那么当有报文收到时,CTRLINTF.RXnIF被置为,从而使INT引脚和RXnIF引脚都变为低电平了 ...… 查看全部问答> |
|
程序用到STM32的TIM1功能,在用MDK软件调试时,发现在运行到TIM1_DeInit()时MDK软件卡死了,单步运行进一步发现程序跳到如下(1)时卡死了,刚开始怀疑是哪个外设时钟没配置好,但检查了好 ...… 查看全部问答> |
|
ADC12MCTLx的最高位EOS代表的含义是什么? 还有那个Veref+和Veref-在没有外接电压的情况下处于什么电平?我量了Veref-在0.95v~1.05V之间变动?那是为何? :o… 查看全部问答> |




