历史上的今天
今天是:2024年09月22日(星期日)
2020年09月22日 | 指针万用表测量电容器有哪些方法
2020-09-22 来源:elecfans
在家电维修过程中,因电容漏电或容量变化而引发的故障可谓屡见不鲜且故障现象各异。一般的指针万用表和部分数字万用表都无法测量电容,特别是那些小电容,给维修造成很大的不便。在此,我给大家介绍几种小容量电容的测量方法,供参考。
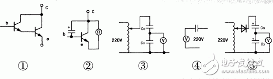
方法1:找一个β≥250的晶体三极管(要求穿透电流要小),如一时找不到,可用两只同型号的三极管复合成达林顿形式,见图1。将被测电容并接在三极管的c-e结(若为有极性电容则电容正极接三极管c极),然后用万用表R&TImes;10k挡,黑表笔接c极,红笔接e极,见图2,观察表针瞬时摆动程度。照此法用几个已知容量的正常(高精确度)的电容反复测试,记录下表针每次的瞬时最大摆动幅值,l进行处理计算,算出表盘上每小格应代表的电容值,备日后参考之用。对电容进行测量时,通过对所测电容表针摆动幅度与参考幅度进行比较可判断电容的好坏。
方法2:找一个高精确度已知容量的电容(耐压250V以上)和一个自耦输出电压可调的变压器,见图3。Cn为已知电容,Cx为待测电容,接好线通电之后测Cx与Cn上各自的分压,但需注意电源变压后的输出电压不应大于Cx的耐压。此时可根据公式Uo/Ux=Co/Cx推算出Cx的容量。若Cx的耐压在300V以上,则可直接将两只串联电容接于220V的交流电源(注:此法只适应非极性电容)。 方法3:若电容耐压在400V以上且只需估测电容容量,则可按图4接线,让被测电容与万用表某一表笔串接后,将万用表拨到电压挡(250V)测交流电压,如此用多个已知电容测试,记住表针摆动幅度,这样可为以后估测电容提供依据(注:此法只限非极性电容)。 方法4:电解电容的测量。因电解电容存在极性问题,可照图5接一个半波整流二极管,根据被测电容的耐压适当选择自耦变压器的输出电压。Co为已知容量的电解电容,cx为待测电容,照图接线测量后,根据公式Co/Cx=U0/Uv可算出Cx容量。
上一篇:怎样才能使用好万用表需要注意什么
下一篇:万用表检测LED要用什么档位
史海拾趣
|
从即日起,为答谢长期关心与支持电子工程世界论坛的各位研发人员,自由电子爱好者及各高校的同学们,我们每月将评选出5位论坛积极参与建设者,并发送电子开发板或其他精美小礼品,在大家共同的努力下,把我们这个虚拟的电子工程师大家庭办的更温 ...… 查看全部问答> |
|
哥们为做实验,特意做了这些转接板.以方便把240脚的芯片插在面包板上.PROTEL99SE格式.有需要的朋友,拿去用吧! [ 本帖最后由 西门 于 2009-5-12 00:18 编辑 ]… 查看全部问答> |
|
一个闸门,用10个KW的电机来驱动。 原来这套控制系统是用两路互锁继电器来控制。 现在准备用上位机+西门子S200来控制电机,正转反转以及上限下限。 本人第一次接触PLC,不是很了解通常PLC系统的可靠性。 想请教大家,在PLC控制系统之外,有 ...… 查看全部问答> |
|
请教: 我的 芯片是带 SMBUS(也就是 I2C) 现在问题是: 并不是每个 I/O 都能做 I2C ,是吗? 我的 P1.0,P1.1 是用 SMBUS 其他引脚用 I2C ,那就软件模拟,是吗? 现在有两个器件需要用到 I2C , 那么有个器件只能用 别的 I/O ,用软件 ...… 查看全部问答> |
|
HANDLE hFile=CreateFile(L\"BC.txt\",GENERIC_WRITE|GENERIC_READ,FILE_SHARE_READ,NULL,CREATE_NEW,FILE_ATTRIBUTE_NORMAL,NULL);//EVC下这里用CreateFileForMapping if(hFile==INVALI ...… 查看全部问答> |
|
请教高手... 我现在要开发一种设备,功能很简单,就是将几幅已有的图片(*.jpg或*.bmp)传入设备存贮器并输出至电视机. 输出部分好象可以用SED1356芯片,但具体怎么做就不知从何下手了. 请高手不吝赐教....… 查看全部问答> |
|
Error[e124]: Segment conflict for segment INTVEC. In module "010DT" there is a segment part that is of type RELOCATA××E, while in module "?cstart" there is a segment part that is of type COMMON Total number of errors: ...… 查看全部问答> |
|
USB端点0为控制模式,端点1批量发送,端点2为批量接受,枚举正常,可以读写,问题在于读写的速度太慢了,1M的文件需要20s。请高手帮忙 usb_endp.c中 void EP2_OUT_Callback(void) { Mass_Storage_Out(); } usb_bot.c中 void ...… 查看全部问答> |
|
https://bbs.eeworld.com.cn/thread-413866-1-2.html帖子中说明了为了方便管理大家的帖子,“需要参与DIY活动的朋友请注意,直到今天板子应该都发到了大家手里,接下来大家的任务就是开始按照周计划的安排实施了,便于我们的管理,大家发一个进度帖 ...… 查看全部问答> |




