历史上的今天
今天是:2024年09月24日(星期二)
2020年09月24日 | 用于万用表直观测量的电桥放大电路
2020-09-24 来源:elecfans
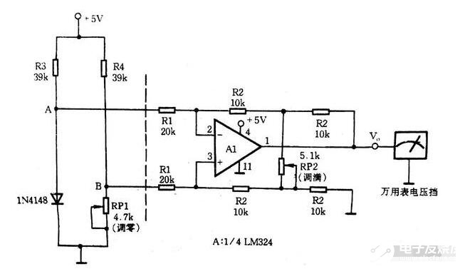
如下图5所示,是一个用于万用表直观测量的电桥放大电路。

通过放大器的放大,将0~100℃的温度,变换成0~1V的表示,让万用表可以使用1V档位来进行温度显示。
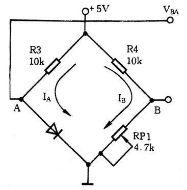
图5虚线左边的电路,如下图6所示,是一个典型的电桥电路。

当温度发生变化时,1N4148的压降将发生变化,引起A、B两点产生电位差。
RP1用来调节,当温度为0℃时,放大器输出VO=0V。
RP2用来调节,当温度为100℃时,放大器输出VO=1V。
下一篇:数字万用表电路板铜丝的作用
史海拾趣
|
请教:WINCE里如何预设WIFI IP和WIFI的相关登录设置? 比如要预设IP、网关、DNS, 还有WIFI的加密方式、密码。 我想应该是修改注册表,但是我不知道在哪改,请指教。 全部的总数奉上!… 查看全部问答> |
|
有谁能提供USB鼠标键盘驱动,模拟鼠标键盘自动按键,以前用了wion.vxd,但是USB不可以 有谁能提供USB鼠标键盘驱动,模拟鼠标键盘自动按键,以前用了wion.vxd驱动,PS/2接口可以模拟按键盘, 但是USB接口不可以模拟按键 如果人能提供这样的驱动程序,本人不胜感激,大大给分,给分... … 查看全部问答> |
|
求一个可以 load nk.bin 的 loadcepc.exe 的可执行文件, 在线等!!! 这个文件编译太费事了, 找了个 msvc152 的编译器, 一堆编译错误。 有那位兄弟有 loadcepc.exe 的可执行文件, 最普通的就行了,我想在 cepc 上试一个东西。 mail: bamu1984 # 163.com … 查看全部问答> |
|
library ieee; use ieee.std_logic_1164.all; use ieee.std_logic_unsigned.all; entity read_write is port( clk : in std_logic ; mcu_oe : in std_logic;   ...… 查看全部问答> |
|
与前面已讲述的电场屏蔽及磁场屏蔽的机理不同,电磁屏 蔽对于电磁波的衰减有三种不同的机理: x 当电磁波在到达屏蔽体表面时,由于空气与金属的交界面上 阻抗的不连续,对入射波产生的反射。这种反射不要求屏蔽 材料必须有一定厚度,只要求交界 ...… 查看全部问答> |
|
http://www.bsechr.com.cn/news.asp?anclassid=58&mnclassid=165Linux的标志是一只十分可爱的小企鹅,而FreeBSD的标志是一个拿着叉子的小恶魔。你是否经常会听到人们把 Linux及 BSD 系统混为一谈?是的,我有时会经常听到一些新手,甚至于媒体都这 ...… 查看全部问答> |




