历史上的今天
今天是:2024年10月09日(星期三)
2020年10月09日 | 低功耗非接触式射频读写器的设计与实现
2020-10-09 来源:elecfans
芯片电路的功耗主要来自开关的动态功耗和漏电的静态功耗。动态功耗主要是电容的充放电(包括网络电容和输入负载)以及P/N MOS同时打开形成的瞬间短路电流。静态功耗主要是扩散区与衬底形成二极管的反偏电流和关断晶体管中通过栅氧的电流。工作时序及软件算法设计有缺陷,会降低系统工作效率、延长工作时间,也会直接增加系统能量的消耗。本文将具体阐述低功耗设计理念在基于MSP430和MFRC522的非接触式读写器上的应用与实现。
模块电路设计
系统选用MSP430F413单片机和MFRC522射频芯片。为简化系统结构,本系统仅由低电压报警单元、MCU单元、射频收发单元、天线、红外发射接收以及外围信号组成。
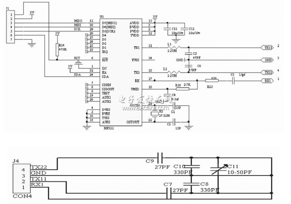
本系统选用的是SPI接口方式,其连接图如图1所示。

图1 MCU与射频接口及下载接口图
MSP430选用JTAG接口下载仿真程序。为了进一步减少功耗,在系统处于休眠模式时可通过指令关闭SPI接口和MCU中无用的端口。
射频卡读写器采用电感耦合式天线,主要用于产生磁通量,而磁通量用于向射频卡提供电源并在读卡器与射频卡之间传输信息。当一个RFID系统正常工作时所需的磁感应强度B一定时,安培匝数NI由环形天线的边长a以及标签和读写器天线的距离x来共同决定。其关系式为:

电感耦合式天线的特征值主要有品质因数(Q)和谐振频率。一般而言,Q一方面衡量能量的传输效率,另一方面也衡量频率的选择性。对于并联谐振回路,Q可以定义为:
Q=2πfRC=R/(2πfL)(f在本系统中为13.56MHz) (2)
式中:f为谐振频率;R为负载电阻;L为回路电感;C为回路电容。Q值越高,天线的输出能量越高,然而太高的Q值会干扰读写器的带通特性,从而无法遵从协议标准。一般来说,Q=20时,整个系统的带通特性与带宽都比较好。RFID系统中的品质因数一般在10~30内取值,最大不要超过60。
MFRC522从TX1和TX2引脚发射的信号是已调制的13.56MHz载波信号,辅以多个无源器件实现匹配和滤波功能,以直接驱动天线。其匹配电路和信号接收电路如图2所示。

图2 天线匹配电路
红外发射接收电路部分的设计目的是为了节省电源开支,当系统处于休眠模式时停止发射无线电波,可外加一个红外对管来检测是否有卡进入天线范围。当红外接收管接收到外界有卡时立即进入中断,跳出休眠模式,对外发射无线电波,并进行相关的操作。这种通过指令间断打开红外发射管检测是否有卡再进入中断唤醒CPU和打开天线的方法缩短了天线和红外管的电流消耗,从而节省了功耗。
史海拾趣
|
[引]m128参考使用AVR定时/计数器的PWM功能设计要点 一、定时/计数器PWM设计要点 根据PWM的特点,在使用ATmega128的定时/计数器设计输出PWM时应注意以下几点: 1.首先应根据实际的情况,确定需要输出的PWM频率范围,这个频率与控制的对象有关。如输出PWM波用于控制灯的亮度,由于人眼不能分辨42Hz ...… 查看全部问答> |
|
求助:vmware6.0下Fedora9系统中的minicom设置后接arm没有反应 对vmware6.0下Fedora9系统中的minicom进行设置,波特率115200,无奇偶校验,数据位8,停止位1,设置后显示115200 8N1 保存设置后,连接arm却没有反应 我在xp下用超级终端在同样的设置下可以连接到arm,不知道是怎么回事啊? 谢谢各位… 查看全部问答> |
|
经过三个月的努力,在自己公司的开发板上,成功移植wince5.0 BSP 开发包,今天加入display驱动后,看到了wince5.0桌面. 呵呵,心里爽呀.这块板不支持BX指令(ARM CPU版本太旧),修改 wince kernel成功解决!!!… 查看全部问答> |
|
S3C6410的USB通讯小项目外包: 硬件:S3C6410开发板(用现成的)软件要求:通过USB线使S3C6410开发板能与PC机通讯下载文件。 说明:其实开发板上的EBOOT已经实现了这个功能,只是没有上位机DNW的源代码。而我们必须要有源代码。开发费可 ...… 查看全部问答> |
|
我的毕业设计题目是用TMS320F2812EVM做一个变声器,现在实在弄不出来,因为DSP的编程有问题,有谁能给我一点思路和程序指点吗?如果有谁能帮忙的话那就感激不尽了,需要的话加我QQ,53430188。 我打算用AD+FFT+DA的流程,但是在具体操作的时候发现 ...… 查看全部问答> |




