历史上的今天
今天是:2024年10月10日(星期四)
2020年10月10日 | 基于ARM控制的逆变器电路设计
2020-10-10 来源:elecfans
本设计以 ARM 作为控制核心,结合推挽升压电路和 SPWM 逆变电路,实现了将12VDC 输入电压转换为110VAC 交流正弦电压输出。实验表明,该逆变器具有电压纹波小、动态响应高和全数字等特点,能够满足实际需要。
1.系统总体方案
1.1 总体设计框图
如图1 所示, 逆变器系统由升压电路、逆变电路、控制电路和反馈电路组成。低压直流电源 DC12V 经过升压电路升压、整流和滤波后得到约 DC170V高压直流电,然后经全桥逆变电路 DC/AC 转换和 LC 滤波器滤波后得到

AC110V 的正弦交流电。
逆变器以 ARM 控制器为控制核心,输出电压和电流的反馈信号经反馈电路处理后进入 ARM 处理器的片内 AD,经 AD 转换和数字 PI 运算后,生成相应的SPWM 脉冲信号,改变 SPWM 的调制比就能改变输出电压的大小,从而完成整个逆变器的闭环控制。
1.2 SPWM 方案选择
1.2.1 PWM 电源芯片方案
采用普通的 P W M 电源控制芯片,如 SG3525,TL494,KA7500等,此类芯片的优点是能够直接的产生脉宽调制信号,但是它缺点是波形线性不好,而且振荡发生器是依赖充放电电路而产生波形,当要 PWM 芯片产生 SPWM 信号需要附加额外很多电路。
逆变器是一种把直流电能(电池、蓄电瓶)转变成交流电(一般为220伏50HZ正弦波或方波)的装置。我们常见的应急电源,一般是把直流电瓶逆变成220V交流的。简单来讲,逆变器就是一种将直流电转化为交流电的装置。
不管是在偏远家村,或是野外需要或是停电应急,逆变器都是一个非常不错的选择。比较常见的是机房会用到的UPS电源,在突然停电时,UPS可将蓄电池里的直流电逆变为交流供计算机使用,从而防止因突然断电而导致的数据丢失问题。
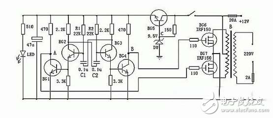
本文将介绍两种比较简单的逆变器电路图。并附以简单的逆变器电路图说明,有兴趣的朋友可以研究下,自已动手做一个逆变器也确实是一件非常有成就感的事。以下就是一张较常见的逆变器电路图。

以上是一款较为容易制作的逆变器电路图,可以将12V直流电源电压逆变为220V市电电压,电路由BG2和BG3组成的多谐振荡器推动,再通过 BG1和BG4驱动,来控制BG6和BG7工作。其中振荡电路由BG5与DW组的稳压电源供电,这样可以使输出频率比较稳定。在制作时,变压器可选有常用双12V输出的市电变压器。可根据需要,选择适当的12V蓄电池容量。
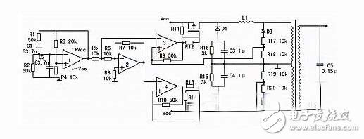
以下是一款高效率的正弦波逆变器电器图,该电路用12V电池供电。先用一片倍压模块倍压为运放供电。可选取ICL7660或MAX1044。运放1 产生50Hz正弦波作为基准信号。运放2作为反相器。运放3和运放4作为迟滞比较器。其实运放3和开关管1构成的是比例开关电源。运放4和开关管2也同样。它的开关频率不稳定。在运放1输出信号为正相时,运放3和开关管工作。这时运放2输出的是负相。这时运放4的正输入端的电位(恒为0)总比负输入端的电位高,所以运放4输出恒为1,开关管关闭。在运放1输出为负相时,则相反。这就实现了两开关管交替工作。

当基准信号比检测信号,也即是运放3或4的负输入端的信号比正输入端的信号高一微小值时,比较器输出0,开关管开,随之检测信号迅速提高,当检测信号比基准信号高一微小值时,比较器输出1,开关管关。这里要注意的是,在电路翻转时比较器有个正反馈过程,这是迟滞比较器的特点。比如说在基准信号比检测信号低的前提下,随着它们的差值不断地靠近,在它们相等的瞬间,基准信号马上比检测信号高出一定值。这个“一定值”影响开关频率。它越大频率越低。这里选它为0.1~0.2V。
编辑点评:方波输出的逆变器效率高,对于采用正弦波电源设计的电器来说,除少数电器不适用外大多数电器都可适用,正弦波输出的逆变器就没有这方面的缺点,却存在效率低的缺点,如何选择这就需要根据自己的需求了。
史海拾趣
|
【赛题大汇总】选录09及往年各省地区竞赛题目,各位有兴趣可以拿来练习预热哦~~ 2008年广西省大学生电子设计竞赛试题 A题:宽带前置放大电路 一、 任务 设计一个前置放大电路,使其在较宽的频带范围内具有良好的直流和交流特性,电路包括输入阻抗匹 ...… 查看全部问答> |
|
一般双口RAM都提供了两个完全独立的端口,每个端口都有自己的控制线、地址线和数据线,CPU对双口RAM端口的操作等效于对它的外部RAM进行操作。双口RAM在使用上要注意的问题是如何避免两端CPU对同一RAM单元的争用,一般来说,双 ...… 查看全部问答> |
|
因为2012的影响,让我DIY UFO,我准备购买仪表,机器,和材料。不知道这里有没有UFO DIY的路过者,可以交流一下研究结果,与制造步骤。 放个片来点吸引力: … 查看全部问答> |
|
简介:注意那些意外谐振响应您曾经将输入电压接通到您的电源却发现它已经失效了吗?短暂的输入电压上升时间和可产生两倍于输入电源电压的高 Q 谐振电路可能会是问题所在。如果您迅速中断感应元件中的电流便会出现类似问题。会出现这类问题的一些情 ...… 查看全部问答> |
|
转帖:感谢作者 分区PBR详解: 分区引导扇区知识 一、FAT32的分区引导扇区 分区引导扇区DBR(DOS BOOT RECORD)是由FORMAT高级格式化命令写到该扇区的内容;DBR是由硬盘的MBR装载的程序段。DBR装入内存后,即开始执行该引导程序段,其主要功能 ...… 查看全部问答> |
|
【连载】【ALIENTEK 战舰STM32开发板】STM32开发指南--第六十一章 战舰STM32综合实验 第六十一章 战舰STM32开发板综合实验 前面已经给大家讲了55个实例了,本章将设计一个综合实例,作为本指南的最后一个实验,该实验向大家展示了STM32的强大处理能力,并且可以测试开发板的大部分功能。该实验代码非常多, ...… 查看全部问答> |




