历史上的今天
今天是:2024年10月12日(星期六)
2020年10月12日 | 基于LABVIEW和交流伺服电机,如何解决车辆换挡杆系统失效问题?
2020-10-12
挑战:
车辆换挡杆耐久试验要求车辆换挡杆在指定负载条件,以一定速度在两个确定工作位置间运行大量次数(如40万次),并对运行中的速度、次数等参数监控,并希望预留对系统电流及电压等参数的监控扩展能力。常见的基于PLC的耐久试验台设计方案显然不能满足运行过程中的速度、次数、电流及电压的监控及可扩展能力的要求。基于LABVIEW和交流伺服电机的试验系统采用闭环控制策略,通过系统位置信号的采集,确定电机运行方向与速度的改变,并对过程中的电压电流等监控,为系统试验的智能监控和分析提供科学依据。
解决方案:
基于NI USB-6251的模拟量采集模块,利用LABVIEW的DAQ助手的Express技术,实时采集光电开关信号,并输入到基于 LABVIEW的开发系统中进行采集、比较及分析,通过基于Modbus协议二次开发的程序控制交流伺服电机以指定的速度和方向运动,并到达指定位置后及时返向运动及记数,其中针对实际运行中出现的系统失效问题,增加的极限位置反转保护方案也是本系统的一个创新。
1 引言
车辆各系统及零部件的疲劳耐久性能是评价汽车质量的重要指标。因此开发通用的耐久试验装置对各零部件进行测试是车辆开发过程中的极为重要的工作。本文以某款车型的换挡杆耐久试验台的搭建为例,系统说明了光电开关作用原理、开关触发信号采集、LABVIEW编制控制程序及通过LABVIEW的Modbus协议控制伺服电机技术等关键问题,并针对实际中可能出现的问题增加了优化程序—极限位置反转保护方案,避免了试验台运行中可能出现的错误。
2 系统开发背景
车辆的换挡杆试验台用来考核换挡系统的耐久性能的专用设备,也是车辆零部件试验中重要的试验之一。如某款车型试验要求如下:换挡杆经40万次试验后,换挡杆各零部件无破裂,操作灵活且无卡滞现象;换挡杆力载荷60N,频率要求0.5Hz。其中运行次数、换挡力载荷及运行频率均要求实时可变。图 1为最终搭建的换挡杆耐久试验台。其中重块作为负载,伺服电 机带动转盘旋转,通过与转盘连接的拉杆机构实现换挡杆动作,换挡杆的两个极限位置分别通过两个铁片和一个光点开关确定,并传输到USB-6251中,由于伺服电机与转盘的传动比为10,则电机转速设定为33rpm,满足试验要求。

图 1 换挡杆耐久试验台

图 2 系统组成框图
3 系统组成及总体设计方案
根据系统的功能要求本系统包括上位机、NI数据采集卡USB-6251、光电开关、交流伺服电机组成,机械装置五部分,系统组成框图如图 2所示。本装置采用美国国家仪表公司(National Instruments,简称NI)开发的数据采集卡USB-6251实时采集光电开关的模拟电压信号,当机械装置在运行行程中光电开光输出高电平,上位机不动作;而机械装置运行到预先设置上 /下极限位置时,光电开关输出低电平,上位机根据用Labview编订的程序完成计数、显示及判断等工作,并通过Modbus协议控制伺服电机向反方向运行,从而机械装置进入下一个循环周期,直至运行次数满足要求。运行频率 /速度由伺服电机的速度运行模式实现。
3.1 传感器及数据采集方案
光电开关是通过把光强度的变化转换成电信号的变化来实现控制的,一般情由发送器,接收器和检测电路三部分构成。它是利用被检测物体对红外光束的遮光或反射,由同步回路选通而检测物体的有无,其物体不限于金属,对所有能反射光线的物体均可检测。本文选用的漫反射光电开关是一种集发射器和接收器于一体的传感器,当有被检测物体经过时,将光电开关发射器发射的足够量的光线反射到接收器,于是光电开关就产生了开关信号。
本文选用NI公司开发的USB-6251数据采集卡及Labview软件的Express技术快速实现光电开关的实时电压采集。USB-6251数据采集卡是NI公司最新推出的USB总线M系列数据采集产品,可提供高达16路模拟输入通道,并达到1.25 MS/s数据采集速率,且增加了USB即插即用的简单易用性以及全新高速信号流技术,可实时快速的采集各种物理信号。Express技术是Labview最新提供的一种快捷简便搭建专业测试系统的技术[1]。它将各种基本函数进一步打包为更加智能,功能更加丰富的函数;并对其中某些函数提供配置对话框,通过配置框可以对函数进行详细的配置,因此其可以实现较少的步骤完成功能完善的测试系统,尤其对于复杂的采集系统,Express技术起到了极大的简化作用。图 3为光电开关电压信号采集设置图,电压信号最大值及最小值设定为+10V及 -10V,采集率及待读取采样均设定为1,即1秒采集1个并实时的传到上位机,采集模式设为连续采样。
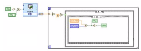
3.2 Labview控制程序
采集到的光电开关信号将输入到程序中执行控制策略。如图 4所示,DAQ助手为采用Express技术建立的光电开关电压信号采集,信号实时输入到循环结构中执行判定,这里阈值选定为5V,即电压信号大于5V(此时电机正常运行)时,不执行任何操作;当电压信号低于5V时(此时电机运行到上 /下极限位置)时,首先当前次数增加0.5(电机在上 /下极限位置间运行一个来回定义为1)并比较当前次数是否等于循环次数,等于则程序停止;不等于则电机反转,程序继续运行。

图 3 光电开光电压信号采集

图 4 光电开关信号的判断与计数
3.3 Modbus协议控制伺服电机方案
图 5为Labview程序采用Modbus协议控制伺服电机反转。Modbus 协议是应用于电子控制器上的一种通用语言,通过此协议控制器相互之间、控制器和其它设备之间可以通信。它已经成为一通用工业标准[2,3]。Modbus协议有两种传输模式:ASCII(American standard code for information interchange)或RTU(Remote terminal unit),两种方式均须指定串口通信参数(如波特率、校验方式等)。伺服电机预先设定以下参数:站号:1;传输模式:RTU;数据位:8;校验:偶校验;停止位:1;通讯超时:5000ms;串口号:Com4。并将电机内部寄存器20B(16进制)位置设定为命令输入反向控制,即此寄存器变化时(即由106变为006,或者由006变为106)电机反转;缺省为106,电机按先指定方向运行。图 5中程序首先提取内部寄存器20B位置的当前值,通过与给定值对比判断后再输入新值,从而实现电机反转的操作。
3.4 极限位置反转保护方案
在电机实际运行中采用两个光亮的金属铁片触出发光电开关,由于铁片的宽度和电机惯性,电机往往要超过铁片内侧边缘一部分后再执行反转操作,电机反转初期光电开关仍处于低电平,这极易让程序认为电机已经到达另一个界限位置,而造成电机在一个极限位置附近反复运行,不能正常工作。图 6为程序新增加的极限位置反转保护功能。即在电机运行到极限位置后,关闭NI数据采集功能2秒,2秒后数据采集再次开启,而此时光电开关已经远离触发铁片,不会再次发生以上问题。

图 5 Modbus协议控制电机反转

图 6 极限位置反转保护

图 7 换挡杆耐久试验台人机交互界面
4 软件实现
4.1 人机交互界面
人机交互界面编辑的可见即可得是Laview的一个重要的优势[4]。Labview的前面板包含大量形象逼真的控件,用户还可以创建自定义控件。前面板的窗口形式可以以不同的方式显示以满足不同的需求,用户可以通过按钮、对话框、声音、菜单及键盘输入等不同方式与程序进行交互。图 7为程序设计界面,其中清零按钮可以将当前次数归零;按下设定按钮将有一个对话框弹出,用户可以通过键盘输入要求的循环次数;再按下开始按钮程序将开始运行,同时开始按钮将保持按下状态,开始命令变为暂停功能,可以随时按下暂停程序;停止按钮将退出整个程序。
4.2 未来扩展能力
现在设计的方案仅满足耐久试验的循环次数要求和指定速度(通过伺服电机)的参数设定,通过电压和电流传感器将电机运行电流电压信号转变为模拟电压信号输入到NI-6251采集前端,并在软件中设定相应的换算参数,即可实现对电机参数的实施监控。在以上平台上的建立基础上,可尽快的搭建以上平台,并建立数据保存及报警功能。
5 结论
本文通过光电开关发出模拟电压信号,NI数据采集卡采集电压信号并输入到上位机,上位机中运行使用Labview软件编制的人机接口界面及数据处理程序,根据判断结果通过Modbus协议控制交流伺服电机实现往复动作,最后增加极限位置电机反转程序,解决电机运行过程中出现的极限位置控制策略失效的问题。实践证明这种搭建的试验台的技术路线及控制策略是可行的,同时这也是一种用较为通用方法,不仅能满足换挡杆耐久试验的要求,对其他零部件耐久试验台的开发也有参考意义。
参考文献
王建群,南金瑞,孙逢春,付立鼎 . 基于LabVIEW的数据采集系统的实现,计算机工程与应用,2003(21).
杨乐平,李海涛,肖相生 . LabVIEW程序设计与应用 . 北京:电子工业出版社,2001.
周隽,许江宁,孙振宇 . 基于LabVIEW的交流伺服电机转速测试方法研究和设计 .船电技术, 2009(3):57~60.
陈锡辉,张银鸿 . LabVIEW 8.20 程序设计从入门到精通 . 北京:清华大学出版社,2007(125).
史海拾趣
|
本帖最后由 paulhyde 于 2014-9-15 08:57 编辑 来说说你都参加过什么竞赛吧? 如今这世道,太多的电子竞赛了,搞得头晕 呵呵 [ 本帖最后由 clark 于 2010-2-28 02:40 编辑 ] … 查看全部问答> |
|
一个内存检查的例程如下: for(i = 0; i < NUM_MEM_AREAS; i++) memory_map[i].used = 0; /* first write a 0 to all memory locations */ for(addr = MEM_START; addr < MEM_END; addr += PAGE_SIZE) * (u32 *)addr = 0; for(i = 0, addr ...… 查看全部问答> |
|
请教老师们:自已写的winCE驱动程序被加载后,马上又被卸载了? 我在Platform Builder下编写了一个很简单的LED驱动程序,就包含了DllMain,LED_Init,LED_Open,LED_DeInit,LED_close,LED_Powerup,LED_Powerdown等等函数的操作。然后在release目录下的Platform.reg的\\drivers\\builtIn当中添加了该驱动 ...… 查看全部问答> |
|
鸿业同行科技有限公司招聘员工!!!! 鸿业科技成立于1992年,专业从事计算机软件的开发,服务于工程类CAD设计领域和城市信息化建设领域。现拥有员工百名,设有北京鸿业同行科技有限公司、上海鸿业同行信息科技有限公司、洛阳高新鸿 ...… 查看全部问答> |
|
【MP430共享】利用MSP430的捕获比较模块实现UART功能 为了满足单片机系统设计中对多个串口的需要, 文中使用 T I 公司 MS P 4 3 0型单片机的捕获/ 比较模块实现 U A R T功能. 文中详细介绍了 U A R T的通信方式, 并根据 M S P 4 3 0型单片机捕获/ 比较模块的特点, 设计实现了用软件来模拟 U A R T ...… 查看全部问答> |




