历史上的今天
今天是:2024年10月16日(星期三)
2020年10月16日 | 数字万用表测量交流电压的电路
2020-10-16 来源:elecfans
下面我们先介绍一下数字万用表交流电压档测量交流电压的原理,然后再介绍一个测量任意波形交流电压的方法。

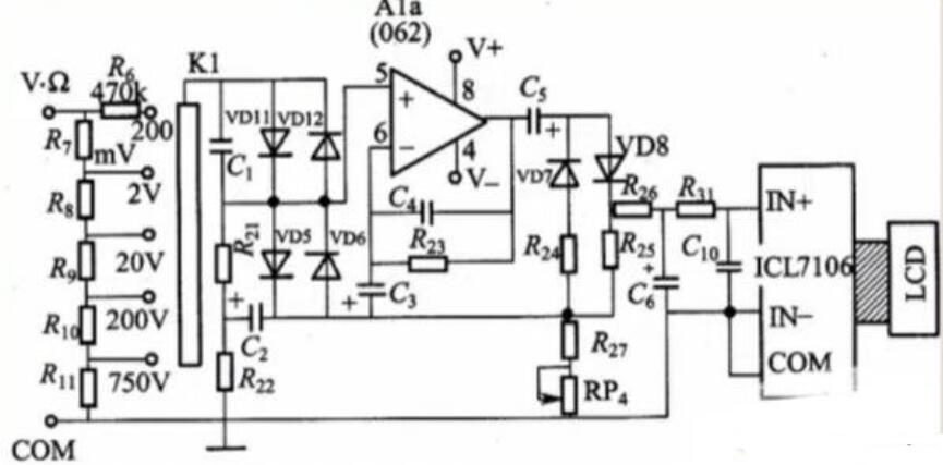
数字万用表测量交流电压的电路。
一般的数字万用表大都是采用上图所示的交流-直流转换电路来测量正弦波交流电压的。图中的TL062是一款低功耗、高输入阻抗的双运放,这里使用其中的一个运放与二极管VD7、VD8一起组成一个精密整流电路,这种整流电路的优点是,可以消除普通二极管死区电压的影响,即使mV级的交流电压亦可以整流。
测量交流电压时,被测电压经分压电阻衰减后送至TL062的同相输入端⑤脚,经其放大及VD7、VD8整流、C6滤波后,便可以得到一个与被测交流电压有效值成正比的直流电压,将该直流电压送至万用表的模数转换器处理后,即可读出被测交流电压的大小。
由于这种精密整流电路是按照测量正弦波交流电压设计的,并且所用的TL062运放的高频性能不是很好,故使用这种电路的万用表,一般只能用来测量不失真低频(400Hz以下)正弦波交流电压的有效值,而对于测量频率高于400Hz或非正弦波交流电压便会产生较大的测量误差。

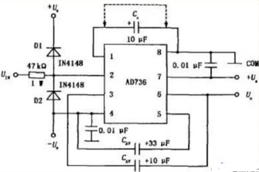
AD736构成的真有效值转换电路。
若提问者想测量2400Hz交流电压的有效值,可以选用专用的真有效值转换器AD736按照上图所示电路接一个交流-直流转换电路,其可以将任意波形的交流电压转换成直流电压,将该电路输出的直流电压送至万用表的直流电压档,即可读出被测交流电压的有效值。

AD736内部电路框图。
AD736是一款常用的真有效值转换器IC,其采用DIP-8或SOP-8封装,工作频率范围为0~460KHz,工作电流只有200μA,并且具有较高的测量精度,不少真有效值数字万用表都选用其来测量任意波形的交流电压。
上一篇:使用万用表检测扬声器的好坏
下一篇:如何用万用表来测量电机的好坏
史海拾趣
|
VisualAudio设计和开发环境是设计和开发音频系统的新软件,它的实时架构特别适合音频产品的开发.本文简短介绍VisualAudio,然后描述它的构架,音频模块和在音频产品上的应用… 查看全部问答> |
|
PXA270核心板方案: CPU:PXA270 SDRAM:128M FLASH:32M 接口:USB、SDCARD、SERIAL等 LCD+TOUCH:3.5‘ 支持WIFI 方案可提供:SCH + PCB + BOOM + WINCE ...… 查看全部问答> |
|
嵌入式U-boot的Makefile中有这么一句 smdk2410_config : unconfig @$(MKCONFIG) $(@:_config=) arm arm920t smdk2410 NULL s3c24x0 课本解释 $(@:_config= ...… 查看全部问答> |
|
我想问下,驱动什么的都弄好了,板上只有一个usb口,我外接了一个四口的USB HUB,接四个摄像头 再在dev文件夹中新建设备文件video0,video1,video2,video3,这四个摄像头能否同时使用啊 我现在只能做到四个来回的切换,想实现一个窗口中同时显示四 ...… 查看全部问答> |
|
$(\'swf_HDX\').innerHTML=AC_FL_RunContent(\'width\', \'550\', \'height\', \'400\', \'allowNetworking\', \'internal\', \'allowScriptAccess\', \'never\', \'src\', encodeURI(\'http://player.youku.com/player.php/sid/XMjg3NDI4NDAw/v.sw ...… 查看全部问答> |




