历史上的今天
今天是:2024年10月29日(星期二)
2020年10月29日 | 基于MSP430的定时器Timer_A 介绍
2020-10-29 来源:elecfans
一、定时器TImer_A 介绍
TImer_A是一个具有多路捕获/比较寄存器的16位定时/计数器,主要有TAxCTL,TAxR,TAxCCTLn,TAxIV,TAxEX0 几个寄存器。其中最主要的是TAxCTL寄存器,它决定TImer_A的输入时钟信号,TImer_A的工作模式,Timer_A的开启与停止,中断的申请等。中断可以来自定时器溢出或者任意的捕获/比较寄存器Timer_A的特征包括:
具有4种工作模式的异步定时/计数器
可选择配置的时钟源
可配置的PWM输出功能
异步输入和同步锁存
二、Timer_A 操作
1. 16位定时/计数器
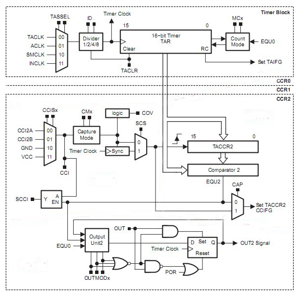
16位定时/计数寄存器TAxR,在每个时钟信号的上升沿做增一计数或减一计数。TAxR可以通过置位TACLR清除。Timer_A机构图如下:

2. 时钟源的选择和分频
定时器时钟 TACLK 可以选择来自 ACLK、SMCLK 或者外部的TAxCLK。时钟源由 TASSELx 位来选择。选定的时钟源可以直接到达定时器,或者通过 IDx 位经过2、4、8分频后到达定时器,选定的时钟源可以通过 IDEXx 进行2、3、4、5、6、7或者8分频。当 TACLR 置位时,定时器时钟源分频器被复位。
3. 启动定时器
在 MC 》 {0} 同时时钟源被激活的情况下,定时器开始计数
在定时器工作在增计数模式或者增/减计数模式时,对 TAxCCR0 写 0 可以停止定时器。定时器可以通过对 TAxCCR0 写入一个非零值来重新启动计数。在这种情况下,定时器从零开始计数。
4. 定时器模式控制

三、Timer_A 寄存器
1. Timer_A 控制寄存器(TAxCTL)

2. Timer_A 计数器(TAxR)
15~0
TAxR
TAxR位15~0Timer_A 寄存器。TAxR寄存器是 Timer_A 的计数器。
3. 捕获/比较控制寄存器(TAxCCTLn)

4. Timer_A 中断向量寄存器(TAxIV)

史海拾趣
|
请问在(PADS2007)PART TYPE 和CAE DECAL 有什么分别 大家好,我是一个初学PADS2007的新手,请问在(PADS2007)PART TYPE 和CAE DECAL 有什么分别?谢谢了… 查看全部问答> |
|
我国成功研制能精确定位噪声元凶声相仪 时间:2010-08-03 09:33:49 来源:科学时报 作者: 如果家用电器噪声很大,许多人可能推测,这是发动机出了问题,但实际未必如此——这其中有不少“冤案”。中科院声学所最近研制成功的声相仪,能准确判 ...… 查看全部问答> |
|
我写了一段STM32低功耗的程序,采用RTC唤醒,但是发现总是不会醒来。而我一旦只要打开了DEBUG,在KEIL 调试时,如果我设置一下或是停止一下断点,就能够醒过来,奇怪: 我的代码如下: /** * @brief Main program. ...… 查看全部问答> |
|
一个类似于研华4118的模拟量采集模块,有改造性能的可能吗? 大体的芯片资料式 mcu是ATMEL的AT91R40008 AD转换是ADI的ad7739 高手帮看看,在这种成品上有没有改进的空间,主要是想采样速度更快一些。。。… 查看全部问答> |
|
多功能调试测试助手-完整PCB工程包 格式说明:protel99se 需要的朋友可以直接拿去制版,不过要注意器件的封装哦! 一、交流信号发生器(DDS直接频率合成):频率,相位,幅度可控 二、16*64点阵屏人机面板 … 查看全部问答> |
|
是带触摸屏的柜装式主机。基本的测温系统还需要3、6或9只无线温度传感器。感谢您使用RLB02系列无线温度在线监测装置。本产品采用先进的测温电子元件和国际前沿的Zigbee射频传输技术。安装方便,通信可靠。无线传输,有效隔离高压。 本产品用于在线 ...… 查看全部问答> |




