历史上的今天
今天是:2024年11月24日(星期日)
2020年11月24日 | 翠展微电子全新可编程超低功耗热释电信号调理芯片问市
2020-11-24 来源:EEWORLD
翠展微电子(上海)有限公司(Grecon)日前宣布推出一款针对人体被动红外(PIR)应用的可编程式超低功耗数字调理芯片M8601。采用该芯片的数字式热释电探头,通过该传感器的陶瓷敏感元检测出人体红外辐射信号,探头内部的信号调理芯片再进行数字化采样、滤波以及逻辑运算。通过对芯片内部的寄存器进行配置,把经过处理之后的数字信号或I/O信号以单线通信模式(兼容DOCI)传输给外部单片机或负载电路。在正常工作模式下芯片工作电压范围是1.4V-3.6V,芯片具有极低的功耗电流,在工作电压3V条件下,整个探头的功耗低于3µA。
M8601是一款超低功耗可编程信号调理芯片,可以根据用户的实际使用需求,通过外部单片机对其内部的寄存器进行配置,把芯片设置成人体移动检测模式,或者是PIR信号数字采样模式。该芯片集成了传统模拟探头JFET的功能以及除电容以外的绝大部分周边电路,外部电路极为精简(参看下图1),专门为电池驱动的无线运动传感器应用场景量身定做。该芯片设计有两个PIR输入引脚,陶瓷敏感元可以采取差分输入或者共模输入方式与之相连。同时,芯片与外部电路的通信也只需要两根信号线便可实现,即单片机对芯片的配置总线SERIN,以及芯片对外输出的信号线INT/DOCI。
图1 M8601 可编程数PIR信号调理芯片, 结合了数字PIR芯片和智能人体运动检测功能
在实际应用中,可以利用芯片的低功耗以及可编程特性,把芯片设置成人体运动检测模式。当检测区域内有人体移动时,探头的敏感元识别到红外信号之后传输给内部的数字信号调理芯片M8601。经过M8601进行数字运算,最后输出高电平的中断信号,来唤醒外部电路或负载。该芯片目前处于量产状态,可以批量向用户提供DFN封装、晶圆或者用户定制的其他封装形式的产品。
芯片的INT/DOCI是一个具有双功能的引脚,可以同时用作运动触发事件的中断输出以及原始PIR信号的输出。通过对M8601进行必要的编程使其工作在人体运动检测模式,当M8601产生一个触发事件之后,并通过INT/DOCI引脚输出高电平信号给外部单片机。单片机收到这个信号之后,可以在不需要重新配置M8601的情况下,立刻进入PIR信号读数模式状态,通过该引脚(INT/DOCI)直接读取PIR信号的大小,进一步判断芯片检测到的运动信号幅值是否超过了预设的触发阈值。利用这一特性,可以实现系统防误报功能。
M8601内部包含有一个分辨率是14位的高精度ADC转换器,通过相应的设置,可以分别采样PIR模拟电压信号以及片上的温度信号。然后通过片内的数字电路进行运算和处理。芯片内部逻辑电路再把经过逻辑运算后的数字信号或者运动触发中断信号传输到INT/DOCI接口,最后,外部单片机识别到该信号之后再作进一步处理。

除上述特点以外,M8601还具备独特的防误报功能。当M8601配置在人体运动检测工作模式条件下,一旦芯片检测到人体移动信号并且通过INT/DOCI接口发出Motion中断,外部单片机识别到中断信号之后无需重新配置,可以通过INT/DOCI接口立刻进行数据采集得到原始PIR信号。然后,单片机再按照预先设定的算法,对INT/DOCI接口采集到的PIR原始数据以及之前收到的Motion中断信号进行逻辑运算,可以进一步判断是否为真实的人体运动信号还是误报。芯片的这一功能在很多需要防误报的应用场景中非常重要,如监控摄像机、高端远程监控报警器、红外摄像机等等。详细工作的时序图如下图2。
图2 M8601防误报功能:在Motion模式下进行数据采集
主要特点:
· 芯片可编程检测机制及工作模式
· 兼容模拟探头及集成式探头方案
· 宽电压工作范围1.4V-3.6V
· 极低的工作电流,3µA典型值
· 兼容差模、共模PIR信号输入方式
· 内置片上温度传感器可实现温度补偿
· 上电后系统可快速稳定
应用领域:
· 无线人体入侵探测器
· 电池驱动的应用领域
· 应急照明系统
· 红外摄像机
· 工业领域安防、报警
· 智能楼宇、智能照明、智能家居

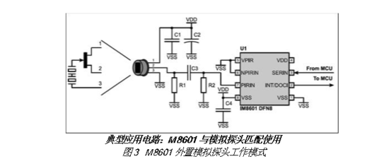
图3的方案是M8601和结合传统模拟探头的典型应用电路,模拟探头检测的信号经前置硬件滤波电路之后传给M8601的输入级,然后M8601根据外部单片机的配置模式(通过SERIN引脚配置)进行工作。可以根据用户的实际需求,把M8601配置成数字采样模式,或者是人体运动检测模式。芯片根据内部运算逻辑,输出相应的数字信号或者是中断信号来唤醒外部单片机或者设备。在上面这个应用电路中,芯片内部的LDO (引脚是VPIR)是屏蔽的,在实际使用的时候,也可以把这个电源引出来给模拟探头供电,进一步地简化电路。
典型应用电路:集成式PIR数字探头
内部集成了M8601的可编程式PIR数字探头
图4的方案是内部集成式了M8601芯片的PIR数字探头。探头与外部电路只需4个引脚相连,即电源VDD,“地”VSS,探头配置端口SERIN, 以及中断及信号输出口INT/DOCI。系统上电之后,外部单片机首先通过SERIN接口对数字探头进行编程和配置,然后根据相应的配置模式,通过INT/DOCI输出对应的信号。相比之前的数字探头,采用M8601芯片的探头功耗大大降低,外部电路也仅需要在靠近VDD引脚的地方增加一个陶瓷电容即可,电路非常简单。同时,独特的防误触发功能以及自检功能也为终端用户以及探头厂家带来极大的便利,不但提升产品性能的也节约了后续的检测成本。
史海拾趣
|
编译DirectDrawCreateEx 出错!!请高手指点!! 编译时 DirectDrawCreateEx 有问题,代码如下: if( FAILED( dirdr = DirectDrawCreateEx( NULL, (VOID**)&m_pDD,IID_IDirectDraw7, NULL ) ) ) return FALSE; 连接库有: winmm.lib dx ...… 查看全部问答> |
|
比如以前,我们说微处理器的出现是因为大规模集成电路的使用,那么请问最近这十年的性能的飙升是因为什么? 像内存,为什么以前只有64KB那么多,一下子飙升了上百倍,上千倍,而且体积还是那么大? … 查看全部问答> |
|
程序中的一块要实现软件看门狗功能,中间到reboot(0x00)并不能实现目标机重启,求高手指点~~~ /*includes*/ #include \"vxWorks.h\" #include \"logLib.h\" #include \"math.h\" #include \"stdioLib.h\" #include \"stdio.h\" #incl ...… 查看全部问答> |
|
首先 在网站www.mcu123.com下载 软件 。 然后是安装。 STEP1:将下载好的文件解压缩,得到一个虚拟光驱文件TLF-SOFT-12.30.05.ARM.RealView.Developer.Suite.v2.2-ZWTiSO.bin。用虚拟光驱打开它,点击SETUP.exe一路默认安装RVD ...… 查看全部问答> |
|
本电路是在改进型并联二极管震荡电路的基础上设计的,未加变容二极管之前,电路可以起振。但加上变容二极管后,测得输出信号仅为调制信号!!那个哭啊……还请高手指点!!上图……… 查看全部问答> |
|
M128中断时,前一次的中断没有执行完,下一次的中断申请又到来。这时候,处理器是放弃下次的中断申请去执行未执行完的中断程序,还是放弃未执行完的程序,去响应下次的中断申请?… 查看全部问答> |




