历史上的今天
今天是:2024年11月25日(星期一)
2020年11月25日 | 数字式三用表校验仪的使用与维护知识
2020-11-25 来源:elecfans
数字式三用表校验仪用于检定万用表及一级以下各类表头。如果使用不当就会损坏被测表及仪器内部电路,为此在使用时必需仔细进行测试,延长仪器的使用寿命。
一、使用注意事项
1.该仪器适合在周围气温在0℃-40℃,相对湿度80%以下的环境中工作,输入电源最好经过稳压,否则外电源的波动或过高过低,甚至有时在接近使用范围上下限处都会损坏该仪器的电源电路。
2.接通电源开关后使仪器预热30分钟。先将两个输出调节旋钮反时针方向旋到最小位置,根据被测仪表的种类及量程,将项目选择开关及量程开关、频率开关(直流档为400Hz)板到需要的位置。按下“输出”按键,红灯亮,顺时针方向慢慢调节“粗调”旋钮进行输出检验。
3.每一量程或项目检验完毕,应将输出“粗调”、“细调”旋或反时针方向旅到最小位置,然后才能允许转换到其它量程或其它项目,以免因输出电压或电流过大损坏被测表或检验损坏仪器输出。
4.电压各档上切不可将输出线短路,电流输出各档上切不可将输出线开路以免损坏本仪器。
5.禁止超越该仪器量程范围外使用。例如5V档就不要使用到5.5V。
6.在检定时,如遇被检表电流档电路开路,微调电流输出“粗调”,被检表和仪器显示均无反应,此时切不可再开大旋钮以免损坏仪器。 遇到负荷较重时,慢慢开大“粗调”,被检表和仪器显示变化不大,需立即停止检定。
7.5A和10A档最好不要使用到满量程输出,在接近上限处使用时,输出示值的时间不要过长,这样容易损坏仪器。
二、修理

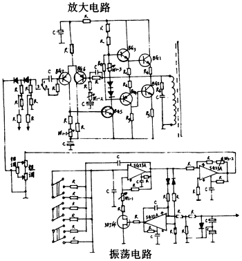
1.放大电路(见图)
以DO30-C型为例。故障现象为调节粗、细调时,表头无显示,各档均无输出。检查5A保险丝烧坏,原因是功率放大器损坏。在检查各元件时需与外电路断开检查,以免相互影响,检查不出真实情况。
从仪器中拔出放大板,先检查BG1、BG2大功率管,一般均损坏。再检查放大板上的元件,特别是两个中功率管BG1-4、BG1-5、推动管BG1-3和电位器W1-3。修好后检查BG1、BG2外壳对地下应短路,BG1-4基极与BG1-5基极之间不能开路。放大板检查正确无误后插入仪器中。开启电源,先不要开启输出按键,按原理图检查各点电压。调整放大器直流静态工作点:用万用表的直流电压最小档去测两个中功率管发射极电阻之间的中点电压,小于0.01V(指针不动或微动)为正常。不正常则调节W1-1。
项目开关置AC,60Hz,5V档,开启输出按键,此时放大器中点接通输出变压器,R4、R5上电压一般为0.15V左右,若偏差过大说明中心电压过高或其它故障。慢慢开大粗调,用手摸两个大功率管的热度是否均匀,如果反差太大,调节W1-3,即放大器的动态中心点。
项目开头置DC,400Hz,10A档,在输出接线柱上加一短路线,调节输出到10A,不够时调节W1-2。不能调得过多,虽增加了放大器的放大倍数使电流升高,但会减少反馈深度,带来不稳。以上项目进行完毕,说明功率放大器正常。
2.振荡电路(见上图)
故障现象为电压电流各档均无输出或输出不稳。先检查粗、细调电位器,可用万用表查看阻值是否能够平滑地变化,以此来判断好坏。检查频率转换开关接触是否良好,如果均好就查振荡板。微动一下板上的电位器,看有无变化,是否起振,振荡板最容易环的就是运算放大器5G23A。
3.电源电路
故障现象为开机烧电源保险。最容易坏的是桥式整流器 OSZ。
4.高压整流器板
故障现象为直流档50V、500V、IkV不正常,调节输出,无显示或显示不够。最容易坏的是电容,可用万用表的BX10K档检查电容的充放电情况,如果放电稳定后阻值偏小,说明电容漏电已坏。
以上所述为数字式三用表校验仪常见故障的修理。
下一篇:数字源表与数字万用表的区别是什么
史海拾趣
|
想求求各位大虾帮帮忙 看看用单片机控制步进电机正反转 调速 怎么弄 步进电机驱动是 用tb6560做的 我买了 步进驱动器--tb6560ahq-v2.0(0.5-3A ,2、8、1 ...… 查看全部问答> |
|
FLASH换成spansion S29GL了,可jtag无法写进去。好像不支持这片子。。用flash烧写器太麻烦。。 我应该怎么办?哪位高人有这片子的jtag烧写软件? 谢谢!· … 查看全部问答> |
|
需要写一个IE浏览器 请问怎么能检测到当前网络状态(应该是IE的状态)是否连上或者断开, 通过检测无线网卡的方式经过实验发现不行,因为无线网卡的驱动好象也不是时时检测这个连接状态的,我把AP断开,无线网卡的信号还很强, 现在想通过判断IE ...… 查看全部问答> |
|
USB 12Mbps的频率误差允许0.25%。而stm32f的HSI允许以40kHz左右的步长调节(改变HSITRIM的值)。40kHz/8MHz=0.5%,可惜呀。如果能以10kHz的步长调节HSI频率,同时保证HSI频率一定的稳定度,就可以用32768单晶振实现USB了!!!希望ST改进 ...… 查看全部问答> |
|
STM32开源开发环境的搭建EclipseSourceryG++ 中间有一段时间没来的及做,现在的进展是我用了3.4的固件库编译之类的都能通过,下载还没弄好,但是郁闷的是同样的程序烧进去却无法运行,哪位做过的给点提示,也欢迎大家讨论。 这两天在尝试着搭建Eclipse+ GNU ARM Eclipse Plug-in+ Sour ...… 查看全部问答> |




