历史上的今天
今天是:2024年11月26日(星期二)
2020年11月26日 | 简介500型系列万用表9V电池的高性能代换电路
2020-11-26 来源:elecfans
500型万用表9V电池的高效代换电路
这里介绍一种500型系列万用表所用9V电池(Rx10k挡用)的代换电子电路。该电路特点是低功耗,不另加电池,只需用原表内1.5V电池即可升压完成,其电路如图1所示。该文介绍的电路和制作方法是笔者亲手制作且已实践验证是成功的。该升压转换电路中加有一级简单的三极管同相电压比较电路(电压比较器),输出稳定,性能得以充分提升,对Rx10k挡的供电限流电阻85.5kΩ,若需短接电流是足足有余。若将其修改参数后用于3V电池升到9V供DT890B+之类数字表用,其输出稳定性是以往不带电压比较器升压电路所无法比的。图1中:L1是反馈绕组,L2是振荡线圈兼输出绕组,BG2为振荡功率输出管,BG1为工作过程功率调整管,BG3构成简单同相电压比较器电路,其b极接有基准稳压管D2,输出电压取样从BG3 e极输入(负压),与b极基准进行电压比较,比较结果用c极去控制BG1的导通程度(BG3通过隔离二级管D1对BG1 b极进行分流),进一步用BG1来改变BG2的导通工作状态,从而改变输出功率及输出电压大小,其中C1是电源退耦防低频自激振荡的电容,C2系输出滤波平滑电容,可使输出的直流更为纯正,以供Rx10k挡。
工作过程:当电源接通时,R1为BG1的b极提供正偏电流,BG1导通,BG2(PNP)b极通过L1与R2和BG1 c极相连,BC1的导通引起BG2正偏导通并产生振荡,L2两端产生振荡交流脉冲,通过D3整流C2滤波变成相应直流电压。当C2两端电压达到VD2(D2稳压值)与BG3 b e间导通电压(约0.7V)之和时,BG3导通,通过D1(防止前后级电路相互影响),对BG1的b极“施压”(负压)分流,BG1的导通程度得以减弱,再进一步使BG2的振荡大小被控制在设定范围,C2两端电压被稳定在规定的范围之内。

制作:线圈匝数及阻容参数详见图1中标注,其中BG1、BG3宜选β≥200的任一种NPN型硅小功率三极管,如C945、9014等;BG2可选用C8550之类的PNP硅管,β》120就行,一般不推荐选用其他型号。C2容量不必过大,否则会使电路工作的启动电流过大而停振。由于整个电路的负载仅为一支Rx10k挡的限流降压电阻85kΩ,所以不必考虑本电路负载能力,只需提高转换效率就行了。R1(220kΩ)不宜太小,否则,静态工作电流大,效率低。按图选好元件,并正确连接(可不用线路板),通电后,正常静态工作电流仅0.5mA以下(用1.2V充电电池),带上Rx10k挡且正负表笔相短接时,电池输出电流仅为1.8mA!本电路不用电路板也可安装在原9V电池仓内。

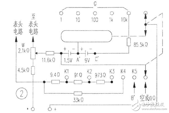
加装:图2系500型系列万用表的通用电阻挡位电路。图中A’、B’、C’端分别连接在上述制作的升压电路的A、B、C点即可,万用表原9V电池取出不用。在实际电路中,500型系列万用表的电阻挡位的Rx10k挡开关静触点(K5)均空着未用(未设静触片),有的在此处另设有其他作用的接线端(与Rx10k挡不通)。由于该电路中电阻挡位动触片上恰好是表内电池(1.5V)的正极,所以只需在原Rx10K挡空位加装一个静触片。当动触片与此加装片接触时,从此点引出正1.5V供升压转换电路即可,参见图3,原Rx10k挡空位若有连接片则取下不用,将导线与原电路连通就可;该位若另有其他作用的静触片(一般触片在绝缘板下方),就小心把铆钉用锉刀锉平并取下待用。另在一闲置万用表上取一片长短相同的静触片(或自制),按图中将铆钉剪去一多半,两个触片在绝缘板上下安装。先把另找的(或自制)静触片放置在Rx10k挡原空位(绝缘板上方),用铆钉定位,再把本表中先前取下的那一片静触片同样方法置于该位下方,然后用强力AB胶粘牢上述两触片,固定在绝缘板上,适当调整上下各触片,使其与动触片在该挡位时相吻合,各尽其职。在新增Rx10k挡静触片尾端B’焊引一导线至升压电路B点,原绝缘板下方触片与它原线路连接。表中1.5V电池负端A’与升压电路A点相连,原9V电池负端C’对应升压电路的C点连接。
通过以上改动,安装后的500型系列的万用表已完全能摆脱9V叠层电池,使其只需一节电池就能完全正常工作,十分方便。
上一篇:如何对汽车电路基础元件进行检测
史海拾趣
|
#include __CONFIG (INTRC & PROTECT & MCLREN & WDTEN); const unsigned char cs @ 0x1FF; void DelayUs( int x) // 32US {while(--x!=0) { CLRWDT(); NOP(); unsigned ...… 查看全部问答> |
|
1、引言 医学超声诊断成像技术大多数采用超声脉冲回波法,即利用探头产生超声波进入人体,由人体组织反射产生的回波经换能器接收后转换为电信号,经过提取、放大、处理,再由数字扫描变换器转换为标准视频信号,最后由显示器进行显示。在基于FPGA+ ...… 查看全部问答> |
|
各位大侠,我用AVR ATMEGA16的UART来接收上位机串口调试助手发来的数据,假设为0x53,0x26,0x53,0x89,0x47,前面两个数据总是对的,然后第三位就接到了最后一个数据,中间的数据就丢失了。 接收中断程序如下: #pragma interrupt_handler uart_rx_ ...… 查看全部问答> |
|
请教9261的串口收发问题 我在核中添加了下面的代码: at91_register_uart(AT91SAM9261_ID_US1, 1, ATMEL_UART_RTS); at91_register_uart(AT91SAM9261_ID_US2, 2, ATMEL_UART_RTS); at91_register_uart(AT91SAM9261_ID_US3, 3, ATMEL_UART_RTS ...… 查看全部问答> |
|
编辑完对话框类后无法在EDIT里输入汉字; 还有请帮忙看看一下代码怎么修改 LOGFONT m_lf; //字体结构 strcpy(m_lf.lfFaceName,ipadress ); 报错:error C2664: \ ...… 查看全部问答> |
|
图为直接耦合共射放大电路~ 直流通路里有直流电源Vcc,可是交流通路里没有Vcc啊,负载线方程怎么会相同呢? 请最好把Uce和Ic的函数关系式即负载线方程写出来~… 查看全部问答> |
|
【美资“上海”和“成都”两地急招】DSP 工程师 (audio芯片) 请将中英文简历各一份发到邮箱:Recruiting.Chengdu@conexant.com 公司介绍:美国科胜讯国际有限公司是全球著名无工厂IC设计公司之一,在宽带通讯、企业网和数字家庭领域的芯片技术处于世界领导地位。科胜讯数字电视(成都)有限公司是美国科胜 ...… 查看全部问答> |




