历史上的今天
今天是:2024年12月17日(星期二)
2020年12月17日 | LED行业基波功率因数测试难点如何破解
2020-12-17 来源:EEWORLD
摘要:LED灯主打“节能、环保”,所以LED灯出厂前都会进行功率因数测试。但LED驱动电源输入电流是非正弦波,因此需要进行基波功率因数的测试,那么该如何正确进行此项测试?本文带你一探究竟。
一、为什么LED行业要测试基波功率因数?
功率因数通用定义是有功功率与视在功率之比。功率因数低,说明电路无功功率大。功率因数越低,供电设备的负荷越重,电网越不稳定。对于大功率的灯具来说,若功率因数低了,可能会造成:设备损耗大、电力设备超负荷、电网不稳定、谐波污染等问题。
在大家印象中,“功率因数由电压与电流之间的相位差决定,它的物理意义是指电压和电流之间相角差的余弦值”。如下图所示。

图1 电流电压相位角关系
注:![]()
以上关系只适用于“正弦波电路中”, 而如果在非正弦波电路中,功率因数与总谐波失真及基波功率因数有关,如在LED灯电路中。
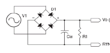
因为LED是一个半导体二极管,它需要直流供电,如果用市电供电的话,就一定会有一个整流器,通常是二极管整流桥。为了得到尽可能平滑的直流避免出现纹波闪烁,通常都需要加上一个大电解电容。而后面的LED可以近似为一个电阻,所以整个电路如图2所示。

图2 LED灯的等效电路
其各种电压电流波形如下图所示,其中
为输入交流电压,
为LED电路中整流二极管的充放电波形,
为输入电流波形。因其电流波形不是正弦波。所以整个系统是一个非线性系统。

图3 各种电压电流波形
通常电气设备的波形比较接近正弦波,谐波不多,大多数情况下基波电流
≈总电流
,输入电流失真系数λ≈1,
≈
,所以
可以等同为功率因数。
而在非正弦供电电路中,功率因数没有明确的物理意义,因此在LED行业这种非正弦供电电路中会关注的是基波功率因数
。
二、如何进行基波功率因数测试呢?
推荐测试设备1——PA5000H功率分析仪

图4 PA5000H
LED行业关注较多的则是电源的电压、电流、功率、谐波及功率因数,如何准确测量这些参数是首要解决的问题,PA5000H功率分析仪拥有0.05%功率测量精度,5MHz带宽以及丰富的谐波测量功能可以广泛应用于LED电源的研发与测试。
1. 丰富的电参数测量
如何提升功率因数一直是LED行业的难题,要提升功率因数就必须同时准确测量电源的各种电参数,PA5000H功率分析仪不仅可以针对非正弦系统直接测量出基波功率因数(PF1),还能实时显示电压电流波形,丰富的电参数显示项目可让用户分析电源的各种性能指标,可帮助用户提升功率因数设计提供强有力的数据支持。

图5 丰富的电参数显示
2. 双PLL源倍频技术
PA5000H功率分析仪通过引入双PLL硬件电路,使采样频率和信号频率同步,保证采样数据正好是信号周期的整数倍,消除频谱泄露,可以获得准备的谐波测量结果。

图6 双PLL源设置
3. 500次谐波测量
PA5000H功率分析仪带宽高达5MHz、采样率可达2MS/s,可以测量高达500次谐波,并有多种组合显示方式能同时显示各次谐波含量,为了方便用户进行更细致的分析,我们还设计了可以查看任一次谐波数值的功能,通过此功能,用户可以查看每一次谐波的数值。

图7 功率分析仪的谐波测试
推荐测试设备2——PA310功率计

图8 PA310
4. 基波功率因数直接测量
PA300系列功率计采用了纯硬件模拟滤波器与锁相环技术,谐波测量功能完全符合谐波测量国际标准IEC61000-4-7:2002,根据基波频率,电压、电流分别可测量到最高50次谐波,不论是总谐波畸变率 (THD),还是基波成分、基波功率因数、各次数的谐波含量、相位差、含有率等均可直接测量。

图9 谐波测试
功率测量精度高达0.1%,最小测量电流低至50µA,能够测量低至0.01W的功耗
功率计的基本测量精度可高达0.1%,由于双分流器技术的应用,可以保持分流电阻的温度稳态变化,降低温漂,可以实现从小电流到大电流测量时都能保证0.1%的功率测量精度。而且,在5mA量程下,PA310可以在最高0.01W的分辨率下执行测量,符合国际标准(IEC62301、能源之星、SPECpower)的测试。
标配PAM上位机软件,可实时监测和分析测量数据,且可通过标配的丰富通信接口USB、RS-232、GPIB和以太网接口上传至PC机。

图10 上位机测试分析
史海拾趣
|
难分伯仲的PLD双雄——Xilinx和Altera (二) 三、DSP变数 在过去一年左右的时间里,尽管Xilinx与Altera的收入都有增长,但是双方的争斗处于相对平静的状态。在2004至2005年期间,Xilinx的收入 ...… 查看全部问答> |
|
1 引言 测控系统常常需要处理所采集到的各种数字量信号。通常测控系统采用通用MCU完成系统任务。但当系统中采集信号量较多时,仅依靠MCU则难以完成系统任务。针对这一问题,提出一种基于FPGA技术的多路数字量采集模块。利用FPGA的I/O端口数多且可 ...… 查看全部问答> |
|
目前在市面上有多种定位系统,包括Zigbee、WiFi等,以及最新的CSS定位系统。从定位原理上分析,一般的定位系统都可以归纳到基于时间的系统、基于信号强度系统,而这两类系统都有着各自的共性。下面以这两种系统的典型代表CSS系统(基于时间)和Zi ...… 查看全部问答> |
|
目录第1章 简介.................................................................................................................1第2章 编译代码........................................................................................ ...… 查看全部问答> |
|
DA中settling time和update rate的关系 在DA的选型中我们经常发现settling time要大于update rate的倒数。快速率的转换, 需要短的output rising time 才能让输出能够跟上. settling time一般是指两个码之间的转换的rising time + 输出稳定到一定精度内的时间,一般是是输出最终稳定到0.1 ...… 查看全部问答> |
|
while(1) { Load_Sys_ICO3( ); // AI_LoadPicFile(\"0:/sg.bmp\",34,30,134,60); // AI_LoadPicFile(\"0:/qu.bmp\",168,30,223,60); // AI ...… 查看全部问答> |




