历史上的今天
今天是:2024年12月18日(星期三)
2020年12月18日 | 万用表测电压原理方法分析
2020-12-18 来源:elecfans
万用表测电压方法首先要将量程开关对准标有V的五档范围内(测试交流电压要对准交流电压的档位,测试直流电压时要对准直流电压的档位)。测量电压时,要把电表表笔并接在被测电路上。根据被测电路的大约数值,选择一个合适的量程位置。干电池每节最大值为1.5V,所以可放在5V量程档。这时在面板上表针满刻度读数的500应作5来读数。即缩小100倍。如果表针指在300刻度处,则读为3V。注意量程开关尖头所指数值即为表头上表针满刻度读数的对应值,读表时只要据此折算,即可读出实值。除了电阻档外,量程开关所有档均按此方法读测量结果。在实际测量中,遇到不能确定被测电压的大约数值时,可以把开关先拨到最大量程档,再逐档减小量程到合适的位置。测量直流电压时应注意正、负极性,若表笔接反了,表针会反打。如果不知遭电路正负极性,可以把万田表量程放在最大档,在被测电路上很快试一下,看笔针怎么偏转,就可以判断出正、负极性。
测220V交流电。把量程开关拨到交流500V档。这时满刻度为500V,读数按照刻度1:1来读。将两表笔插入供电插座内,表针所指刻度处即为测得的电压值。测量交流电压时,表笔没有正负之分。
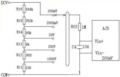
万用表测电压原理
1、直流电压转换电路
2、交流电压转换电路
上一篇:万用表电压档的规范使用
下一篇:动圈式话筒音头性能的简易判断
史海拾趣
|
一种改进的电压跟随PFCCukAC/DC变换器 随着半导体器件的发展,电力电子装置的大量应用,导致大量谐波电流涌入电网,污染电网,这一问题已引起了各国的重视。为了限制总的谐波含量(THD)以提高功率因数,制定了许多标准,如IEC1000?3?2。近年来,如 ...… 查看全部问答> |
|
本帖最后由 paulhyde 于 2014-9-15 09:50 编辑 哪位高手手头上有altera公司的FFT-v2.1.1 ipcore的介绍,麻烦发给我一份,不胜感激。 邮箱:hutiao-001@163.com … 查看全部问答> |
|
在移植2440的usb下载nk功能到2410的eboot中时: s3c2410a_usbd.c文件中:三个函数定义和实现 BOOL UbootReadData (DWORD cbData, LPBYTE pbData); BOOL InitUSB (); void Isr_Init(); main.c文件中: // For USB Download function. extern ...… 查看全部问答> |
|
我现在想用富士通的视频叠加MB90092芯片子屏显示功能,主屏可以正常显示。 子屏显示的字符为一段乱码,代码如下: void MB90092_DisChar (UCHAR x,UCHAR y,int addr,UCHAR mul,UCHAR bc,UCHAR cc,UCHAR ff) { ...… 查看全部问答> |
|
LPC1114到了,相机不在身边,拍不了照。呵呵! 前面已经我为他设计了一个舞台,该搭建了,让他在上面尽情的发挥。 [ 本帖最后由 zhdphao 于 2010-7-31 17:38 编辑 ]… 查看全部问答> |
|
是不是所有c8051f系列单片机(内部自带温度传感器),ADC在左对齐,单端方式下产生的代码与输入电压的关系都是这个方程式:CODE=Vin*(Gain/Vref)*2^16。还有输出电压与温度的关系式怎么有两个,Vtemp=2.5mV/C*Temp+0.603V和Vtemp=2.86mV/C*Temp+0. ...… 查看全部问答> |
|
【TI原创】基于LM3S8962的网络收音机(五) --- PC端发送程序 为了配合LM3S8962+VS1053的调试,从网上下载并修改了一个发送文件的程序,用来完成: 1. 网络下载存储播放; 2. 网络实时播放 为进一步实现网络收音机的功能打下结实的基础。 代码功能简单,如下所示: # ...… 查看全部问答> |




