历史上的今天
今天是:2024年12月25日(星期三)
2020年12月25日 | STM32 输入捕获功能
2020-12-25 来源:eefocus
01、STM32捕获功能
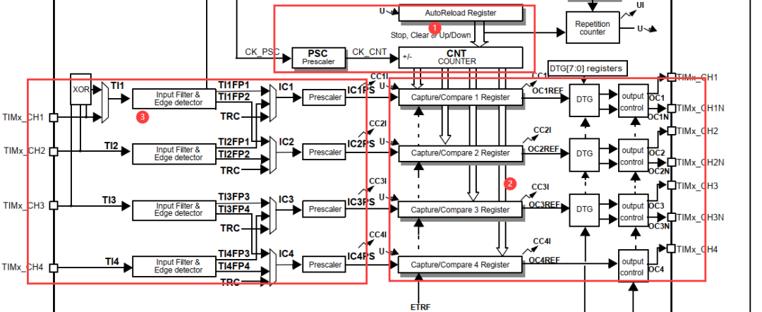
从STM32的定时器框图中看

①部分基础定时器模块,已经在《STM32基础定时器详解》讲解过了。
②部分捕获/对比通道模块,已经在《定时器的PWM功能》讲解过了。
③部分是本文的重点,输入捕获模块。
从上图可以看出定时器1共有4个输入捕获通道。
下文以定时器1的捕获通道2为例讲解。
首先确定下对应的GPIO,从STM32F207数据手册的Alternatefunction mapping看出,定时器1通道2对应的GPIO有PA9和PE11,下文将使用PE11。

02、输入捕获过程
输入阶段采样对应的对输入TIx,去产生滤波后的信号TIxF。然后极性选择边沿检测器产生一个信号(TIxFPx),这个信号可以被用于服务模式控制器的触发输入或在作为捕获命令。在捕获寄存器前被预分频。

输出阶段产生一个中间波形,被用于参考:OCxRef(高电平有效)。链地末尾末尾决定极0性。捕获/比较通道1 主电路。
①处主要是设置输入捕获滤波器,输入阶段采样对应的对输入TIx,去产生滤波后的信号TIxF。一般应用场景不做滤波处理,设置TIMx_CCMR1的ICF[3:0]=0000,只要采集到上升沿,就触发捕获。
②处主要是设置输入捕获极性,设置TIMx_CCER的CC1P或CC1NP位,如果通道配置为输出,为0表示高电平有效,为1表示低电平有效;如果配置成输入模式,该位选择是IC1还是IC1的反相信号作为触发或捕获信号。为0,表示不反相,为1表示反相。
③处设置输入捕获映射通道,设置TIMx_CCMR1的CC1S[1:0]位,这2位定义通道的方向(输入/输出),及输入脚的选择:
0o:CC1通道被配置为输出;
01:CC1通道被配置为输入,IC1映射在Tl1上;
10: CC1通道被配置为输入,IC1映射在TI2上;
11:CC1通道被配置为输入,IC1映射在TRC上。此模式仅工作在内部触发器输入被选中时(由TIMx_SMCR寄存器的TS位选择)。
④处设置输入捕获分频器,TIMx_CCMR1的ICPS[1:0]位和TIMx_CCER的CC1E位。
TIMx_CCMR1的ICPS[1:0]这2位定义了CC1输入(IC1)的预分频系数。一旦CC1E='O(TIMx_CCER寄存器中),则预分频器复位。
00:无预分频器,捕获输入口上检测到的每一个边沿都触发一次捕获;
01:每2个事件触发一次捕获;
10:每4个事件触发一次捕获;
11:每8个事件触发一次捕获。
TIMx_CCER的CC1E位
CC1通道配置为输出:
0:关闭一OC1禁止输出。
1:开启一OC1信号输出到对应的输出引脚。
CC1通道配置为输入:
该位决定了计数器的值是否能捕获入TIMx_CCR1寄存器。
0:捕获禁止;
0:捕获使能。
最后我们还需要设置中断,使系统快速响应输入捕获信号,主要是这只TIMx_DIER寄存器,如下:

使能允许更新中断和通道2中断

03、代码配置
设置GPIO复用
/* TIM1 channel 2 pin (PE.11) configuration*/
GPIO_InitStructure.GPIO_Pin = GPIO_Pin_11;
GPIO_InitStructure.GPIO_Mode =GPIO_Mode_AF;
GPIO_InitStructure.GPIO_Speed =GPIO_Speed_100MHz;
GPIO_InitStructure.GPIO_OType =GPIO_OType_PP;
GPIO_InitStructure.GPIO_PuPd =GPIO_PuPd_NOPULL;
GPIO_Init(GPIOE, &GPIO_InitStructure);
/*Connect TIM pins to AF2 */
GPIO_PinAFConfig(GPIOE,GPIO_PinSource11, GPIO_AF_TIM1);
设定定时基础功能
/* Time base configuration */
TIM_TimeBaseStructure.TIM_Period =0XFFFF;
TIM_TimeBaseStructure.TIM_Prescaler = (uint16_t)((SystemCoreClock) / 1000000) -1;
TIM_TimeBaseStructure.TIM_ClockDivision =TIM_CKD_DIV1;
TIM_TimeBaseStructure.TIM_CounterMode =TIM_CounterMode_Up;
TIM_TimeBaseInit(TIM1,&TIM_TimeBaseStructure);
配置通道2
TIM_ICInitStructure.TIM_Channel =TIM_Channel_2;
TIM_ICInitStructure.TIM_ICPolarity =TIM_ICPolarity_Falling;
TIM_ICInitStructure.TIM_ICSelection =TIM_ICSelection_DirectTI;
TIM_ICInitStructure.TIM_ICPrescaler =TIM_ICPSC_DIV1;
TIM_ICInitStructure.TIM_ICFilter =0x0;
TIM_ICInit(TIM1, &TIM_ICInitStructure);
使能中断
/* Enable the TIM1 global Interrupt*/
NVIC_InitStructure.NVIC_IRQChannel =TIM1_CC_IRQn;
NVIC_InitStructure.NVIC_IRQChannelPreemptionPriority= 0;
NVIC_InitStructure.NVIC_IRQChannelSubPriority =1;
NVIC_InitStructure.NVIC_IRQChannelCmd =ENABLE;
NVIC_Init(&NVIC_InitStructure);
NVIC_InitStructure.NVIC_IRQChannel =TIM1_UP_TIM10_IRQn;
NVIC_InitStructure.NVIC_IRQChannelSubPriority= 2;
NVIC_Init(&NVIC_InitStructure);
/* Enablethe CC2 Interrupt Request */
TIM_ITConfig(TIM1,TIM_IT_CC2|TIM_IT_Update, ENABLE);
使能定时器1
/* TIM enable counter */
TIM_Cmd(TIM1, ENABLE);
下载代码验证测试
上一篇:STM32触摸按键
下一篇:STM32 影子寄存器
史海拾趣
|
8. 第八章 dScope for Windows使用详解 1. 第一节 概述 1. 1. 主窗口(Mainframe Window) 可设置其它各种调试窗口,设置断点、观察点,修改地址空间,加载文件等等; 2. 2. 调试窗口(DEBUG Window) 支持用户程序的各种显示方式,可连续运行 ...… 查看全部问答> |
|
[求助]关于直接通过I/O接口访问硬盘数据的可能性及思路的探索。 这个问题大概是这样的: 在OS里要访问硬盘上的数据要经过文件系统,现在我想不经过文件系统,直接对硬盘上的数据进行读写。 我的思路来自于市场上的硬盘播放器(就是可以直接播放硬盘里的多媒体文件的设备)。查了一 ...… 查看全部问答> |
|
小弟在研究硬盘电机的驱动,我曾试过用小功率管9013,8050,8550等等来搭成达林顿管子,但是驱动电机的时候发热严重,而且明显有气无力...虽然能转...在网上找了很久,想用场效管IRF540N来驱动,但是不知道电路如何搭建...求各位高手,走过路过的能 ...… 查看全部问答> |
|
求助,哪位告诉能指点下, 在8962上面使用lwip 如何实现不同网段的能够连接啊???就是公司网络 192.168.1.12的电脑 可以 ping通 192.168.2.2的电脑但是我的板子 192.168.1.10 ping不同 192.168.2.2的电脑… 查看全部问答> |
|
大三嵌入式又要分方向了, ARM 、 PCL、 单片机,感觉吧....就是没感觉,有没有前辈给这三个方向的发展,优缺点,就业情况分析一下啊? 小弟先谢谢了....!!! … 查看全部问答> |




