历史上的今天
今天是:2025年01月04日(星期六)
2021年01月04日 | 继电器的识别与检测
2021-01-04 来源:elecfans
继电器是一种常用的控制器件,它可以用较小的电流来控制较大的电流,用低电压来控制高电压,用直流电来控制交流电等,并且可实现控制电路与被控电路之间的隔离,在自动控制、遥控、保护电路等方面得到广泛的应用。常用的继电器见图1。

继电器常规的检测方法
一般常用的继电器有功率继电器、电磁继电器,固态继电器,时间继电器,温度继电器等,而继电器是利用电流的效应来闭合或断开电路的设备,用于主动维护和主动控制。在大多数的状况下,继电器即是一个电磁铁,这个电磁铁的衔铁能够闭合或断开一个或数个接触点。当电磁铁的绕组中有电流通过期,衔铁被电磁铁招引,因而就改变了触点的状况。
现在我们为大家简略介绍一下继电器的检测方法:
检测继电器线圈:将万用表调至“R*100”“或R*1K”档,两表笔(不分正负)接继电器的两引脚,万用表指示应与该继电器的线圈电阻根本相符,假如阻值显着偏小,则阐明线圈有些短路,假如阻值为零,阐明两线圈引脚间短路;如阻值为无穷大,阐明该线圈已断路,以上三种状况都阐明该继电器现已损坏。
检测继电器接点:给继电器线圈接上规则的作业电压,用万用表“R*1K”挡检测接点的通断状况,未加上作业电压时,常开接点应不通,常闭接点应导通,,当加上作业电压时,应听到继电器吸合声,此刻常开点应导通,常闭点应不通,转换接点应随之转换,不然阐明该继电器损坏,对於多组接点继电器,假如有些接点损坏,其余接点动作正常则仍可运用。
1、测触点电阻
用万能表的电阻档,测量常闭触点与动点电阻,其阻值应为0,而常开触点与动点的阻值就为无穷大。由此可以区别出那个是常闭触点,那个是常开触点;
2、测线圈电阻
可用万能表R×10Ω档测量继电器线圈的阻值,从而判断该线圈是否存在着开路现象;
3、测量吸合电压和吸合电流
找来可调稳压电源和电流表,给继电器输入一组电压,且在供电回路中串入电流表进行监测,慢慢调高电源电压,听到继电器吸合声时,记下该吸合电压和吸合电流,为求准确,可以试多几次而求平均值;
4、测量释放电压和释放电流
也是像上述那样连接测试,当继电器发生吸合后,再逐渐降低供电电压,当听到继电器再次发生释放声音时,记下此时的电压和电流,亦可尝试多几次而取得平均的释放电压和释放电流,一般情况下,继电器的释放电压约在吸合电压的10~50%,如果释放电压太小(小于1/10的吸合电压),则不能正常使用了,这样会对电路的稳定性造成威胁,工作不可靠。

继电器的识别与检测方法图解
继电器的文字符号为“K”,图形如图2所示。在电路图中,继电器的接点可以画在该继电器线圈的旁边,或在远离该继电器线圈的地方,而用编号表示它们的彼此关系。

继电器的接点多种多样,可分为单组接点继电器和多组接点继电器两大类。其中,单组接点继电器又分为常开接点(动合接点,简称H接点)、常闭接点(动断接点,简称D接点)和转换接点(简称Z接点)三种(图3)。多组接点继电器既可以包括多组相同形式的接点,又可以包括多组不同形式的接点。

继电器参数有额定工作电压、额定工作电流、线圈电阻、接点负荷等。额定工作电压是指继电器正常工作时线圈需要的电压,对于直流继电器是指直流电压(图4a),对于交流继电器则是指交流电压(图4b)。同一种型号的继电器往往有多种额定工作电压以供选择,并在型号后面加以规格号来区别。

额定工作电流是指继电器正常工作时线圈需要的电流值。线圈电阻是指继电器线圈的直流电阻。选用继电器时必须保证其额定工作电压和额定工作电流符合要求(图5)。

接点负荷是指继电器接点的负载能力,也称为接点容量。例如,JZX-10M型继电器的接点负荷为:直流28V×2A或交流115V×1A。使用中通过继电器接点的电压、电流均不应超过额定值,否则会烧坏接点,造成继电器损坏。一个继电器的多组接点的负荷一般都是一样的(图6中的K-1)。

电磁式继电器是最常用的继电器之一,其结构示于图7。它是利用电磁吸引力推动接点动作的,由铁芯、线圈、衔铁、动接点、静接点等部分组成。平时,衔铁在弹簧的作用下向上翘起。当工作电流通过线圈时,铁芯被磁化,将衔铁吸合向下运动,推动动接点与静接点接通,实现了对被控电路的控制。根据线圈工作电压的不同,电磁式继电器分为直流继电器、交流继电器和脉冲继电器等类型。

电磁式继电器具有1对线圈引脚和若干组接点引脚。密封电磁继电器通常将引出端示意图标示在继电器上,如图8所示。

电磁式继电器可以用万用表进行检测。万用表置于“R×100”或“R×1k”挡,两表笔(不分正、负)接继电器线圈的两引脚(图9所示),万用表指示应与该继电器的线圈电阻基本相符。如阻值明显偏小,说明线圈局部短路;如阻值为0,说明两线圈引脚间短路;如阻值为无穷大,说明线圈已断路或引脚脱焊。

检测继电器接点:给继电器线圈加上规定的工作电压,用万用表“R×1k”挡检测接点的通断情况(图10所示)。未加电时,常开接点不通,常闭接点导通。加电时,应能听到继电器吸合声,这时,常开接点导通,常闭接点不通,转换接点应随之转换。否则说明该继电器损坏。对于多组接点继电器,如果部分接点损坏,其余接点动作正常则仍可使用。

干簧式继电器也是最常用的继电器之一,它由干簧管和线圈组成,如图11所示。干簧管是将两根互不相通的铁磁性金属条密封在玻璃管内而成,干簧管置于线圈中。当工作电流通过线圈时,线圈产生的磁场使干簧管中的金属条被磁化,两金属条因极性相反而吸合,接通被控电路。在线圈中可以放入若干个干簧管,它们在线圈磁场的作用下同时动作。

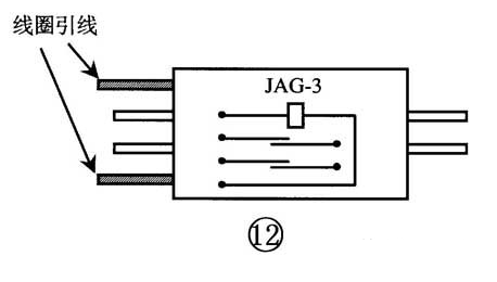
干簧式继电器具有1对线圈引脚和若干对干簧管引脚,在其外壳上均有相应标志,容易识别(图12)。

干簧式继电器同样可以用万用表对其线圈和接点进行检测,检测方法与电磁式继电器相同(图13)。

固态继电器(简称为SSR)是一种新型的继电器,是采用电子电路实现继电器的功能,依靠光电耦合器实现控制电路与被控电路之间的隔离。固态继电器可分为直流式和交流式两大类。直流式固态继电器见图14,控制电压由IN端输入,通过光电耦合器将控制信号耦合至被控端,经放大后驱动开关管VT导通。固态继电器输出端OUT接入被控电路回路中,输出端OUT有正、负极之分。

交流式固态继电器电路原理如图15所示。与直流式不同的是,开关元件采用双向晶闸管VS,因此交流式固态继电器输出端OUT无正、负极之分,可以控制交流回路的通断。

固态继电器输入端可以用万用表检测,方法是:万用表置于“R×10k”挡,黑表笔(即表内电池正极)接SSR输入端的正极,红表笔(即表内电池负极)接SSR输入端的负极,表针应偏转过半(图16)。将两表笔对调后再测,表针应不动。如果无论正向接入还是反向接入,表针都偏转到头或都不动,则该固态继电器已损坏。

也可以按图17搭一测试电路。当接通SSR输入端的控制电压时,发光二极管VD亮;当切断SSR输入端的控制电压时,发光二极管VD灭。

继电器的主要作用是间接控制和隔离控制。图18为继电器用于声控电灯开关,这是弱电控制强电的典型例子。当话筒BM接收到声音信号时,经放大后使继电器K吸合,接点K-1接通电源,照明灯EL点亮。

图19为继电器用于扬声器保护电路,这是隔离控制的典型例子。功放输出端(L或R端)如果出现直流电压,被扬声器保护电路检测放大后,使继电器K吸合,K-1和K-2(均为常闭接点)断开,切断了功放输出端与扬声器的连接,保护了扬声器。采用继电器控制扬声器的通断,使保护电路与音频电路完全隔离,确保了高保真的音质。

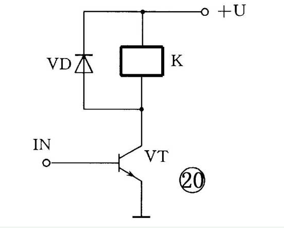
由于继电器线圈是一个大电感,为避免驱动继电器的晶体管损坏,使用中应在继电器线圈两端并接保护二极管,如图20所示。VT关断的瞬间,继电器线圈K产生的反向高压可以通过保护二极管VD泄放,保护了开关管VT不会被反向高压所击穿。
上一篇:电容器的检测方法与经验
下一篇:电机好坏的判断方法
史海拾趣
|
想听听各位高人的意见! 回答一: Verification: Software: use EDA like HDL simulation and ATPG to verify HDL and gate function. Hardware: use different instrument to verify IC function. Testing: Actually use tester to testing ...… 查看全部问答> |
|
GPS定位系统是美国从本世纪70年代开始研制,历时20年,耗资300亿美元,于1994年全面建成, 具有在海、陆、空进行全方位实时三维导航与定位能力的新一代卫星导航与定位系统,还提供实时、全天候和全球性的导航服务,并用于情报收集、 核爆监测和应 ...… 查看全部问答> |
|
目录: 绪论 第一章 非谐振功率放大器 第二章 谐振功率放大器 第三章 正弦波振荡器 第四章 模拟相乘器和混频电路 第五章 振幅调制与解调电路 第六章 角度调制与解调电 ...… 查看全部问答> |
|
定做1000个4G U盘要求如下 硬件写保护 1,U盘不能复制不能写入, 2,可以做U盘启动程序 3,最好能做到DOS下也不能复制 也不能用ghost克隆 克隆的意思也是复制 就像写保护那样不能复制只能读 我的手机:15305648313 王 ...… 查看全部问答> |
|
同志们帮俺看看吧,按又遇到难题了,自己能力有限,只能求救了,阿米托佛…… 我用keil c编写程序后出现一系列警告, send_peli.c(99):warning c258:\'num2\':mspace on parameter ignored ***warning l16:uncalled segment,ignored for overlay ...… 查看全部问答> |
|
handle= CreateFile();//打开一个路径中指定的文件 point= SetFilePointer();//point是指向文件的头指针 point= point+5; byte* a=point; a现在是指向文件第5个字节吗? 谢谢… 查看全部问答> |




