历史上的今天
今天是:2025年01月13日(星期一)
2021年01月13日 | 车载充电器OBC选择DAB还是CLLLC
2021-01-13 来源:EEWORLD
为了优化电动汽车(EV)的功率,车载充电器(OBC)必须高效,重量轻且尺寸小。
OBC需要支持适当的并网(G2V)电压和电流电池充电算法;因此,它用作电网和EV之间的功率调节接口(图1)。此外,它必须能够从车辆到电网(V2G)供电,以便电动汽车可以为电网进行反向充电。

图1 OBC需要支持适当的电网到车辆(G2V)电压,并可实现车辆到电网(V2G)提供电源。
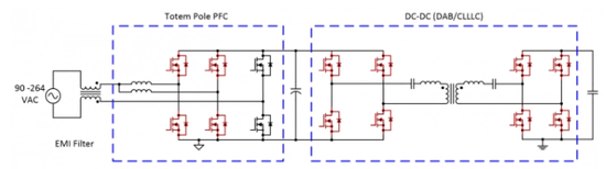
要使EV内部的电网与高压电池之间的接口便利化,需要电磁干扰(EMI)滤波器,功率因数校正(PFC)和隔离的DC / DC功率级。图2说明了这种体系结构。

图2此简化原理图显示了OBC如何用作电网和电池之间的接口。
讨论的范围仅限于DC / DC阶段。在撰写本文时,DC / DC级的两个流行选择是电容器-电感器-电感器-电感器-电容器(CLLLC)和双有源电桥(DAB)拓扑(图3和图4)。两种选择都可以实现较小的解决方案尺寸,并提供必要的G2V和V2G电源需求。

图3该原理图显示了CLLLC的基本拓扑。

图4该原理图显示了DAB拓扑。
最大化OBC性能并最小化其尺寸
要了解这两个拓扑选项如何影响OBC的大小和性能,让我们进一步将范围限制在电池充电阶段(即G2V),考虑如何通过提供开关的最大电池功率来最大程度地减少充电时间可以忍受。例如,请考虑以下操作条件下的开关:
PDISS = 20W
ϑJA = 3°C / W
TA = 65°摄氏度
根据等式1,开关的TJ = 125°C:
TJ = PDISS⋅ϑJA + TA(1)
此设计中的开关不能承受超过125°C的温度。因此,这种情况代表了OBC在不影响开关的情况下可以提供给电池的最高功率水平。目的是最大程度地减少开关中的功耗并尽快给电池充电。
驱动开关功率损耗的主要因素有两个:均方根(RMS)电流和开关保持零电压开关(ZVS)的能力。
德州仪器(TI)的GaN开关具有低电容,快速导通和关断的特性,因此该转换器能够以比硅更高的开关频率工作。更高频率的操作直接影响电抗组件的尺寸,并导致变压器,电感器和电容器更小。首先,为DAB和CLLLC建立基线设计,然后探索电路增强功能,以扩展转换器的ZVS范围。
基准DAB和CLLLC性能比较

表1概述了OBC的基本要求。
为DAB和CLLLC创建详细的设计有助于确定最可行的设计。这样做的过程超出了本讨论的范围。但是,电路仿真最适合于充分估算开关中的损耗并验证是否符合整体功能。将模拟器配置为在不同的功率水平以及输入和输出电压下以批处理模式运行,并测试了不同的DAB和CLLLC电感器,电容器以及匝数比值。在每次模拟运行中,收集有关VIN,VOUT,开关功率,RMS电流和开关ZVS条件等参数的数据。表2总结了两种优化的拓扑设计。

DAB和CLLLC设计元素表
图5说明了显着的仿真结果。虽然每个拓扑中有八个开关,但这些图仅绘制了功率损耗最高的开关。对于每个开关,都有三个图。首先是总损耗。第二个是通过该开关的RMS电流。最右边的第三张图显示了给定的GaN开关导通时最坏情况的漏极-源极电压。该电压越高,该开关的损耗就越大。因此,开关的RMS电流及其保持ZVS的能力代表了设备功耗的最大部分。

图5 仿真结果显示RMS和ZVS基准CLLLC和DAB的条件。
有了这些事实并仔细检查了数据,很明显CLLLC能够在更广泛的操作范围内维持ZVS。因此,增强型ZVS可以降低CLLLC开关的功耗。话虽如此,DAB在6.6 kW的工作功率下具有出色的性能,这归功于良好的ZVS和在大多数范围内减小的RMS电流。这些观察结果表明,正在寻找一种在不对RMS电流产生不利影响的情况下改善ZVS的方法。
用换向电感器改善ZVS
图6和图7显示了与图3和图4相同的CLLLC和DAB电路,并在拓扑中添加了额外的电感器(以黄色突出显示),以提供在较宽的工作范围内维持ZVS所需的额外电流。现在,考虑一种情况,这些额外的电感器一直都在工作。

图6 示意图显示了带有换向电感的CLLLC。

图7 示意图显示了带有换向电感的DAB。

表3列出了新电感的值,并为方便起见重复了其他参数。
表3具有换向电感器(LC)值的DAB和CLLLC设计
图8显示了重复图5中的仿真后的结果。

图8 每个电路的RMS和ZVS结果显示了LC的影响。
在这种情况下,请注意,DAB能够在整个工作条件范围内实现完整的ZVS。 GaN开关的VDS在接通时始终为0V的事实清楚地说明了这一点。 CLLLC虽然未实现完整的ZVS,但能够实现显着改进的ZVS。但是,还请注意,ZVS的改进以两种拓扑结构的RMS电流为代价。仅从功率损耗来看,似乎DAB转换器在大多数范围内都具有优势。
请先将图8与图5进行比较,您会注意到,在某些条件下,换向电感器实际上会使损耗更糟。这就引出了一个问题——是否有可能创建一种混合方法,使您能够同时实现图5和图8所示的最低损失?
最大程度地减少损失
换向电感器保持ZVS的更大范围的工作条件。当转换器无法维持ZVS时,这将带来巨大的好处。换向电感器的问题在于,只有在否则会丢失ZVS的情况下,它才能改善损耗。如果转换器已经在ZVS中,则换向电感器会增加电流,这会导致开关中的更多损耗。
这种思考过程导致了对混合方法的探索,在这种方法中,换向电感器在较重的负载下保持关闭状态,而在较轻的负载下接通。图9显示了使用这种方法重复进行仿真之后的结果,这使设计能够利用每种拓扑在重载下的较低RMS电流和自然ZVS能力。
我小心地仅增加了足够的换向电感和工作时间,以适合开关的热范围,以防止不必要的RMS电流流到开关或不必要的解决方案尺寸。请注意,DAB转换器在工作范围内无法实现完整的ZVS。 ZVS条件已大大改善,但只需要保持在前面讨论的20 W开关目标之内即可。

图9 使用混合方法的RMS和ZVS结果。
为了更好地可视化,图10总结了每种情况下的功率损耗。您可以看到,DAB转换器在开关的功率损耗方面具有明显的优势。

图10每种情况下的功率损耗摘要有助于直观地权衡取舍。
为了更好地说明这两个转换器之间的性能,图11重新格式化并绘制了图10所示的数据。该图显示了每个转换器可以提供的最大功率,假设开关不能安全地耗散超过20 W的功率。请记住,20 W是开关可以承受的最大损耗,并且仍将结温保持在125°C以下。

图11该图显示了每个转换器可以提供的最大功率。
CLLLC或DAB更好吗?
如图11中的蓝线高于红色的事实所证明,与CLLLC相比,DAB转换器可在整个范围内提供更多的功率。这使人们很容易假设DAB是明显的赢家。但是,请记住最小的尺寸和重量这是OBC的核心要求。 DAB转换器需要两个额外的电感器,而CLLLC仅需要一个。 我认为,这使CLLLC获胜。
像工程学中的大多数事物一样,最好的选择几乎总是要权衡需求。 巨大的优势是免费提供的,这种情况很少见,在这种情况下也是如此。 对我而言,CLLLC似乎好于DAB,因为它似乎具有明显的尺寸优势。
本文作者:Brent McDonald是TI电源设计服务团队的系统和应用经理。
史海拾趣
|
汽车转向泵是一种中高档汽车的零部件,它由多种零件组成,需要借助不同的设备,按照一定的工序把它们组装起来。在整个过程中,不仅要完成基本的装配,还要对过程中诸如压力、位移、时间等参数进行实时监控,以满足工艺所提出的严格要求,保证装配质 ...… 查看全部问答> |
|
我一直在找这个软件,也下过很多次,可总是会出些毛病,导致安装不了,如下载的文件不齐全,或下载的解压不了。现在要急用,只能在论坛里求助各位大侠帮帮忙,把你们的Modelsim软件SE破解版本及license文件软件分享下,如果可以的话顺便也发下synpl ...… 查看全部问答> |
|
3.3.3 信号线布在电(地)层上 在多层印制板布线时,由于在信号线层没有布完的线剩下已经不多,再多加层数就会造成浪费也会给生产增加一定的工作量,成本也相应增加了,为解决这个矛盾,可以考虑在电(地)层上进行布线。首先应考虑用电源层,其次 ...… 查看全部问答> |
|
各位大哥: 最近在研究用 IO 来做键盘, 有几个问题不明白, 1、很多IO键盘驱动都是使用中断来实现,比如 4X4 的要 4 个中断,首先创建一个事件,然后启动一个线程, 通 ...… 查看全部问答> |
|
大家好: 请问PRO/E野火版怎么安装?安装时要把什么来代替一下吗?本来想把安装的界面的图传上来不知道怎么搞,还是请大家帮忙看下 1. boot up your pc with windows 2. start pro/e setup 3. open ptc_licfile.dat with your fa ...… 查看全部问答> |
|
不知有谁做过wince下的directshow,我在实验的时候,发现demo里面的dump例子只要一在graphedt中点击它, graphedt就会死掉,不能谈出保存文件的对话框,其他 的例子都好用,发现是 STDMETHODIMP CDump::NonDelegatingQueryInterface( ...… 查看全部问答> |
|
作为一种具有巨大发展潜力的光源,LED的长寿命、牢固的结构、较低的功耗和灵活的外形尺寸等优点受到了人们越来越多的关注,近几年,LED特别是单色LED被广泛地应用于大屏幕、信号灯和景观照明中。随着LED技术的不断发展,白光LED的光效、显色性、色 ...… 查看全部问答> |
|
我是430小白,只求各位慷慨解囊帮帮我。 boss让我这个月做出A/D和D/A调试,可是其它事情耽误了一些时间,马上就13年啦???!! 买了力天的开发板和仿真器,f149的,求问,我该 怎么么办啊!!!从哪步开始做?说的详细你骄傲,说的明白你自豪!… 查看全部问答> |




