历史上的今天
今天是:2025年01月13日(星期一)
2021年01月13日 | 51单片机矩阵式键盘的编程方法
2021-01-13 来源:eefocus
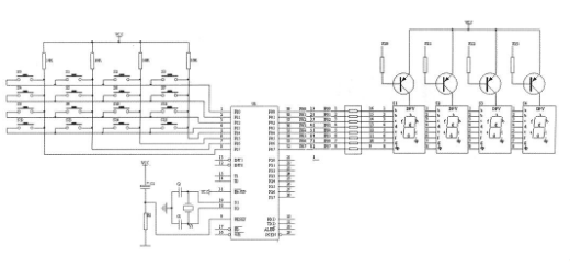
根据电路原理图,键盘扫描方法是:行线P1O~P13为输出线,列线P14~P17为输入线。一开始单片机将行线(P1O-P13)全部输出低电平,此时读入列线数据,若列线全为高电平说明没有键接下,若有列线为低电平则调用延时程序来去除按键抖动。延时后再读入列线看是否有低电平,如果列线数据还是有低电平,说明确实有键接下,接下来便是确定键值。下面以第二行的S5键为例,看接下S5后我们应该怎么得到这个键值。当判定确实有键接下之后,将行线轮流置为低电平,根据读入列线的数据可以确定键值。首先,单片机将P1O置为低电平,P11~P13置为高电平,此时读出的列线数据全为高电平,说明第一行没有键接下;接着单片机将P11输出低电平,P1O、P12、P13置为高电平,再读列线数据,此时的列线数值为1011(OxOB),即P11与P15交叉点上的按键S5被接下,而OxOB就代表S5的键值了。转到S5键功能处理子程序就可以达到目的。

2.程序流程
软件流程图如下图所示。51单片机综合学习系统资源丰富,板内有:8位LED数码管、32路LED、4x4矩阵键盘、4个直控按键盘、蜂鸣器喇叭、继电器试验、I2C总线接口、SPI总线接口、l60x液晶、l28x64液晶、红外接收头接口、支持PS/2接口的104键标准键盘、步进电机驱动接口、ADCO832模/数转换接口、PC817光电耦合器、串行时钟芯片DSl302、温度传感器DSl8B2O按口、RS232串口通讯、外扩展接口等,可以方便地接更多的实验资源。

3. 软件代码
相关的软件代码如下:
/* 矩阵键盘测试程序*/


下一篇:51单片机串行通信的原理解析
史海拾趣
|
我是学绘编的,可是我上次上传的18B20和12864显视有人问我有没有 C的,可是那是我自己编的,我又不会,就说没有了,现在我想在学学C,之后把我自己写的用二种语言编,就不会在有人要C的了。 我想学用C语言编51,谁有好点的学习资科推见几个。… 查看全部问答> |
|
在wm6.5下用DirectShow开发抓图程序,使用 PIN_CATEGORY_STILL,程序运行后,使用后置摄像头抓图,输出正常,当切换至前摄像头,图像重叠,不知为何,各位指点下!谢谢… 查看全部问答> |
|
大家好,请问谁用过MAX3420的USB芯片呢?有问题请教。 大家好,请问谁用过MAX3420的USB芯片呢?有问题请教。 以往的USB芯片没有安装驱动时候直接连接到计算机上会提示发现新硬件,我手里这个MAX3420芯片连接到主机后,什么提示都没有,但也不应该是芯片坏了。在设备管理器中也看不见这个设备,好奇怪, ...… 查看全部问答> |
|
高分求救!EVC应用程序无法下载到目标板上去!!!这个问题困扰我3天了!!! 以前我的目标平台是X86的,可以在PB里通过网线下载景象到目标板上,系统启动后也可以在EVC里下载程序到目标板上运行,在EVC里我是这样设置的 : Tools->Configure PlatForm Manager->Mydevice->KITL,CESH。完全是可以的。 可是,后来我在一台S3C2 ...… 查看全部问答> |
|
LED光源的技术日趋成熟,每瓦发光流明迅速增长,促使其逐年递减降价。以1W LED光源为例,2008年春的价格已是2006年春的价格三分之一,2009年春将降至2006年的四分之一。 LED绿色灯具的海量市场和持续稳定数年增长需求将是集成电路 行业继V ...… 查看全部问答> |




