历史上的今天
今天是:2025年01月14日(星期二)
2021年01月14日 | 在轻度混合动力汽车中如何利用功率模块和宽禁带实现双电池管理
2021-01-14 来源:安森美半导体
为了应对气候变化,降低出行压力,国家出台了一系列的政策,包括实施了”国六“的排放标准,外界把”国六“排放称作” 史上最严“排放标准。事实上,自从“国六”标准推行以来,很多车主表示,尾气排放是减少了一半,但汽车动力也明显比以前减少了,甚至油耗都增加了。汽车减排降油耗势在必行。为实现这一目标,其中一种方式就是采用混合动力,即在汽油或柴油车辆的传动链中添加一个由第二个电池驱动的电动机。


传统的电子化采用一个高压电池,电压通常在 300~400 V 之间的,耦合至高性能电动机。这些“全混合动力”汽车可显著提高燃油效率,但也会大大增加成本和车身重量。而“插电式”混合动力汽车,即电池通过交流电源插座充电,也具有类似的缺点。
一种替代方案是“轻度混合动力汽车”(MHEV),它采用 48 V 小型电池驱动电动机,既可以实现更快的加速和更大的低端扭矩,同时仍能提高燃油经济性,并且只会适度提高成本和复杂度。轻度混合动力系统的优势备受广大消费者的青睐,据 IHS Markit 分析师预测,到 2025 年,48 V 轻度混合动力汽车将占据混合动力汽车销量中的近 50%。48 V 系统的成本更低,因此也对汽车制造商极具吸引力。
增加了 48 V 锂离子电池意味着 MHEV 为双电压汽车,这也造成了其独有的设计挑战,主要在如何在管理电池充放电循环的同时维持系统效率。在本文中,我们将讨论这些挑战,并探讨使用汽车功率模块以及基于宽禁带技术的新型宽带隙晶体管能为功率转换器带来哪些益处。
48 V 架构
最基本的混合动力系统(参见下方图片)包括电池、集成起动发电机 (ISG) 、48 V 至 12 V 转换器以及 1 个或多个 48 V 负载,就如一个稳定系统。由于 48 V 轻度混合动力系统保留了 12 V 电池和多个 12 V 负载,所以这些系统将在可预见的未来继续采用双电压架构。

48 V 轻度混合动力系统
ISG 负责车辆的动力供应、车辆启动以及制动期间的能源回收。
除了没有 12 V 交流发电机,系统的 12 V 电池部分保持原样。由于 ICE 中没有 12 V 电源发电机,因此需要使用双向转换器实现 48 V 系统与 12 V 系统之间的电源转换。
MHEV 双向转换器工作模式
该双向转换器具有多种工作模式。在车辆启动期间,ISG 由 48 V 锂离子电池供电。如果 48 V 电池电量不足或无法提供足够的电力(例如,由于低温),转换器将在升压模式下工作,利用 12 V 电池提供额外的启动电流。通常情况下,发动机启动 / 停止功能将被禁止,直至所有系统均达到正常的工作温度,此时车辆将开始正常重新启动。
当车辆达到正常温度并正在行驶,但无需额外加速时,转换器将在降压模式下工作,以便使用 48 V 电池为 12 V 电池充电,并为 12 V 负载供电。当需要额外电力时,转换器将再次切换至升压模式,以便为 ICE 提供补充电力,降低燃油消耗和整体排放量。
转换器拓扑结构
48 V 至 12 V 转换器通常具有(1~3) kW 的宽功率范围。为了在此范围内保持高能效,多级交错式降压 - 升压转换器是最受欢迎的选择。
降压拓扑结构提供压降,在本例中为 48 V 至 12 V 的压降,而升压拓扑结构提供相反的功率转换。同步拓扑结构在 2 种模式下使电源开关在大部分时间内保持全开状态,从而提高转换器的总体效率。
多相交错式设计并联连接几个相同的转换器相位(单相示例参见下方图片“双向转换器 - 单项”),以此充当单个高功率转换器。在重载情况下,所有相位都工作,但在轻载期间,可使用电池断路开关关闭一些负载,从而降低损耗,提高效率。每个相位都会产生相位角略有不同的输出电流,从而减少了输出电容的纹波。使用交错式转换器,而非单个大型转换器,意味着每个相位的电流都更小,从而减少电源开关、导体和电感上的应力(参见下方图片“配置中的多相降压 - 升压转换器")。

双向转换器 - 单相

交错式配置中的多相降压 - 升压转换器
此类转换器中的主要模块包括电源断路开关、降压 - 升压半桥、电流感测级、主电感和负载断路开关。
同步降压 - 升压转换器实际上是将两个开关电路合并成单级电路。电源开关控制主能量转换元件(电感)中的电流流动。电感电流是需要控制的主要变量,因为它对确保出色的系统精度至关重要。
电感电流的方向决定了电源电流方向,从而决定了接收电流的电池。系统控制器通过生成适当的开关模式来确定电流方向(参见下方图片)。

基本的降压 - 升压转换
转换器设计
表 1 中概述了所需的主要电路元件。电源断路级和负载断路级都可使用分立式 MOSFET 或集成式 MOSFET 功率模块。这些级的主要用途就是通过使用背靠背开关配置,将每个交错级的输入和输出分别与其他级以及 48 V(源)和 12 V(负载)电池隔离开来。由于这些 MOSFET 均在浮动电压电势下工作,每个器件均由具有高压侧驱动功能的栅极驱动器控制。MOSFET 可能需要保持更长时间的导电性,因此必须能够 100%及时导电。
表 1 适用于双电压 MHEV 系统的降压 - 升压转换器主要功能模块

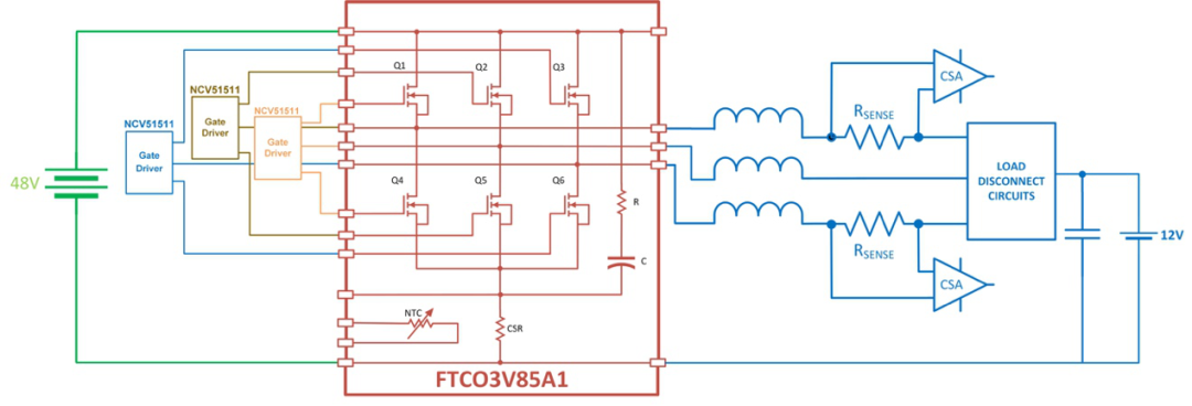
降压 - 升压级是转换器的核心,包含两个采用半桥配置且连接至功率电感的 MOSFET 器件。这些 MOSFET 必须由可单独封装或联合封装至双驱动器 IC 中的高压侧和低压侧栅极驱动器控制。或者,可使用小型汽车功率模块 (APM) (参见下方图片)实现该级。

基于汽车功率模块的设计
安森美半导体的这款集成式功率模块采用符合 AEC 要求的小型封装,具有低热阻、低内部电阻和更高的 EMI 性能。该实现中未使用电源断路电路;对于个别的相位隔离,可以使用负载断路电路。
主功率电感存储每个转换器相位的能量,并将传输至任一电池。转换器控制器负责控制两个确定电流方向的主开关。为了使该级正常运行,必须准确地测量电流,以适当地调整主电感电流。最好使用基于分流电阻的电流感应放大器,因为其误差极低。
通过使用高精度分流电阻,我们可以测量非常小的差分电压,通常为几十或几百 mV,而分流电压本身可以在 0~48 V 对地电压之间变化。这种巨大的差异意味着,放大器必须放大较小的差分信号,并提供较高的共模电压抑制比,同时能够耐受高达 80 V 的瞬变电压。因此,必须小心地选择 3 个放大器规格:
● 共模电压范围(越宽越好);
● 输入失调电压(越小越好);
● 共模抑制比(越高越好)。
在传统的运算放大器中,输入端电压限制在供电轨电压±0.6 V 的范围内,因此大大限制了共模电压范围。近年来,专用的电流感应放大器提供了更大的共模电压范围,高达 80 V。它们还提供高精度、低至 10 µV 的失调电压,能支持准确度高且快速的电流监控系统。
使用宽禁带的转换器设计
随着汽车应用对尺寸和效率的要求不断提高,宽禁带 (WBG) 器件(如安森美半导体的产品)成为标准硅器件的替代品。宽禁带器件可以提高效率并缩小尺寸,同时降低系统总成本。
由于宽禁带器件可以显著降低开关损耗,因此使用宽禁带的降压转换器可实现数倍于典型硅功率晶体管的转换速度,从而最大限度地减少了频率范围内可能影响 AM 无线电接收的电磁干扰。此外,宽禁带晶体管不存在反向恢复损耗,因此不会在硬开关转换期间出现大电流尖峰和功率损耗。
总结
随着大量新型轻度混合动力汽车的普及,越来越多的汽车配备了 48 V 电池子系统,从而需要使用 48 V 至 12 V 转换器。虽然可以使用许多不同的转换器拓扑结构,但双向交错式同步降压 / 升压转换器由于其简单高效性而成为使用最广泛的结构。

该拓扑结构也可以设计为多个交错式相位,从而能够在较大的工作范围内实现高效率。这一点非常重要,因为 12 V 车辆负载会随着时间推移出现非常大的变化,即使转换器需要能够在最大负载条件下工作,但它却很少长时间保持在此负载条件下。当负载较轻时,转换器将关闭不必要的交错式相位,以降低损耗,保持高效。
上一篇:浅谈固态电池的三种技术路线
下一篇:松下宣布将开发无钴电动汽车电池
史海拾趣
|
摘 要: 本文描述了一种新型汽车倒车雷达产品(倒车多媒体可视测距终端)硬/软件的开发和设计。首先介绍了它与现行产品相比的优势及工作原理,它以通用车载电视为显示平台,结合红外倒车测距模块,字符叠加模块,主控制模块进行硬件设计和软件开发。 ...… 查看全部问答> |
|
摘 要:在基于嵌入式系统的智能终端中,中文人机交互界面是必须的功能,某些系统还要求中文文本输入。本文介绍了一种占用较少资源并适于在MCU上实现的中文输入法。 引言 目前,以LCD和数字键盘实现的人机交互式界面在智能终端 ...… 查看全部问答> |
|
安防行业每当提到发展趋势时,出现频率最高的词必定是高清、数字、智能,这已经是被公认的三个发展趋向。可是在实现高清化、数字化、智能化的过程中视频无线传输起着桥梁作用,无线传输的便利及灵活紧密将三者联系起来实现在安防行业的应用。 &nb ...… 查看全部问答> |
|
我刚接触WinCe,公司有块自己做的板子,仿照SMDK2410学习板做的。在随板子的说明书中,提到PC机要装Sumang提供的usb驱动。如何安装驱动,我想通过usb自动扫描到新设备,然后安装驱动。可连接后,并没有相应的提示,也就是说usb没有检测到连接的板子 ...… 查看全部问答> |
|
觉得还不错,与大家分享一下! 1.定义的变量不要太多。低128位为用户定义变量的存放区域(默认时),也可以把变量放在高128位,但容易出错,尽量少放,最好不放。通过*.M51可以查看内存变量的存放,最好不要超过110个字节,否则 ...… 查看全部问答> |
|
我使用超级终端时,设置里面明明可以设置以换行符作为发送行末尾。但是 实际上是一字节一字节处理的,速度感觉很慢。 有人会说串口 底层本来就是一字节一字节的处理的,这里我说的是感觉超级终端以一个字节为一个包处理的,不像串口调试工 ...… 查看全部问答> |
|
KZ100探测仪中的“科普彗星”--吉时利4200半导体特性分析系统 吉时利4200半导体特性分析系统用于偏置探针以及采集集成电路器件漏电流和漏源电压 (IDVDS) 数据。该系统配备4个4200-SMU[1] (源-测量单元)以及三轴线缆。在扫描模式下,将速度设置为快速,可以获得IDVDS曲线。源电流[2](IS)和漏电流(ID)的电 ...… 查看全部问答> |
|
今天帮人调试了下AT24C02的程序,最终可以成功写入和读取,但是问题是读取的数值总是比关掉电源时的数值小2,而且在0~9这段期间不能成功写入,初始化都为9,例如在数值为3时断掉电源,假若成功保存,应该在重新开启电源时读取数值3,但结果显示的却 ...… 查看全部问答> |




