历史上的今天
今天是:2025年01月20日(星期一)
2021年01月20日 | ST全新高温晶闸管,可防止更大的电压峰值
2021-01-20 来源:EEWORLD
我们如何保护家用电器、工业系统和摩托车稳压器中的电路?近日,ST最近更新了其高温晶体闸流管产品系列,结点温度可达到150ºC,提供抗高噪声功能。TN系列涵盖了从12A到80A的各种通态电流。本文将重点关注一款特殊的设备:TN5015H-6G。该器件是第一个50 A的通态电流和600 V的关态电压的器件,它能解决多大的问题?

首先介绍几个知识点:
半导体闸流管?
半导体闸流管(thyristor)是固态的半导体器件,又叫可控硅。它由交替的P类和T类物质(PNPN)构成创建三个pn结层。,一个半导体闸流管通常具有3个电极:一个阳极,一个阴极和一个门(控制电极)。

左为单向晶闸管,右为双向晶闸管
最普遍的半导体闸流管类型是硅控整流器(SCR)。当阴极相对于阳极被消极管制时,只有当门上被加上脉冲时才有电流流过。然后SCR开始导电,直到阴极和阳极之间的电压倒置或降低到极限值。使用这种半导体闸流管,只需使用小的触发电流或电压就可以实现交换或控制大量电力。
什么叫浪涌?
所谓的浪涌又称为电涌、突波,是指瞬间超出稳定值的峰值,包括浪涌电压和浪涌电流。供电系统的浪涌主要来自两方面的原因:外部(雷电原因)和内部(电气设备启停和故障等)。浪涌的特点往往是时间很短(雷电造成的过电压往往在微秒级,电气设备造成的过电压往往在毫秒级),但是瞬时的电压和电流极大,极有可能对用电设备和电缆造成危害,所以需要浪涌保护器对它们进行保护。
其中浪涌保护器,即所谓的防雷器,其常用在电子设备及仪器上等方面。当电气设备受干扰产生最高电流或受到雷击时,浪涌保护器既能及时导通分流,还能迅速将电流泄入大地,保护设备不受雷击。

在选购漏电保护器时,要注意它的大小。通常漏电保护器分为额定和动作电流两种。其中额定电流分为10A,16A,20A等,而动作电流常见的有30毫安,10毫安及100mA的等。如果家用电流6安,可选择额定20A,D型的漏电保护器。
TN5015H-6G
这需要工程师重新评估,思考如何防范来自苛刻要求下的涌流产生。
当工程师们希望提高利润率和产品差异化时,许多人选择提高设计的稳定性。用户也期望他们的产品能经受住越来越恶劣的环境,特别是在高端或小众市场。团队使产品更加稳健的一种方法是改进过电压保护。事实上,作为一个品牌,很少有什么比未能防范价格突然飙升对品牌造成的损害更大的了。例如,由于电源不可靠导致损坏的电视机,或因天气影响而损坏的工业产品,这都是不可接受的。因此,随着稳健性变得越来越重要,浪涌保护也变得越来越关键。
目前,根据应用的不同,大多数认证都是针对2kv到4kv之间的电涌进行防范的。虽然这些价值反映了大多数用例,但许多人觉得它们已经不够了,特别是对于工业或高端设计。因此,工程师们越来越多地开发额定在6kv到12kv之间的浪涌保护电路。一些监管机构已经开始重新评估他们的标准,以考虑到这一新的现实。问题是,如今的公司需要解决方案,因为设计师正试图为更极端的极端情况制定计划。
晶闸管控制MOV漏电怎么办
一旦人们开始谈论电涌保护,许多工程师就开始考虑金属氧化物电阻器(MOV)。MOV的主要目的是吸收巨大的电压浪涌,以防止损坏系统的其他部分。在其最基本的表现形式中,MOV使用许多二极管与负载并行。在正常工作条件下,MOV具有很高的抗腐蚀性。然而,如果突然出现一个高的瞬态电压,二极管的电阻下降到几乎为零,从而使浪涌从初级器件转移。因此,这是一种有效的方法来保护敏感部件不受突然激增的影响。
工程师寻求建立更稳健的产品,他们经常试图解决MOV的固有缺点。事实上,MOV的性能会随着时间或多次使用而下降,一段时间后就会变得不那么管用。原因是MOV的泄漏电流在每次浪涌或超时后都会增大。为了解决这个问题,工程师们使用串联的晶闸管作为MOV漏电流的屏障。由于某些标准会试图限制产品对环境的影响,因此,寿命较短的MOV不再是一种理想选择。因此,工程师必须使用晶闸管,以确保其浪涌保护持续的更持久。这些趋势解释了为什么越来越多的工程师正在使用TN5015H-6G这样的设备。
TN5015H-6G:面对新挑战的解决方案
测量鲁棒性(dI/dt和dV/dt)
工程师们希望晶闸管能够提高其浪涌保护的鲁棒性,其中如何确定组件的尺寸至关重要。不幸的是,有些团队可能很难确定要优先考虑哪些技术规范。因此,有必要理解在无数的数据点中,有两个参数值得注意:
dI/dt
dV/dt
前者测量电流从关断状态到通断状态的最大变化率。简单地说,它代表了设备在一段时间内能够承受的电流,它将对系统能够管理的电涌产生直接影响。例如,TN5015H-6G dI / dt 100 a / 100µs,确保它可以处理6 kV浪涌测试。
另一个可以帮助工程师确定设备大小的值是dV/dt。本规范测量的是使设备启动的最小电压变化率。这个值很重要,因为低dV/dt意味着设备会在不适当的时候打开。因此,工程师们的困难在于找到一种具有足够低的栅极触发电流(IGT)的器件,在浪涌发生时能够足够灵敏地打开,但dV/dt又足以抵抗噪声,防止误触发。在150ºC环境下,IGT=15 mA,dV/dt= 500 V/µs,因此TN5015H-6G成为解决许多工程师创造更好过载保护的理想选择。
较高的结点温度是关键
得益于TN5015H-6G的15 mA调谐门,它可以作为浪涌电压斜坡的快速触发器,并专注于SCR的保护功能。在高达150°C的情况下,它的低栅电流和高浪涌电流额定权衡是市场上的一个独特特性。由于ST改进了其制造工艺,因此可以获得更高的结温。此外,ST增加了光刻精度,较于传统的125ºC,ST已能够设计在高温下运转的晶体闸流管。这也说明了为什么ST可以发布汽车行业认证的TN设备。
延伸阅读:漏电保护器的结构组成
漏电保护器主要由三部分组成:检测元件、中间放大环节、操作执行机构。
①检测元件。由零序互感器组成,检测漏电电流,并发出信号。
②放大环节。将微弱的漏电信号放大,按装置不同(放大部件可采用机械装置或电子装置),构成电磁式保护器相电子式保护器。
③执行机构。收到信号后,主开关由闭合位置转换到断开位置,从而切断电源,是被保护电路脱离电网的跳闸部件。
晶闸管在漏电保护器中的作用
当电气设备发生漏电时,出现两种异常现象:
一是,三相电流的平衡遭到破坏,出现零序电流;
二是,正常时不带电的金属外壳出现对地电压(正常时,金属外壳与大地均为零电位)。
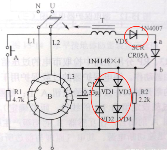
漏电保护器的工作原理:
零序电流互感器B初级L1、L2 (双线并绕3~5匝)中的电流常态下相量和为零,当被保护线路发生触电或设备对地漏电时,初级就会出现剩余电流,L3 (数百匝)中便感应出几百毫伏的漏电信号,经L3、C1构成的串联谐振回路谐振后大于800mV,可直接触发单向晶闸管SCR导通(SCR的工作电压由220V经VD1~ VD4桥式整流供给),相当于a、b两点接通,220V的交流电几乎全部加在脱扣器T上,T实际上是一种电磁铁,由此吸动自由脱扣机械装置使动、静触头分离,切断电源,从而起到漏电( 触电)保护作用。交流脱扣式产品脱扣功率大些,额定动作时间略快些,且脱扣(跳闸)迅速、利索。

上一篇:半导体研发投入TOP10出炉
史海拾趣
|
使用LPC1114的Flash时遇到些问题,特向各位请教。 (1)LPC1114的Flash是不是每次读写最少得256字节,而不可以一个字节一个字节的进行读写操作? (2)我现在想把一个数组(比较小)的数据随时存储到片内Flash中,并且可以随时读取,是 ...… 查看全部问答> |
|
我刚接触zigbee,正研究协议栈程序(cc2430)。我发现这样的一个问题: 当一个rfd节点申请加入corde节点时,应该在corder节点处有判断PANID(网络号)是否相同,如果相同就可以加入,但是在协议栈corer源程序里不论nwk层,ma ...… 查看全部问答> |
|
大家好! 由于金钱的问题,没有条件买ARM处理器及相应的环境,看书而不练习,导致我看了就忘了,请问有没有在windows下模拟arm环境及编程的,让我能够熟悉一下ARM的命令及编程?还有我想学windows ce,但是还是只有一台PC机,其他什 ...… 查看全部问答> |
|
学3G,不知道大家能给点建议不?我在上海,交大昂立3G学院如何? 大家好,我是今年刚毕业的一名学生,现在已经处于失业状态了,对找工作已经失去信心了,在校的时候就了解了一点3G的东西,所以现在想要去学个3G开发技术。我在各大网站上了解下来说交大昂立3G学院的老师还有就业方面都比较不错,不知道有在里面学习 ...… 查看全部问答> |




