历史上的今天
今天是:2025年01月21日(星期二)
2021年01月21日 | 奔驰MBUX成本与系统分析
2021-01-21
奔驰MBUX系统在2018年CES大展上第一次亮相,奔驰自豪宣称是全球最先进的汽车中控(Infotainment)系统。2020年9月,奔驰推出第二代MBUX系统,暂时只在奔驰新S级上使用。因此奔驰目前主要还是第一代MBUX系统,包括ABEGLAGLSCLSGLCVX等主力车型。因此这次主要分析第一代MBUX系统。

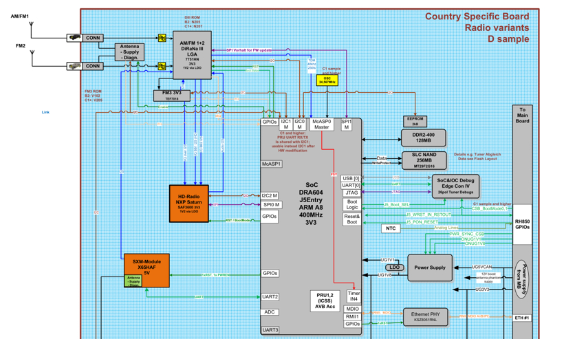
第一代MBUX系统的硬件代号为NTG6,由三星哈曼提供,伟世通提供仪表。

NTG6共4块PCB,分别是多媒体、主板、电视板和嵌入板(即我们行内俗称的核心板)。

4010主板主要是网络界面(CAN、以太、MOST、蓝牙和WLAN),供电和音频I/O。4110多媒体板包括主处理器、USB和图形I/O。4065区域特别板包括收音、电视调谐器、USB和GPS导航。嵌入板4020,4020是英特尔的ApolloLake核心板,即英特尔A395X系列产品,特斯拉的Model3用的就是英特尔的A3950,奔驰仅将之用于电视功能,非常奢侈。电视功能属于选配,在实际出货中几乎没有人选配,二代MBUX也彻底放弃了这块核心板。因此本文不详述此块核心板。

上图为NTG6的爆炸图,二代MBUX将320GB的机械硬盘换成固态硬盘,其余相差不大。外壳采用镁合金铸造,轻巧耐冲击,散热也好。
NTG6采用主副处理器设计,主处理器是英伟达的Parker,负责多媒体处理。副处理器是德州仪器的DRA604,处理收音和导航。国内蔚来的ES8也是近似的设计。
英伟达Parker是6核设计,包括4个A57@1.65GHz,两个Denver@1.8GHz。GPU方面采用Maxwell架构,拥有256个CUDA核,运行频率1.0GHz。这是除了广汽AionLX用的高通SA8195AP和奔驰二代MBUX用的英伟达XavierNX外性能最强的座舱用芯片。配备了8Gb的LPDDR4 DRAM,64MB的NOR闪存,32GB的EMMC。DRA604是德州仪器J5系列的入门级产品,采用ARM A8 CPU,配备128MB的DDR2 DRAM和128MB SLC NAND存储器。之所以用这个很老的芯片是早期汽车座舱主要是收音和播放歌曲,为了能最大限度利用研发成果,奔驰仍然沿用最早的设计。

4065板的电路框架图如上,调谐器方面都是NXP的产品,NXP也是几乎垄断了车载收音领域,通常都是三件套,包括AM/FM的SAF7751HN、HD RADIO的SAF3600和SDRAS模块。以太网物理层是Microchip的KSZ8051。

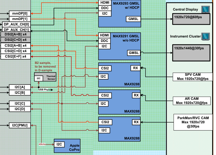
上图为多媒体版的图形I/O部分。两路输出,都是由美信的GMSL解串行芯片将HDMI转为GMSL同轴或STP输出,输出到仪表的是画中画形式。输出到中控屏幕的帧率比较高。3路摄像头输入,分别是4个200万像素的360环视输入到MAX9288解串行芯片中,奔驰用的是200万像素,是目前最高的,绝大部分目前还是100万或130万像素。因为大部分主处理器没有足够的资源来处理200万像素的360环视。除360环视,还有一个倒车摄像头,也是200万像素,大部分车辆有360环视就不再有倒车摄像头,而奔驰认为360环视的鱼眼摄像头有效距离太近,且图像需要矫正,仍然保留了常规非鱼眼摄像头。此外还有一个AR摄像头,主要可能是对应AR HUD的。

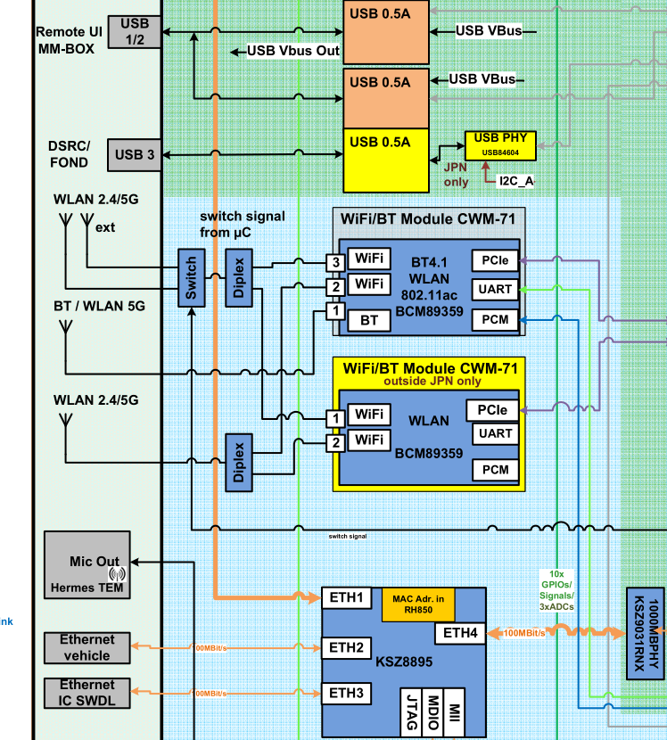
多媒体板的音频部分如上图,音频自Parker输出后先通过ADI的ADSP21489进行各种音效处理,然后分两路输出,一路是D类放大器TDF8534,TDF是5路放大器,每路最高80瓦功率。一路经AKM的AK4384做DAC变换后,进入前置放大器再与耳机接口连接。输入部分,4麦克风阵列分别输入两个ADC变换芯片AK5720。然后再进入ADSP21489做处理。这其中还有一个含USB口的MOST150总线控制器:Microchip的OS81118。

上图是多媒体板的网络部分。关键元件有以太网交换机KSZ8895(二代更换为Marvell的88EA6321),千兆以太网物理层KSZ9031,WLAN与蓝牙模块BCM89359。KSZ8895是一个4口的以太交换机,端口比较少,难以扩展,所以二代MBUX换为7口的88EA6321。

NTG6的MCU部分如上图,包括RH850和三个CAN收发器,CAN收发器都是NXP的TJA1043系列。

不计软件成本,单硬件成本估计大约474美元,考虑到这个硬件是千颗参考价格,以奔驰的量,价格还可以再降低不少,加上软件和研发成本,预计NTG6的整体成本大约是500美元,这个成本远高于国内的Infotainment,大约是国内的两倍还多。
史海拾趣
|
2100型六位半USB数字万用表是Keithley高性能数字万用表家族的最新成员。它具有六位半数字万用表的准确度、功能和速度,能够简化和满足您最苛刻的测量要求,而价格只相当于从前性能较低的五位半表和高端手持机型。将高精度和低成本相结合,2100高精 ...… 查看全部问答> |
|
哈哈,真是“福无双至,今日至;祸不单行,昨夜行!”。最近在弄LPC2132读写AT24C02时,刚开始用的是周工的I2C程序包,但是不怎么稳定,有时能进中断,有时不行。所以一直想改写代码。显示用模拟方式,因为这 ...… 查看全部问答> |
|
公司要求把:PXA255换成AT91RM9200,这下麻烦全来了。什么资料都没有。 LINUX相关的倒找一了堆,就是没有CE下的BSP。 有高手做过这方面的吗?求一个AT91RM9200 的BSP,一个EBOOT也可以,给俺发一个。 邮箱:sankye@163.com… 查看全部问答> |
|
这个问题还不是十分明了 这样的,我的2410板子上已经被我擦除了nandboot,没有操作系统,裸跑上跑(嘿嘿,重头开始,可以了解更多) 比如我的代码现在在MDK V4下编译出来27KB的bin文件,利用MDK自带的download功能下载到nand的0x0开始的地方。 ...… 查看全部问答> |
|
entity cnt16 is port(clk:in std_logic; dout:out std_logic_vector(3 downto 0); dclk1:out std_logic); end cnt16; architecture Behavioral of cnt16 is   ...… 查看全部问答> |
|
实现uart的串口通信 先用grace初始化 在rx的中断函数里面写if=‘9’,则红灯亮,成功了 但是现在想grace调用内联函数却不行这是错误提示 然后src目录 这是中断函数声明 event的头文件 最后event函数 … 查看全部问答> |
|
本帖最后由 fyaocn 于 2014-12-15 11:06 编辑 拿到Nucleo板子和蓝牙套件,测试范例,可以顺利通过编译并下载到板子中如图。 完全按照范例去做效果还是不错的,可惜没有另一个dongle,不能测试全部性能。也不能测试这个范例的功能是否能够实现。 ...… 查看全部问答> |




