历史上的今天
今天是:2025年01月25日(星期六)
2021年01月25日 | 如何提高PLC应用系统的可靠性
2021-01-25 来源:eefocus
可编程序控制器(PLC)是专门为工业环境设计的自动化技术控制装置,一般不需要特殊措施,就可以直接在大多数工业环境中使用。但是如果生产环境过于恶劣,电磁干扰特别强烈,或安装使用不当时,都不能保证系统的正常安全运行。干扰可能使PLC接收到错误的信号,造成误动作,或使PLC内部的数据丢失,严重时甚至会使系统失控。在系统设计时,应采取相应的可靠性措施,以消除或减少干扰的影响,保证系统的正常运行。
控制系统的可靠性一直是机电行业和自动化生产线所关注的焦点,因为它直接影响企业的生产安全和经济效益,而系统的抗干扰能力则是保证系统可靠运行的重要指标之一。影响PLC控制系统的干扰源,大都产生在电流或电压剧烈变化的部位,其原因是电流改变产生磁场,对设备产生电磁辐射,磁场改变产生电流,电磁高速变化产生电磁波。
在实际的工作中,为防止干扰可采用硬件和软件的抗干扰措施,其中,硬件抗干扰是最基本和最重要的抗干扰措施,一般从抗和防两方面入手来抑制和消除干扰源,在系统设计时,应采取相应的可靠性措施,以消除或抑制减少干扰的影响,保证系统的正常运行,提高系统的可靠性。
1.对电源的干扰处理措施
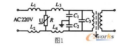
电源的干扰主要是通过供电线路的阻抗耦合产生的,各种大功率用电设备是主要的干扰源。在干扰较强或对可靠性要求很高的场合,可以在PLC的交流电源输入端加接带屏蔽层的隔离变压器和低通滤波器(图1),隔离变压器可以抑制从电源线窜入的外来干扰,提高抗高频共模干扰能力。屏蔽层应可靠接地。

低通滤波器可以吸收掉电源中的大部分“毛刺”,图中的L1和L2用来抑制高频差模电压,L3和L4使用等长的导线反向绕在同一磁环上的,50Hz的工频电流在磁环中产生的磁通互相抵消,磁环不会饱和。两根线中的共模干扰电流在磁环中产生的磁通是叠加的,共模干扰被L3和L4阻挡。图中的C1和C2用来滤除共模干扰电压,C3用来滤除差模干扰电压。R是压敏电阻,其击穿电压略高于电源正常工作时的最高电压,平常相当于开路。遇尖峰干扰脉冲时它被击穿,干扰电压被压敏电阻钳位,这时压敏电阻的端电压等于其击穿电压,尖峰脉冲消失后压敏电阻可恢复正常状态。
高频干扰信号不是通过变压器绕组的耦合,而是通过初级、次级绕组间的分布电容传递的。在初级、次级绕组之间加绕屏蔽层,并将它和铁心一起接地,可以减少绕组间的分布电容,可以提高抗高频干扰的能力。也可以选用电源滤波器产品,由于具有良好的共模滤波、差模滤波性能和高频干扰抑制性能,能有效抑制线与线之间和线与地之间的干扰。
2.对于感性负载的处理措施
感性负载具有储能作用,当控制触点断开时,电路中的感性负载会产生高于电源电压数倍甚至数十倍的反电势,触电闭合时,会因触点的抖动而产生电弧,它们都会对系统产生干扰。对此可采用以下措施:PLC的输入端或输出端接有感性元件时,对于直流电路(图2),应在它们两端并联续流二极管;对于交流电路,应并联阻容电路,以抑制电路断开时产生的电弧对PLC的影响。电阻可以取51~120Ω,电容可以取0.1~0.47μF,电容的额定电压应大于电源峰值电压。续流二极管可以选1A的管子,其额定电压应大于电源电压的2~3倍。

3.对于安装和布线的措施
开关量信号一般对信号电缆没有严格的要求,可选用一般电缆,信号传输距离较远时,可选用屏蔽电缆。模拟信号和高速信号(如脉冲传感器、计数码盘等提供的信号)应选择屏蔽电缆。通信电缆对可靠性的要求高,有的通信电缆的信号频率很高,一般应选用专用电缆(如光纤电缆),在要求不高或信号频率较低时,也可以选用带屏蔽的多芯电缆或双绞线电缆。
当开关量I/O线不能与动力线分开布线时,可用继电器来隔离输入/输出线上的干扰。当信号线距离超过300m时,应采用中间继电器来转换信号,或使用PLC的远程I/O模块。I/O线与电源线应分开走线,并保持一定的距离。如不得已要在同一线槽中布线,应使用屏蔽电缆。交流线与直流线应分别使用不同的电缆;开关量、模拟量I/O线应分开敷设,后者应采用屏蔽线。如果模拟量输入/输出信号距离PLC较远,应采用4~20mA或0~10mA的电流传输方式,而不是易受干扰的电压传输方式。不同的信号线最好不用同一个插接件转接,如必须用同一个插接件,要用备用端子或地线端子将他们分隔开,以减少相互干扰。
4.强烈干扰环境的隔离措施
PLC内部用光耦离合器、输出模块中的小型继电器和光电晶闸管等器件来实现对外部开关量信号的隔离,PLC的模拟量I/O模块一般也用光耦离合器来实现隔离。这些器件除了能减少或消除外部干扰对系统的影响外,还可以保护CPU模块,使之免收外部窜入PLC的高电压的危害,因此一般没有必要在PLC外部在设置干扰隔离器件。为了提高抗干扰能力和防雷击,PLC和计算机之间的串行通信线路可以考虑使用光纤或采用带光耦离合器的通信接口。
5.接地的可靠性措施
接地是提高电子设备电磁兼容性的有效手段之一。PLC控制系统的地线包括系统地、屏蔽地、交流地和保护地等。接地系统混乱对PLC系统的干扰主要是各个接地点电位分布不均,不同接地点间存在地电位差,引起地环路电流,影响控制系统内逻辑电路和模拟电路的正常工作。
完善的接地系统是PLC控制系统抗电磁干扰的重要措施之一。信号源接地时,屏蔽层应在信号侧接地;不接地时,应在PLC侧接地;信号线中间有接头时,屏蔽层应牢固连接并进行绝缘处理,要避免多点接地;多个测量点信号的屏蔽双绞线与多芯对绞总屏电缆连接时,各屏蔽层应相互连接好,并经绝缘处理。
接地时应注意:接地线应尽量粗,一般用大于2mm2的铜芯线接地;接地点应尽量靠近PLC控制器,接地线应尽量避开强电回路和主回路的电线,不能避开时,应垂直相交尽量缩短平行走线的长度。
6.输出的可靠性措施
在负载要求的输出功率超过PLC的允许值时,应设置外部继电器。PLC输出模块内的小型继电器的触点小,断弧能力差,一般不能直接用于直流220V电路中,必须用PLC驱动外部的继电器,用外部继电器的触点驱动直流220V的负载,提高可靠性。
总之,对于PLC控制系统的干扰是一个十分复杂的问题,不仅涉及到具体的输入输出设备和工业现场的环境,而且温度、湿度、震动、冲击等对PLC都会产生很大的影响,因此,在应用中,找出问题所在,知道现场干扰的源头,综合考虑各方面的因素,才能合理、有效的抑制干扰,使PLC控制系统正常工作。
上一篇:开域集团施侃腾讯营销会探讨“创新模式下的数据化应用”
下一篇:变频器的频率怎么调整
史海拾趣
|
基于AD2S83的角位置检测系统及其在电动助力转向系统中的应用 1 引 言基于电磁感应原理的旋转变压器(Resolver),有时又称为解算器,是一种精密控制电机,在电动助力转向系统中,完成轴角位移信息的检测功能。由于它是模拟机电元件,所以,当其用于数字系统中,就需要一定的接口电路,即旋转变 ...… 查看全部问答> |
|
数据库同步 SqlCeRemoteDataAccess.Pull 里面的trackoption 参数设置问题 需要同步PDA和服务器数据库。用SQLCE3.0 SqlCeRemoteDataAccess.Pull方法可以下载服务器数据库的数据到PDA, 其中有个参数叫trackoption 。 当我把这个参数设置为TRACKINGOFF,也就是不跟踪数据变化时,没有任何问题,可以下载数据。 但当把它 ...… 查看全部问答> |
|
急急!!!!!关于ISP1581的问题,高手请进啊,快点帮帮我!!! 是关于1581的传输寄存器的,我用的是主机模式,我看一个材料上写着如果这个寄存器被设为0x17的话,就会有9个DIOR/DIOW信号,是这样的吗,那九个脉冲是正常的吗,如果我把它作为读周期信号的话,会对我的数据产生影响不,我现在数据就是丢九个 ...… 查看全部问答> |
|
我在很多网页上看到说RS232是点对点的通信,并且RS232两个输出是不可以并联的,但是我现在要做得是在单片机的TX端连两根线各输出到各自的RS232接口上,再接设备,这样应该是没问题的吧?… 查看全部问答> |
|
初级问题,用createwindow创建了一个窗口但是窗口是透明的 用evc4.0创建一个新的工程,选WCE Application,自己填了一些代码用createwindow创建一个窗口,然后再创建了按钮,但是在模拟器上窗口是透明的显示的是模拟器的背景只有创建的按钮是不透明的,要怎么设置才可以有背景色? ATOM MyRegisterClass(HINSTANC ...… 查看全部问答> |




