历史上的今天
今天是:2025年02月02日(星期日)
2021年02月02日 | 51单片机教程(七):LCD1602液晶显示模块
2021-02-02 来源:eefocus
一、原理简介
液晶显示模块具有体积小、功耗低、显示内容丰富、超薄轻巧等优点,在嵌入式应用系统中得到越来越广泛的应用,这讲中向大家介绍的LCD1602 液晶显示模块(其内部控制器为HD44780 芯片),它可以显示两行,每行16 个字符,因此可相当于32 个LED数码管,而且比数码管显示的信息还多。采用单+5V 电源供电,外围电路配置简单,价格便宜,具有很高的性价比。
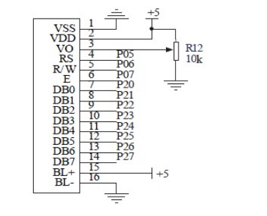
LCD1602 外观如图1(a) 所示。1602 字符型LCD 模块的管脚分布如图1(b) 所示, 其管脚各功能如表1 所示。

图1 (a) LCD1602外观图 (b) LCD1602管脚分布图

值得提出的是,各种液晶厂家均有提供几乎都是同样规格的1602 模块或兼容模块,尽管各厂家的对其各自的产品命名不尽相同;但其最初采用的LCD 控制器采用的是HD44780,在各厂家生产的1602 模块当中,基本上也都采用了与之兼容的控制IC,所以从特性上基本上是一样的;当然,很多厂商提供了不同的字符颜色、背光色之类的显示模块。
LCD1602 有11 个控制指令, 见表2。其中,DDRAM :显示数据RAM,用来寄存待显示的字符代码;CGROM :字符发生存储器;CGRAM :用户自定义的字符图形RAM。限于篇幅原因在此不做详细叙述,读者可以上网查看HD44780 芯片资料和LCD1602 数据手册。

这里介绍几个LCD1602 编程时经常用到的几个指令,见表3。

二、电路详解
如图2 所示,1602 液晶的控制管脚都接到了单片机管脚上,前文提到,在功能设置指令中可以将液晶设为8 位数据接口和4 位数据接口,图中采用的是8位的数据接口,当然也可以当四位数据接口来用。液晶电源正端接5V,负端接地,背光正端接5V,负端接地。此外,液晶的偏压管脚(VO)接到一个电位器的中间抽头,电位器的两端分别接5V 和地,这样就可通过调节电位器来实现对1602 液晶对比度的调节。经实验测试,笔者手里的1602 液晶的偏压管脚的电压调节到0.3~0.4V 时对比度效果最好,也可以将该管脚通过一个1k 的电阻下拉到地。读者可以自己实践测试。

图2 1602液晶与单片机的连接图
三、程序设计
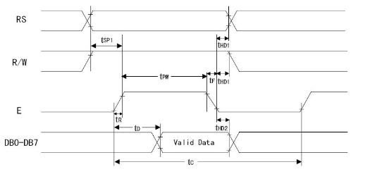
在对1602 液晶设计程序前,我们先看下其读写时序图,从图3 和图4 可以看出,1602 液晶的读写操作时序可总结成表4 所示。
图3 1602液晶读操作的时序图

图4 1602液晶写操作的时序图

对照时序,我们可以很容易的写出驱动液晶的各个子函数,如下所示。
写命令函数:向寄存器写入控制字
参数:command - 控制字
void LCD_en_command(unsigned char command)
{
LCD_delay(); // 延时一段时间
LCD1602_RW=LOW; // 写命令时,R/W 为低电平
LCD1602_RS=LOW; // 写入指令,RS 为低电平
LCD1602_EN=HIGH; // 置高使能线
LCDIO=command; // 接收命令字并送到数据总线上
LCD1602_EN=LOW; // 在使能线的下降沿写入数据
}
写数据函数:向寄存器写入数据
参数:dat - 待要显示数据
void LCD_en_dat(unsigned char dat)
{
LCD_delay(); // 延时一段时间
LCD1602_RW=LOW; // 写指令时,R/W 为低电平
LCD1602_RS=LOW; // 写入数据,RS 为高电平
LCD1602_EN=HIGH; // 置高使能线
LCDIO=dat; // 接收数据并送到数据总线上
LCD1602_EN=LOW; // 在使能线的下降沿写入数据
}
要使1602 液晶能正常工作和操作方便,除了写数据和命令函数外,还需要进行初始化等操作,先将本讲中所用到的操作1602 液晶的主要函数设计如下。
液晶初始化函数:设置液晶的工作方式
void LCD_init(void)
{
delaylcd_nms(5);
LCD_en_com_nobusy(DATA_MODE);
// 延时5ms, 写指令,不检测忙信号
delaylcd_nms(5);
LCD_en_com_nobusy(DATA_MODE);
// 延时5ms, 写指令,不检测忙信号
delaylcd_nms(5);
LCD_en_com_nobusy(DATA_MODE);
// 延时5ms, 写指令,不检测忙信号
LCD_en_com(DATA_MODE);
// 设置为8位数据传送模式
delaylcd_nms(5);
LCD_en_com(OPEN_SCREEN); // 开显示
LCD_en_com(DISPLAY_ADDRESS); // 设置显示地址
CLEARSCREEN; // 清屏
}
设置显示坐标函数:设置字符的显示位置,行、列坐标
参数: x -列坐标,y -行坐标
void LCD_set_xy( unsigned char x, unsigned char y )
{
unsigned char address;
if (y == LINE1) // 判断行
address = LINE1_HEAD + x; // 设置列坐标
else
address = LINE2_HEAD + x;
LCD_en_command(address); // 将地址写入寄存器
}
写字符函数:向液晶写一个字符
参数:x -列坐标,y -行坐标,dat -将要显示的字符数据
void LCD_write_char( unsigned x,unsigned char y,unsigned char dat)
{
LCD_set_xy( x, y ); // 首先设置显示坐标
LCD_en_dat(dat); // 写数据
}
写字符串函数:向液晶写入字符串
参数:x -列坐标,y -行坐标,*s -将要显示的字符串数据
void LCD_write_string(unsigned char x,unsigned char y,unsigned
char *s)
{
LCD_set_xy( x, y ); // 首先设置显示坐标
while (*s) // 判断是否结束
{
LCDIO=*s;// 循环调用写数据函数
LCD_en_dat(*s);
s ++;
}
}
四、调试要点与实验现象
接好硬件(特别是连接好1602 液晶),通过冷启动方式将程序所生成的。hex 文件下载到单片机运行后,复位单片机,然后可在学习板上看到液晶的显示的字符(如图5 所示)。

图5 1602液晶显示界面
调试时应注意的是,因为液晶的内部显示操作需要一定的时间,因此如果单片机在对1602 液晶写操作时不进行读忙操作,就应该延时足够的时间(可用延时函数)以让液晶内部能够接收命令或数据,否则会让液晶无法工作或者工作不正常。此外对于V0 管脚,作为液晶显示器对比度调整端,接正电源时对比度最弱,接地电源时对比度最高,对比度过高时会产生“鬼影”,因此可通过一个电位器实现对其的电压调整,前文提到,将其调节到0.3~0.4V 时对比度效果最好。
上一篇:51单片机三极管的作用讲解
史海拾趣
|
想做一个cab安装包,安装今日插件,按照网上的说明写了个安装程序setupdll.dll, 但是在模拟器上(pocket pc se 2003 Emulator)安装发现setupdll没有被调用(在函数Install_Exit中加了MessageBox,没有弹出,注册表也没写) cab安装包使用vs2005做的 ...… 查看全部问答> |
|
我想使用EINTT4作按键中断输入.定义如下: UINT32 g_EINTIrq = IRQ_EINT4; UINT32 g_EINTSysIntr = SYSINTR_UNDEFINED; PUBLIC DWORD CPK_Init(DWORD dwContext) { &n ...… 查看全部问答> |
|
dshow CreateMediaType FreeMediaType 无法解析的外部符号 我在wince6.0上做dshow开发,已经包含的头文件和库 #include #include #include #include #include &n ...… 查看全部问答> |
|
我之前安装开发环境的时候,发现PB中Device Driver中的SD选项没有,后来把Updates全装上了,就出现了SD选项。 前几天系统崩溃了,重新装上所有东西后发现就是SD选项没有,各位有没有遇到过这种情况啊????急 … 查看全部问答> |
|
MCS-51单片机中,采用12Mhz时钟,定时器T0采用模式1(16位计数器),请问在下面程序中,p1.0的输出频率 ? MOV TMOD,#01H SETB TR0 LOOP:MOV TH0,#0B1H MOV TL0,#0E0H LOOP1:JNB TF0,LOOP1 CLR TR0 CPL P1.0 SJMP LOOP… 查看全部问答> |




