历史上的今天
今天是:2025年02月03日(星期一)
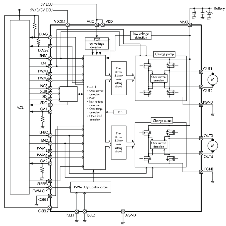
2021年02月03日 | 东芝有刷直流电机驱动介绍
2021-02-03 来源:EEWORLD
对于不起眼的有刷直流电动机,您必须重视。一方面,它是最古老的直流电动机,众所周知,已广泛使用,并且直接从直流电源轨运行,不需要任何“电子”驱动器。另一方面,它并没有得到太多的尊重。毕竟,它具有那些“讨厌的”接触电刷,这些电刷最终会磨损(匹配的转子触头也会磨损),并且会引起可见的火花以及看不见但相当大的EMI/RFI。在早期,控制它的唯一方法是调整施加的直流电压,但是,降低该电压会降低RPM(如预期的那样)并严重影响其扭矩。
相比之下,无刷直流和步进电机现在由于其可控性以及其他特性而受到了大多数关注和设计考虑。尽管如此,数以百万计的有刷电动机仍在使用。它们不仅价格便宜,而且足以满足玩具等非关键性应用的需求,而且在受限的速度和扭矩要求严格的应用中使用时,它们是一种经济高效且非常可行的解决方案。通过添加复杂的驱动器而不仅仅是原始直流电源,可以对其进行有效控制,从而在许多情况下提供最佳解决方案。
东芝(Toshiba)的TB9053FTG和TB9054FTG等IC可以提供帮助。这些用于有刷直流电动机的脉冲调制(PWM)双通道驱动器针对汽车应用进行了优化,例如节气门控制,发动机气门,可伸缩门后视镜,座椅定位和门闩。

东芝为有刷直流电动机开发的双通道驱动器IC,具有针对汽车应用需求而定制的控制和保护/诊断功能。
在25°C的结温TJ和VBAT=8V的结温下,单片硅驱动器可提供高达6.5 A(典型值)/ 10 A(最大)的RDS(ON)为142mΩ。使用这些驱动器的SPI接口,微控制器系统能够控制速度以及设置正向,反向,停止和制动模式。速度也可以通过基于PWM的占空比直接控制。这些IC可通过引脚选择用于H桥或半桥模式。
当这些IC针对汽车应用时,用于监视,保护和诊断的内置功能就显得尤为关键(其中某些功能甚至可能直接导致“检查引擎”灯亮)。检测功能包括过流,过热,VBAT欠压和VCC欠压等,以及适当的短路和其他保护。
报告的诊断信息包括电源故障检测电路,在工作和非工作模式下的开路负载检测,短路负载检测等。每个通道还有一个诊断引脚,当与其他引脚一起使用时,发生各种问题时,可以向MCU报告情况的任何细节。
SPI总线上的设备可以并行连接或以菊花链配置连接,并且通常会在引脚数数据传输速率之间进行权衡。在前一种情况下,通信时钟(SCLK),数据输出(SDO)和数据输入(SDI)并联连接,而外部MCU(Master)将独立的片选信号分配给每个驱动器以使能个人访问(需要更多的MCU I /O端口,但加载速度更快)。在菊花链模式下,来自MCU的数据被计时并通过所有连接的驱动器串行传播,因此所需的MCU I/O引脚少得多,但需要更长的时间将数据加载到目标驱动器IC中。
史海拾趣
|
1、同步电路和异步电路的区别是什么?(仕兰微电子) 2、什么是同步逻辑和异步逻辑?(汉王笔试) 同步逻辑是时钟之间有固定的因果关系.异步逻辑是各时钟之间没有固定的因果关系. 3、什么是\"线与\"逻辑,要实现它,在硬件特性上有什么具体要求?(汉王 ...… 查看全部问答> |
|
有谁知道 PieVectTable.ADCINT=&ad 是什么意思 谢谢了!! 本帖最后由 dontium 于 2015-1-23 13:30 编辑 在这个程序中 EALLOW; // This is needed to write to EALLOW protected registers PieVectTable.ADCINT=&ad; &n ...… 查看全部问答> |
|
Helper2416-30——Linux_Programing——进程等待与终止 本帖最后由 yuanlai2010 于 2014-8-7 10:57 编辑 进程等待与终止参与Helper2416开发板助学计划心得进程等待在上一张帖子中的第一个实验中,出现了如下的打印结果,有点乱.[root@jyxtec fork]# ./fork_arm fork program starting! this is parant, ...… 查看全部问答> |
|
因为MSP430目前的AD采样速度不够需要用一块外置的AD,遇到的问题大致如下: AD芯片手册说明是支持SPI通讯的,但是AD芯片只有输出,大部分没有存储功能的AD引脚都基本如下: 其中用于跟单片机通讯的口就是SDO数据输出口跟SCLK同步时钟信号口 单 ...… 查看全部问答> |
|
楼主在做一个智能扫地车,关于小车如何走直线的问题请教一下各位大神 最近在做一部智能扫地车,初步可以nrf无线控制,蔽障,吸尘模块,现在还差路径规划,尽量做到空房间里遍历每一个角落,目前采用左右电机各装一个编码盘,进行计数然后通过比较两者进行走直线调整,就是请求大神指导一下,感激不尽 … 查看全部问答> |
|
刚参加工作没多久。。画了第一个项目。。一个两层的操作面板。之前没有系统的学过,都自己网上看的,所以关于规范问题一直很虚。希望大家给点意见和建议。尤其是电源线的处理,还有铺铜及填充的区别及用法。若我线都布通,是否还需要铺铜或填充呢? ...… 查看全部问答> |




