历史上的今天
今天是:2025年02月09日(星期日)
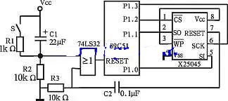
2021年02月09日 | X25045看门狗电路硬件连接图及C语言看门狗程序
2021-02-09 来源:eefocus
采用89C51单片机和X25045组成的看门狗电路,X25045硬件连接图如图2所示。X25045芯片内包含有一个看门狗定时器,可通过软件预置系统的监控时间。在看门狗定时器预置的时间内若没有总线活动,则X25045将从RESET输出一个高电平信号,经过微分电路C2、R3输出一个正脉冲,使CPU复位。图2电路中,CPU的复位信号共有3个:上电复位(C1、R2),人工复位(S、R1、R2)和Watchdog复位(C2、R3),通过或门综合后加到RESET端。C2、R3的时间常数不必太大,有数百微秒即可,因为这时CPU的振荡器已经在工作。

图2 X25045看门狗电路硬件连接图
看门狗定时器的预置时间是通过X25045的状态寄存器的相应位来设定的。如表2所示,X25045状态寄存器共有6位有含义,其中WD1、WD0和看门狗电路有关,其余位和EEPROM的工作设置有关。

表2 X25045状态寄存器
WD1=0,WD0=0,预置时间为1.4s。
WD1=0,WD0=1,预置时间为0.6s。
WD1=1,WD0=0,预置时间为0.2s。
WD1=1,WD0=1,禁止看门狗工作。
看门狗电路的定时时间长短可由具体应用程序的循环周期决定,通常比系统正常工作时最大循环周期的时间略长即可。编程时,可在软件的合适地方加一条喂狗指令,使看门狗的定时时间永远达不到预置时间,系统就不会复位而正常工作。当系统跑飞,用软件陷阱等别的方法无法捕捉回程序时,则看门狗定时时间很快增长到预置时间,迫使系统复位。
以下是C语言编写的看门狗程序部分。
#include reg51.h
sbit cs=P1^2;/*片选信号由P1.2产生*/
sbit sck=P1^3; /*时钟信号由P1.3 产生*/
sbit si=P1^0; /*SI由P1.0产生*/
sbit so=P1^1; /*SO由P1.1产生*/
sbit c=ACC^7; /*定义位变量*/
bdata unsigned char com;
void tran() /*发送一字节数据子函数*/
{
unsigned char i;
for(i=0; i
{ ACC=com; /*将数据放入a中*/
si=c;
sck=0; /*sck产生一个上跳变*/
sck=1;
com=com
}
return;
}
main()
{
com=0x06; /*发写读使能命令*/
cs=0;
tran();
cs=1;
com=0x01; /*发写状态字命令*/
cs=0;
tran();
com=0x00; /*定时1.4s*/
tran();
cs=1;
...;系统正常运行的程序部分
}
需要注意的是,在程序正常运行的时候,应该在适当的地方加一条喂狗指令,使系统正常运行时的定时时间达不到预置时间。系统就不会复位。喂狗指令如下。
main()
{
...;系统正常运行的程序部分
{
cs=0; /*产生cs脉冲*/
cs=1;
}
}
X25045的看门狗电路使用十分方便。X25045内部还集成了512BEEPROM和电压运行监视系统,只需这样一块芯片,外加晶振和复位电路就可以组成单片机的应用系统,非常适合于便携式仪器和嵌入式系统的设计。
下一篇:51单片机的延时子程序
史海拾趣
|
http://66.249.89.132/translate_c?hl=zh-CN&sl=en&u=http://www.robotroom.com/Jet.html&prev=/search%3Fq%3DC51%2Bcompiler%26hl%3Dzh-CN%26client%3Daff-cs-360se%26hs%3Dbtg%26sa%3DN%26start%3D50%26newwindow%3D1&usg=ALkJrhhLTO9Bj7aM9-ySHE ...… 查看全部问答> |
|
版主,能发给我一份,28015可以用的 chip support package(csp)吗? 版主,能发给我一份,28015可以用的 chip support package(csp)吗?网上一直找不到这个东东,可以麻烦版主,或者哪位朋友有发给我一份吗? z_s_rong@126.com 谢谢。… 查看全部问答> |
|
faceb4: 我在做msp430驱动sed1335来显示320*240的液晶显示屏,程序怎么都不行,希望那位大侠能够给一些程序(包括初始化),谢谢了!!! … 查看全部问答> |
|
喇叭保护IC HA12002 的过载保护(第六脚)如何接入(需多少电压),第5脚(交流检测)参数如何设定,可否直接短路?谢谢大侠们细心指导!!!(从报废的功放中得到了一块喇叭保护板,想用在自己DIY的功放中)… 查看全部问答> |
|
卖掉...友善之臂mini2440开发板3.5寸LCD触摸屏S3C24...有木有人想要... [img]file:///C:/Users/吴斌/Documents/Tencent%20Files/874901774/Image/d[$%7B6@z@6duwe33y%25l9~%250z.jpg[/img] file:///C:/Users/吴斌/Documents/Tencent%20Files/8749 ...… 查看全部问答> |
|
最近一直想给EE_FPGA做个集成化的测试程序,思来想去还是nios开发简单点,尼玛,悲剧的事情发生了。。 我做了一遍一遍,就是不对,怎么都下载不到sdram里面去。真的是黔驴技穷了啊。。 我开始怀疑编译器了,我换成了nios 11.0 ;NND,就神奇的好 ...… 查看全部问答> |
|
launch pad USB串口驱动在win8 64bit 跑串口不稳定 环境1. 硬件 430 launchpad with touch board2. 下载了touch board的软件包slac490,安装里面的usb驱动LaunchPad_Driver3. CCS5.5.0 4. win8 64bit现象1. CCS可以连接并debug2. 硬件管理器里面可以看到USB映射com3. 将launch pad 串口收发短接(去 ...… 查看全部问答> |
|
成都成我科技有限公司高薪诚聘硬件工程师、嵌入式开发, 良好的福利和发展前景邀您加盟~ 工作地点:成都天府软件园 联系方式:11093753@qq.com(请将简历发送至此邮箱或加QQ详谈) 嵌入式工程师 岗位职责: 1. 根据需求裁剪Linux 2. 调试摄 ...… 查看全部问答> |




