历史上的今天
今天是:2025年02月18日(星期二)
2021年02月18日 | 新日本无线和多摩川精机共同研发用于车载旋转变压器的励磁放大器NJU7870
2021-02-18
新日本无线新开发的用于检测混合动力汽车和电动汽车驱动轴和旋转轴旋转角度的低压驱动旋转变压器(角度传感器)励磁放大器NJU7870已经开始提供样片,该放大器可简化励磁电路设计,实现实装电路板和ECU※1小型化、轻量化以及提高产品可靠性。
※1 ECU : Electronic Control Unit(电子控制单元)
【概要】
混合动力汽车和电动汽车等环保型汽车上必不可少的驱动电机要求高精度角度检测和高安全性,于是用于检测驱动轴和旋转轴角度的旋转变压器(角度传感器)则发挥着重要作用。在旋转变压器系统里,需要把检测到的旋转变压器信号转变为数字信号的R/D转换器和给旋转变压器提供励磁信号的励磁电路。
在旋转变压器、R/D转换器产品上拥有高市场份额和市场绩效的多摩川精机携手新日本无线共同合作开发高性能的旋转变压器系统,于是就开发出了这款旋转变压器励磁放大器NJU7870产品。
【产品特点】
1.最适合旋转变压器励磁的电压输入和电流输出励磁电路大幅度减少了设计负担
以往的分立元件构成,在构筑电压输入和电流输出(电流控制方式)励磁电路时,旋转变压器是电感负载,增加了电路设计的复杂性,常有简单计算和实际测量不合等问题存在。要想得到希望的特性,需要耗费许多设计精力。NJU7870集成了差分电压输入和差分电流输出的励磁电路,能够实现最适合驱动旋转变压器的电路特性。只需输入所希望得到的电流大小的差分电压信号就行,是款使用起来非常简单顺手的好产品,解决了以往分立元件电路设计的难题,大幅度减少了设计工时。

NJU7870励磁电路(由差分电压输入和差分电流输出构成)
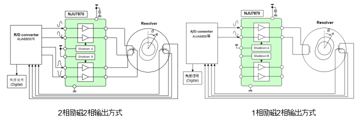
2.采用了2路励磁电路,能对应多种旋转变压器系统
NJU7870搭载了2路差分电压输入和差分电流输出电路。可在外部控制各路工作,形成1相励磁或2相励磁方式,可和各种旋转变压器组合使用。另外,实现了在分立构成时难以做到的各相的高精度特性匹配,特别是2相励磁方式的旋转变压器系统,有助于电机旋转角度检测的高性能化。
电路构成例

3.采用小型封装SSOP16,最少外接元件,实现电路板小型化
NJU7870采用了小型封装SSOP16,外接元件只需连接电源端子的电容器。与以往的分立电路构成相比,大幅度缩减了实装面积(比以往分立电路构成缩减90%:本公司调查结果)。

【产品性能】
工作电压 (2.4V to 5.5V)
差分电压输入和差分电流输出
跨导 (13.5mAP/VPP typ)
工作温度范围 (Topr= -40ºC to +125ºC)
消耗电流 (4mA typ.)
内置过热关断电路
内置外部控制关断功能
封装 (SSOP16)
【应用】
角度传感器(旋转变压器励磁电路)
【产品外观图】

【样片/生产计划】
●样片 已经开始提供
●量产 计划从2021年4月开始
史海拾趣
|
在多电平系统中,直流电平转换是很常见的事情,这直接关系到一个系统设计的成败,TI在直流电平转换上的方案还是不错的,如SN74LVC4245(3.3V~5V),SN74AVC8T245(1.2V~3.6V)等,附件是TI的相关器件的详细介绍。 … 查看全部问答> |
|
我用lpc1343枚举了一个USB HID键盘设备,描述符我用的USB 键盘的,以前用过没问题的。 用end1 发送键盘数据,但是空闲时段一直发送0x00,0x00,0x00,0x00,0x00,0x00,0x00,0x00.但是按键数据又是正常的,就是表象没什么影响。不知道会不会对别的有影 ...… 查看全部问答> |
|
上海汉的信息技术股份有限公司 诚招嵌入式软件工程师 任职要求: 1.本科以上学历,计算机软件或相关专业,2年以上工作经验。 2.具有2年以上C++语言,linux或unix开发经验。 3.熟悉嵌入式开发。 4.懂日语者优先。 有意者请将简历发 ...… 查看全部问答> |
|
单片机与PC机的串口通信时,刚开始的时候传的数据是正确的,工作一段时间,传的数据就出现错误,当向PC机传固定的一个数据时,还出现时而正确,时而错误的情形,不知道这是为什么。… 查看全部问答> |
|
這是用於燈具產品內的發光二極體光源的評估指南的第一版,適用於發光二極體作為光源的元件,例如發光二極體模組,發光二極體陣列、電源與控制電路。也涵蓋了由最終產品製造商製作的發光二極體光源,它可以是產品的一部分或 ...… 查看全部问答> |
|
LM3S8962自带工程boot_demo_eth经常出现烧录失败的问题。IAR编译的。大家碰到过吗? LM3S8962自带工程boot_demo_eth经常出现烧录失败的问题。其它工程很少出现。IAR编译的。大家碰到过吗? 用LM Flash Programmer 下载是成功的,没有任何出错的信息。但是下载完成后,就是没有办法跑起来。 用IAR可以调试,但是调 ...… 查看全部问答> |
|
哪位大侠写过msp430f149控制DHT11温室读传感器的串口显示程序,我调了好久总是不能显示数据 ?不知道什么原因?高手帮忙啊,不胜感激之至!! 串口程序; #include \"usart.h\"struct DHT_data{ unsigned char DH_H; ...… 查看全部问答> |
|
ucos ii 的中断处理过程是这样的(直接上代码): { OSIntEnter(); //Call ISR... OSIntExit (); return; } OSIntExit () { #if OS_CRITICAL_METHOD == 3&n ...… 查看全部问答> |




