历史上的今天
今天是:2025年02月20日(星期四)
2021年02月20日 | ISSCC:英特尔Horse Ridge II,简化量子控制系统复杂性
2021-02-20 来源:EEWORLD
与传统计算机相比,量子计算能够以更快的速度解决某些复杂问题。然而,现有的互连和电子控制方式成为了制约量子计算进入商用的主要瓶颈。

在本周举行的国际固态电路会议(ISSCC)上,英特尔将公布该公司第二代低温量子控制芯片Horse Ridge II的技术细节。这款芯片凝结了英特尔集成电路设计、英特尔研究院和技术开发团队多个领域的专业技术和知识。
目前,量子计算机只能在毫开尔文范围(仅比绝对零度高出几分之一度)内运行。但是作为英特尔量子计算研究的基础,硅自旋量子位可以在一开尔文或更高温度下工作,这将大幅降低量子系统制冷的难度。英特尔的低温控制研究致力于让控制量子位和硅自旋量子位实现相同的操作温度水平。
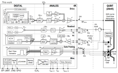
Horse Ridge II特点
Horse Ridge II的设计基于第一代SoC产生射频脉冲以操纵量子位状态的能力,也称为量子位驱动(Qubit Drive), 并引入了额外的功能,包括读取量子位状态和同时控制多个量子位栅极电位。
Horse Ridge II是高度集成的低温SoC,由超过1亿个晶体管组成,使用了英特尔22纳米(nm)低功耗FinFET技术。其功能和性能已在4开尔文条件下完成验证。
和上一代一样,Horse Ridge II利用频率复用(frequency multiplexing)来减少用于量子位驱动和读出的射频(RF)电缆的数量。一个具有集成指令集的数字密集型架构可使低温芯片完美地集成到现有的量子控制堆栈中。
可驱动多达16个自旋量子位,并具有直接数字式频率合成器(DDS)架构和集成数字滤波器以减轻串扰,目标输出频率范围为11至17 GHz。
集成的微控制器在实现控制指令集和执行算法方面具有更大的灵活性。
通过使用RF单电子晶体管反射仪,Horse Ridge II可同时读取多达6个量子位的状态。
该控制芯片还具有22个高速数字模拟转换器(DAC),以同时控制多个量子位的栅极电位。以前这些DAC是放置在室温下的独立电子器件,但现在可以通过导线进入到低温制冷机中以控制量子芯片上的栅极电位。
主要优势:
集成量子位读出可以实现片上、低延迟量子位状态检测,无需存储大量数据,从而减少内存和能源的使用。
同时控制多个量子位栅极电位的能力对于有效的量子位读出以及多个量子位纠缠和操作至关重要。
通过在集成电路中运行可编程微控制器,Horse Ridge II在执行三种控制功能方面提供高度的灵活性并实现复杂协调。
Horse Ridge II有可能取代传统解决方案中使用的所有高速电子器件,为可扩展的量子计算机铺平道路。
辅助技术插图如下:

图2:Horse Ridge II低温控制器的简化框图,并显示了与量子位芯片的预期连接。

图3:上图:在4K测得的PA和基带VGA在不同增益设置下的量子位驱动器输出功率。显示了<-50dBc IM3(两个音调)的最大输出功率。下图:随着能量增加,一系列高斯脉冲的时域捕获。

图4:性能总结。所有测量都是在4开尔文温度下完成。
上一篇:未来科技新蓝海:硅基光电集成技术
史海拾趣
|
LM339集成块内部装有四个独立的电压比较器,该电压比较器的特点是:1)失调电压小,典型值为2mV;2)电源电压范围宽,单电源为2-36V,双电源电压为±1V-±18V;3)对比较信号源的内阻限制较宽;4)共模范围很大,为0~(Ucc-1.5V)Vo;5)差动输入电 ...… 查看全部问答> |
|
平台:S3C2440 + WINCE60 添加了USB FUNCTION的相关组件,把设备映射成 Serial. 但是系统起来后,PC端检测不到设备。没任何反映。 用万用表测试 USB PORT的 D+ 也有3V。(D+用一个IO口控制,已经置为高)。请问PC端什么检测不到呢?谢谢。… 查看全部问答> |
|
PC对PLC通过MODBUS协议通讯时 给出的映射表是这样的 H0000 P区域 H1000 M区域 H2000 L区域 H3000 K区域 现在我要对一个M1900(已经 ...… 查看全部问答> |
|
哪位朋友有现成的卖给小弟,学生没多少钱只能出100元 要求 基于单片机的无线多路遥控发射,接收系统 本系统设计成8路受控对象的8种状态进行控制,采用多路遥控发射,接收系统将控制信号调制到高频上, 通过空间传输,实现对远程设备的状态控制.发端通 ...… 查看全部问答> |
|
今天特别郁闷,做实验室一不小心,把外部24V电接到了开发板的地,用的开发板是ST原厂出产的STM3210C-EVAL,两千大洋。 请问版主,是否还有药可救啊。… 查看全部问答> |
|
本帖最后由 paulhyde 于 2014-9-15 09:46 编辑 我看文件意思是必须用最小系统板.可是有点事我们老师现在有点事回家了.临走留下交代说用现成开发板就行..说往年也是这么说.用开发板没问题的.纠结了.问问大家意思 谢啦 … 查看全部问答> |
|
本文转自迅为4412精英版群: 本期实验比较简单,就是写一个简单的应用程序调用前面写的驱动。 硬件工具1)iTOP4412 开发板2)U 盘或者 TF 卡3)PC 机4)串口9.1.1.2软件工具1)虚拟机 Vmware2)Ubuntu12.04.23)超级终端(串口助手)4)实验配套 ...… 查看全部问答> |




