历史上的今天
今天是:2025年03月03日(星期一)
2021年03月03日 | 示波器探头补偿原理
2021-03-03 来源:eefocus
探头要做校准补偿大家也许都知道,但是为什么要做,底层原因是什么,也许很多人就说不上来了,今天就和大家分享一下,希望可以帮助大家更好的理解示波器探头。这一切,要从了解探头的补偿原理开始:
示波器输入电阻
示波器探头无法将电路信号送入示波器,咋一想,似乎直接连起来就能用了吧。
但是我们使用万用表测量示波器探头两端的电阻,居然有将近9M欧姆这么多,如下图所示:

万用表测量探头X10档两端电阻
而我们来看示波器,细心的朋友们会发现在示波器的BNC输入接口旁边一般都标记有1MΩ的对地输入电阻参数。很多人可能不理解这个是代表了什么。
STO1104C示波器BNC输入接口
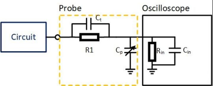
其实,在使用示波器探头测量电路的时候,由于不希望示波器探头的接入而改变被测电路本身的工作状态,因此示波器探头一定是高阻的,即输入阻抗比较大(兆欧级别)。而示波器是有一定的电压输入范围的,但是不同的测量场合又会有不同的电压,所以示波器探头会有不同的衰减比(1X,10X,100X……)。那么最简单的信号衰减实现就是电阻分压,如下图所示:

图中,R1为示波器探头上的电阻, Rin为示波器的输入电阻。一般 Rin = 1MΩ ,100X下为 R1 = 99 MΩ ,10X下 R1 = 9MΩ ,而1X下理论上应该为 0Ω ,但实际上R1约为几百欧,一般在300欧以内

万用表测量探头X1档两端电阻
示波器输入电容
那么按照上面介绍的电阻分压电路是不是示波器就能用了呢?不是的。
大家都知道,实际中,任何电路都不是理想电路,或多或少都有寄生参数。示波器与示波器探头的接口也不例外。由于示波器接口需要同时将信号与GND连接到示波器探头上(如下图所示,一般外圈的金属是GND,可以起到与外部屏蔽的作用,内部的金属为输入信号),因此,输入的信号和GND之间就形成了电容。无论怎样改进示波器接口的设计,都无法消除示波器的输入电容的寄生参数。
一般示波器的输入电容典型值为15pF,14pF,12pF的都有,图中所示为14pF。

有R又有C,这不就是RC低通滤波器吗?

我们算下这个RC电路的截止频率。考虑10X的档位,R1 = 9MΩ,Rin = 1MΩ,Cin = 14pF , 截止频率为

这样一来,凡是高于12.64kHz的信号都被衰减到不能看了。那么如何解决这个问题?减小Cin ,不可能,物理的限制就决定了 Cin 必然存在,而且14pF本身已经是一个相当小的容值了;减小 R1和 Rin?过小的电阻必然会对测量的电路造成影响。似乎没有其他的办法了。但总归是有聪明人能够找到解决办法:补偿电容

只要满足

就能使得在比较高的频率下,仍然能够按照正确的10:1的衰减比进行信号的传输而不发生信号的畸变。
但是新的问题又来了,不同的示波器 Cin不一样,即便型号一样,但是由于制造的参数不一致问题可能不同的示波器用同一个探头就不一定都能满足上面的比例关系。那岂不是要针对每一个示波器都要去单独制造特定的探头呢?怎么解决通用性问题呢?很简单,再增加一个可变电容。图中 Cp所示。

这样一来只需要去调节探头上的可变电容的大小,并从示波器上看波形畸变情况,就可以解决这个问题。
示波器一般都会输出一个1KHz,5V(或以下)的方波信号,该信号用作探头补偿校准。该信号常用一个方波符号加一个接地符号标示。我们可以将这个信号作为信号源。启动示波器,按下图所示,把探头的BNC接至通道1,另一端接到方波信号输出端口。

当出现以下两种情况时,说明探头补偿不正确,需要使用“调节棒”对探头上的补偿电容进行调节。

补偿过度的波形

补偿不足的波形
用调节棒拧动探头螺丝孔内的螺丝,调节补偿电容,以得到正确波形。

也有的探头将其设置在探测头一端,如下图:

所以,当示波器更换新探头或探头长时间未使用时,我们应该对探头进行补偿校准。

补偿正确的波形
上一篇:示波器探头类型和用法介绍
下一篇:示波器测量时如何减少波形噪声
史海拾趣
|
跪求 TMS320C5509与LCD的接线图,并且我想使用TMS320C5509做图像采集,采集的图像精度为352X288,请求摄像头与TMS320C5509的接线图… 查看全部问答> |
|
☆☆☆☆美国讯升科技急急急急急急急急急急聘Linux/Uinux 下C++工程师☆☆☆☆☆ ☆☆☆☆美国讯升科技急急急急急急急急急急聘Linux/Uinux 下C++工程师☆☆☆☆☆ 请严格符合以下条件者请投简历到:bzhang@comrise.com,并注明应聘职位及招聘信息来源于天涯论坛。 一:手机应用软件开发工程师 Qualifications A: 手机应用软件 ...… 查看全部问答> |
|
最近找工作,请问大家“IC封装测试”是干什么的呢? 主要是以下几个问题,谢谢了哈 1.工作的主要内容是什么的呢? 2.工作的前景如何,以后发展方向主要是怎样的呢? 3.行业的待遇具体怎么样呢? … 查看全部问答> |
|
更新IV:FirmwareLib在EK_STM32F上的学习体会(I2C/IWDG) 继续,上一贴是:更新III:Firmware Lib在EK_STM32F上的学习体会(FLASH/GPIO)再早的几个帖子链接可以在上一贴内找,就不一个一个列出来了,等全系列结束了来个总集。-----------------------I2C分隔线-----------------------------------Exem ...… 查看全部问答> |
|
我是刚刚接触stm8 自己焊了块板 今天调试串口就是不行,可以接收到但是是乱码 我用的是它官方的固件库 下面是例程 /*********************/ #include "stm8s.h" #include "stdio.h" main() { &nb ...… 查看全部问答> |
|
msp430F449的时钟最高可以40MHZ,请问下这个40MHZ是外接40MHZ晶振实现,还是编程实现?单片机频率40MHZ除了功耗大,还有什么负面影响吗? 还有 我软件变成只能将XT2上的8M时钟作为MCLK,请问怎样编程实现40MHZ的F449的MCLK频率??… 查看全部问答> |




