历史上的今天
今天是:2025年03月04日(星期二)
2021年03月04日 | 旋转LED屏显示控制器设计方案
2021-03-04 来源:eefocus
引言
在各种设备中,显示设备占有重要地位,少了显示设备就像人少了眼睛,很多内在的东西都看不见。显示设备很重要也很常见,然而它的外形总是那么单调,像一个个的模型。旋转LED屏以其新颖、可视角360°吸引了电子狂热者的眼光。本项目是通过主控芯片STM32F103,将触摸技术与旋转LED屏幕相结合,可以实现时钟的变换,还可以利用触摸技术在旋转LED上玩一些小游戏[1],让旋转LED不再只是单一的观赏性的技术。
旋转LED显示屏是一种通过同步控制发光二极管(LED)位置和点亮状态来实现图文显示的新型显示屏,因其结构新颖、成本低、可视视角达360°而得到了迅速的发展。目前,常见的LED显示屏都是采用扫描方式进行显示的,其实现原理是在不同时间段内控制不同批次的LED轮流点亮,根据人眼的视觉暂留特性,当扫描帧频达到24Hz以上时,人眼便感觉不到扫描过程,而是一幅稳定的图像。旋转显示屏则是通过控制一行或一列LED快速移动位置和改变点亮状态来实现图形的显示,如果LED在各位置循环变换速度足够快,同样可以显示出一幅稳定的图像。POV原理(即视觉滞留原理)将它用于显示屏,优势表现在可用少量LED实现传统方式下海量LED才能实现的显示屏。用单片机控制LED,触摸按键提供用户与系统交互。旋转中的LED漂浮在半空中的景观给视觉带来享受。
基于这样的现状和原理,本文提出了基于TI公司TLC5947驱动芯片及STM32F103的旋转LED屏显示控制器设计。该旋转LED屏采用人眼视觉频率滞留原理,制作的旋转LED虚拟屏在微控制器的精确控制下,使用少量的LED便可完全实现传统方式下海量LED才能实现的一种新型显示技术。旋转三基色全彩LED是基于RGB原理,通过改变三种颜色的色调、饱和度、强度可以实现最高36色真彩图片显示,从而使显示更加绚烂夺目。该旋转LED屏与平板式LED显示屏和其他显示器技术(如CRT、LCD、PDP)相比较,旋转式线阵LED屏幕有着成本低、分辨率高、功耗小等几个明显优势[2]。
1 系统硬件设计
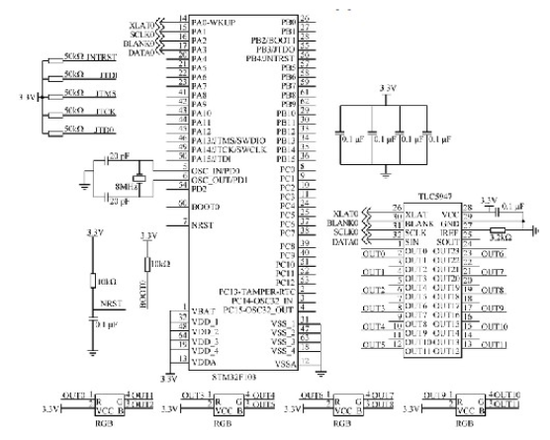
STM32F103通过TLC5947与LED连接[3],用来控制旋转板上LED灯的显示。例如可以通过单片机STM32F103控制LED灯旋转显示时钟模样或各种图形[4],如果条件允许的话,可以显示一些简单的游戏。LED与ARM处理器相连接,通过ARM处理器对触摸信号的处理来实现LED灯的显示样式的变化,从基态的指针式时钟变为数字显示式以及改变其显示的背景,还可以进行时间的校准操作。TLC5947驱动旋转LED屏显示控制电路如图1所示[5]。

图1TLC5947驱动旋转LED屏显示控制电路
1.1 STM32F103简介
选用了STM32F103控制器,STM32F103是增强型系列,最高工作时钟频率可达72 MHz,具有ARM CortexM3内核、128~256 KB Flash、20~48 KBRAM、8 MHzCPU晶振、32.768 kHz RTC晶振以及丰富的外设(64个快速I/O口)和4 GB的线性地址空间。ARM采用的仿真器很贵,而单片机的调试工具则非常便宜。相较之下,CortexM3参考单片机,专门拿出一个引脚来做调试,从而节约了大量的人力物力。CortexM3集成了大多数的存储器控制器,这样就可以直接在MCU外连接Flash,降低了设计难度和应用障碍。CortexM3处理器结合了多种突破性技术,使得它能实现低功耗、低成本、高性能三者(或二者)的结合。编程支持ISP下载功能,能通过USB端口和JLINK仿真器供电,使用起来非常方便[6]。
1.2 TLC5947简介
TLC5947是TI(德州仪器)公司推出的24通道,具有内部晶振的12位PWM脉宽调制的LED驱动芯片。TLC5947采用超小32引脚QFN的高级封装[7]。它为LED提供了精确的恒流值,通道与芯片之间的差异值只有±2%;高速的传输速率(单片芯片时30 MHz,级联为15 MHz);输出通道之间交错时间迟滞,避免出现传输误差;该芯片内部具有温度检测系统,当芯片的温度过高时为了保护芯片,它会自动断开所有的输出通道,当温度恢复正常,芯片正常工作;该芯片支持级联,可以多个芯片共同工作以驱动更大规模的LED显示屏幕。24个通道的当前电流值是通过外部IREF与地之间的阻值来设置的,驱动电路中的电阻由所驱动LED灯的电流决定。芯片具有宽泛的操作电压30~55 V,含有4 MHz的内部晶振。TLC5947适用驱动全彩LED和显示屏。
1.3 LED显示屏
选用三色(RGB)LED灯, 实现多重色彩光源,绚丽多彩的输出。同时,LED本身也具备相当的稳定度、高效率、单色彩纯度高、光强度可调等功能。LED与ARM处理器相连接,通过ARM处理器对触摸信号的处理来实现LED灯的显示样式的变化,从基态的指针式时钟变为数字显示式,以及改变其显示的背景,还可以进行时间的校准操作。
2 系统软件设计
2.1 点亮点线圆的设计及其算法和公式
点设计主要应用直角坐标到圆坐标转换[8],通过坐标转换点亮任何位置的灯。线设计源于点设计,在点设计基础上采用Bresenham直线演算法画出所需的直线、斜线、曲线。在线设计基础上衍生出矩形绘画、绘图、填充等功能。
程序初始化完了,接着定义由直角坐标转换到极坐标,在程序中将弧度转到角度,在转换的时候考虑到会有负数数据的输入,加入360+0.5均是为了优化程序,防止出现误差。程序中距离r=x2+y2,角度a=180×arctanxyπ+360+0.5.
直角坐标到圆坐标转换算法如下[9]:
void ConCoor(int x,int y,int *rad,int *angle) {
double r,a;
r=sqrt(x*x+y*y);
a=(180*atan2(x,y))/PI+360+0.5;
if(a》=360)
a=a-360;
(*rad)=r;
(*angle)=a;
}
直角坐标转换完后,可以设置点的亮灭,接着用Bresenham直线演算法画出直线。
程序的整体流程如图2所示。系统上电后,首先读取系统的初始状态,设置ARM和TLC5947的工作状态,开启无线通信;然后等待旋转屏幕稳定,初始化菜单,等待输入指令;利用Qtouch控制传输命令到STM32F103,执行指令(用户交互过程);执行用户命令操作。
2.2 TLC5947芯片时序
TLC5947时序如图3所示,芯片的主要控制引脚有4个[10]:数据输入端SIN、外部时钟输入端SCLK、灰度寄存器控制端XLAT以及输出控制端BLANK.通过数据输入端口将所需要的灰度数据送到SIN端,然后通过控制时钟信号SCLK将数据写入到芯片内部的灰度数据移位寄存器中,之后通过控制灰度寄存器的控制端XLAT的高低电平变换实现芯片TLC5947内部灰度数据的更新。当XLAT引脚的电平发生变化而产生一个上升沿时, TLC5947内部灰度数据将被更新一次,即图3中Grayscale LatchData 中被重新写入数据。芯片的数据输出分两部分,一部分是串行数据输出和恒流源数据输出。串行数据输出是接在灰度数据移位寄存器之后,当寄存器的数据满256位时,可以根据SCLK时钟的变化通过一个DQ触发器将数据从串行数据端口SOUT端输出,这一端口主要是芯片级联时后一级芯片的数据输入;而恒流源数据输出OUT0~OUT23则是通过输出控制端口BLANK和芯片内部自带时钟Oscillator Clock来共同控制,其中输出电流大小则可以通过芯片的VREF引脚的外接到地电阻来控制,根据外接LED的自身限流参数,保证LED正常工作。本系统中采用的是3.2 kΩ电阻,所以该芯片的控制主要是4个引脚端口的控制,操作上比较简单方便。

图2程序的整体流程
3 结论
实验中,通过主控制器STM32F103对两片级联的TLC5947芯片进行了测试,外围电路连接的是三色LED灯,外界供电电压为5 V稳压源,转换之后系统的供电电压为3.3 V稳压源。当写入相对应的程序控制字时,三色LED灯能够正确显示,单一色、混色两种工作模式均成功得以实现。而且LED灯之间的变化时间可以通过程序来控制,只要主控制器的时钟频率合适,变换时间均在人眼识别能力之外,这样就可以通过改变不同的程序控制字来实现全彩LED屏的设计。

图3TLC5947时序图
史海拾趣
|
有天,一个新工程师问我,做好产品开发最重要的是什么? 这个问题把我问住了,想了好一会,才回答说: 第一:千万不要相信经验,不是因为你的经验不够丰富,而是你面临的问题不可能和经验完全一样,经验还要经过实 ...… 查看全部问答> |
|
为了能在用TI图形库方便些特做了个小工具,且不断一步步增加完善中 9。24 [ 本帖最后由 蓝雨夜 于 2011-9-24 09:13 编辑 ]… 查看全部问答> |
|
小弟在读取spi类flash W25Q128时,发现速度很慢,经测试,只达到300KB/S作用的速度。与要求相差甚远,于是想,是否可用DMA方式来读取,以便速度能提高。 首先说一下SPI与DMA的配置,配置 ...… 查看全部问答> |
|
型号:CM-AM335X基于TI的AM3359处理器,500、600、720MHZ,ARM CORTEX-A8,内存DDR2 1GB,NANDFLASH 256MB. CM-AM335X是莱得科技专门针对工业产品应用做的低成本平台,高达720MHZ的 Cortex-A8处理器能满足各种工业应用。针对工控领域 ...… 查看全部问答> |
|
replyreload += \',\' + 1562052;本书是模拟设计领域牛人经验的浓缩,总结了100个问题,下载: Timson,如果您要查看本帖隐藏内容请回复… 查看全部问答> |
|
出一些板子和其他东西,430,51,stm32,tiva等等 本帖最后由 flashtt 于 2015-9-3 21:20 编辑 电赛结束了,我的大四也即将开始,清算一下以前的东西,存货挺多,先出一些板子和其他东西,晚上再上图 1.参加”蓝桥杯“省一的奖品,一个乐迈R9030蓝牙耳机,原价130左右,对我没什么用,我可是交了 ...… 查看全部问答> |
|
EEWORLD大学堂----2015 TI 音频创新日 (3) 面向 BT 扬声器 / WIFI 的音频解决方案与完整的参考设计 2015 TI 音频创新日 (3) 面向 BT 扬声器 / WIFI 的音频解决方案与完整的参考设计:https://training.eeworld.com.cn/course/2229… 查看全部问答> |




