历史上的今天
今天是:2025年03月05日(星期三)
正在发生
2021年03月05日 | 电容传感器测量系统模块电路设计之数码管显示电路
2021-03-05 来源:eefocus
简介:该文设计了一种基于AT89S51单片机的海上液位测量系统。该系统采用分段电容检测的原理,以实现油水双液位的检测。合理搭建了微小电容测量的硬件电路。系统可以准确无误地应用于海上油位的测量。数码管显示电路。
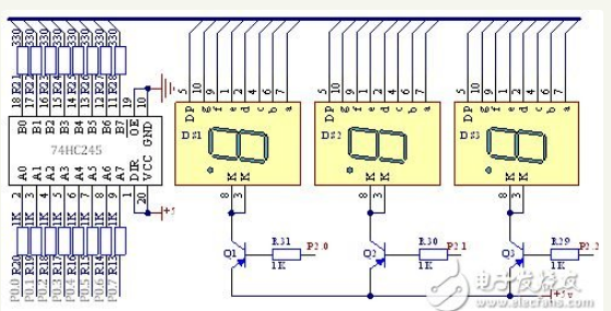
数码管显示电路
采用三位LED数码管作为液位数据的显示。74HC245为显示驱动芯片,其输入接P0口,输出接数码管八个管脚。三段数码管分别由P2.0、P2.1、P2.2控制。AT89S51单片机与数码管的显示电路如图8所示。

图8 数码管显示电路
推荐阅读
史海拾趣




