历史上的今天
今天是:2025年03月05日(星期三)
2021年03月05日 | C8051F020单片机的电路设计
2021-03-05 来源:eefocus
设计采用高性能单片机C8051F020为控制芯片,监控示波器面板上40个按键、3个编码开关及4个电位器的状态。分别介绍了键盘、编码开关和电位器的工作原理,以及其与单片机连接的硬件电路及软件编程的实现。按键部分采用的键盘程序设计方法,给出了键码匹配子程序流程图。
监控程序负责系统中全部硬件和软件资源的分配、调度工作,它提供用户接口,使用户获得友好的工作环境,是系统设计中一个重要组成部分。
1C8051F020单片机概述
伴随着电子技术快速的发展,越来越多的人加入电子开发的大军。在学习电子技术和研发项目的过程中,避免不了要使用一些仪器,例如万用表、示波器等等,然而对于一些非专业的爱好者,拥有一台数字示波器是比较“奢侈”的。本设计C8051F020单片机,因其具有成本低、制作简单、测量精度高等优势,恰恰满足了这一部分人的需求。
C8051F020单片机是高度集成的片上系统。在芯片内集成了2个多通道ADC子系统(每个子系统包括1个可编程增益放大器和1个模拟多路选择器)、2个电压输出DAC、2个电压比较器、电压基准、SMBus/I2C总线接口、UART、SPI总线接口、5个通用的16位定时器、1个具有5个捕捉/比较模块的可编程计数器/定时器阵列(PCA)、内部振荡器、8个8位通用数字I/0端口和64KBFLASH程序存储器,以及8051兼容的高速微控制器内核。
C8051F020单片机是所有模拟和数字外设均可由用户固件使能/禁止和配置。Flash存储器还具有在系统重新编程能力,可用于非易失性数据存储,并允许现场更新8051固件。片内JTAG调试电路允许使用安装在最终应用系统上的产品MCU进行非侵入式(不占用片内资源)、全速、在系统调试。该调试系统支持观察和修改存储器和寄存器,支持断点、观察点、单步及运行和停机命令。在使用JTAG调试时,所有的模拟和数字外设都可全功能运行。
2一键多义键盘工作原理
一台完善的智能仪表功能往往很多,设定的量程、参数也很多。如果还是用一键一个功能,势必要有一个很大的键盘,面板相应扩大,不美观,而且成本增加。因此在这类仪表中,键盘设计成一键多义,一个键有多种功能。
在一键多义的情况下,一个命令不是由一次按键组成,而是由一个按键序列组成。也就是说,对一个按键含义的解释,不仅取决于本次按键,还取决于以前按了些什么键。因此,对于一键多义的监控程序,首先要判断一个按键序列(而不是一次按键)是否已构成一个合法命令。若已构成合法命令,则执行命令,否则等待新按键输入。一键多义键盘管理程序,主要解决键盘按键序列的识别和如何根据键盘的按键序列去找相应的操作程序这两个问题。
上述问题可用“一图三表”的方法来解决。即,建立一张键图,依靠分析程序状态表,分析程序入口表和动作例行子程序表来完成。其中分析程序状态表总共分为4栏,分别为现状态PSTi、键码、下一状态、动作例行子程序编号。
3编码开关工作原理
编码开关有3个引脚和5个引脚的,其中2个引脚是按下功能,另外3个引脚控制编码开关的左旋和右旋功能,与引脚1、2相连的是两个长短不一的金属静片,与引脚3相连的是一周有12或24个齿的金属动片。当脉冲电位器旋转时可出现4种状态:引脚3与引脚1相连,引脚3与引脚2及引脚1全相连,引脚3与引脚2相连,引脚3与引脚2及引脚1全断开。
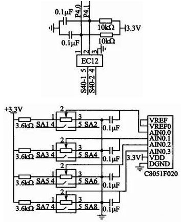
在实际使用中,一般将引脚3接地作为数据输入端。而引脚1、2作为数据输出端与单片机I/0口相连。本设计中用到3个编码开关,其中一个将引脚1与单片机的P4.0相连,引脚2与单片机的P4.1相连。当脉冲电位器左旋或右旋时,P4.0和P4.1就会周期性地产生图1所示的波形。如果是12点的脉冲电位器旋转一圈就会产生12组这样的波形,24点的脉冲电位器就会产生24组这样的波形。一组波形(或一个周期)包含了4个工作状态。因此只要检测出P4.O和P4.1的波形,就能识别脉冲电位器是否旋转,是左旋还是右旋。

4C8051F020单片机ADC0
C8051F020的ADC0子系统包括:一个9通道的可配置模拟多路开关(AMUX0)、一个可编程增益放大器(PGA0)和一个100ksps的12位分辨率的逐次逼近寄存器型ADC。ADC中集成了跟踪保持电路和可编程窗口检测器。AMUX0、PGA0、数据转换方式及窗口检测器都可用软件通过特殊功能寄存器来配置。只有当ADC0控制寄存器(ADCOCN)中的ADOEN位被置1时,ADC子系统才被允许工作。当ADOEN位为0时,ADC子系统处于低功耗关断方式。
ADC0端口的每一对均可用编程设置成为单端输入或差分输入。差分输入时的端口配对为(0,1)、(2,3)、(4,5)、(6,7),此设置由通道选择寄存器AMUXOSL的低4位和通道配置寄存器AMUXOCF的低4位确定。在AMXOCF中,位3~O各对应2个引脚通道。位值=0,表示是独立的单端输入(复位值均为单端输入);位值=1,表示是差分输入对。
C8051F系列单片机中ADC的速率都是可编程设置的,但最少要用16个系统时钟。一般在转换之前还自动加上3个系统时钟的跟踪/保持捕获时间(>1.5μs)。设置F020内ADC速率的方法是通过配置寄存器ADCOCF的位7~3来进行的,其复位值为11111(位7~3=SYSCLK/CLK(SAR)-1)。
一般在启动ADC之前都要处于跟踪方式,控制寄存器ADCOCN的位6如果为“O”,则一直处于跟踪方式(此时启动4种启动方式都可比跟踪启动快3个系统时钟);如为“1”,则有4种跟踪启动方式可选择,即对ADCOCN中的位3~2赋值:00为向ADBUSY写1时跟踪(软件命令),01为定时器3溢出跟踪,1O为CNVSTR上升沿跟踪(外部信号),11为定时器2溢出跟踪。
5系统硬件电路设计
键盘部分采用6×6矩阵键盘,P7.O~P7.5为行线,P3.0~P3.5为列线。P3.0与P7.O交叉处为一键,P7口接10kΩ的上拉电阻至3.3V。3个编码开关的1、2脚直接与单片机的I/0引脚相连,这里选择P4.O~P4.5,3脚接地,4、5脚用作按键使用。仅以接P4.O和P4.1引脚的编码开关为例,电路图如图2所示。模数转换部分使用内部电压基准,故将VREF引脚与VREF0引脚相连即可。采用电位器调节模拟量的输入,单端输入,电位器阻值为10kΩ,基准电压典型值为2.43V,电源电压采用3.3V供电。为使基准电压达到最大,需要一个阻值约为3.58kΩ的电阻与电位器串联接到模拟端口,硬件电路如图3所示,电位器的4、5脚也用作按键使用。

6系统软件设计
6.1一键多义键盘程序设计
在键盘分析中,运用一个工作状态寄存器保存键盘的现状态,当键盘扫描到一个按键时,根据现状态的值从分析程序入口表中找到分析程序状态表地址,从该地址处进入分析程序状态表,找到相匹配的值,把下一状态送到现状态单元里,取出动作号,根据动作号计算出动作子程序入口地址,再执行相应子程序。图4为键码匹配子程序的流程图。
6.2编码开关程序设计
由图1可以看出,引脚1和引脚2有同时为高电平的情况,之后如果引脚2比引脚1先到达高电平则表示左旋,如果引脚1比引脚2先到达高电平则表示右旋。编程的时候依据这个特点来判断引脚1、引脚2的状态即可。以1引脚接P4.0,2引脚接P4.1为例:

6.3模数转换软件设计
通过设置ADCO控制寄存器ADCOCN位3~2(ADOCM1~O)A/D转换启动方式选择位,来启动A/D转换:位3~2为00时,向ADOBUSY(ADCOCN位4)写1启动A/D转换;位3~2为01时,定时器3溢出启动A/D转换;位3~2为10时,CNVSTR上升沿启动A/D转换;位3~2为11时,定时器2溢出启动A/D转换。本设计采用第一种启动方式。
由于单片机的工作量并不大,所以软件设计时采用查询的方式。单片机不断地查询键盘、编码开关以及电位器的状态,如果有变化时,单片机将动作信息传递给ARM主MCU,等待主MCU的处理。由于单片机模数转换的速度非常快,因此在程序中加延时,以便观察到模数转换的变化量。另外,硬件设计时没有考虑滤波,故用软件实现滤波。一般的滤波的方法有限幅滤波法、中位置滤波法、算术平均滤波法等,现在提出一种新的滤波方法。由于使用12位A/D,但只要8位就可以达到所要的精度
由于单片机的工作量并不大,所以软件设计时采用查询的方式。单片机不断地查询键盘、编码开关以及电位器的状态,如果有变化时,单片机将动作信息传递给ARM主MCU,等待主MCU的处理。由于单片机模数转换的速度非常快,因此在程序中加延时,以便观察到模数转换的变化量。另外,硬件设计时没有考虑滤波,故用软件实现滤波。一般的滤波的方法有限幅滤波法、中位置滤波法、算术平均滤波法等,现在提出一种新的滤波方法。由于使用12位A/D,但只要8位就可以达到所要的精度,所以可以采用去掉低4位的方法来实现滤波的目的。由于篇幅有限,下面只给出程序的一部分,以AIN0为例:

结语
本文介绍的一键多义的,对多按键的智能仪表可以通用。编码开关的编程方法简单易懂。在A/D转换部分,提出的去掉低4位的软件滤波方法可靠可行,对精度要求不高的场合非常适用。这3部分构成了一个完整的监控程序,当单片机监控到某一部分有变化时,就将其动作信息传递给ARM主CPU,主CPU进行相应的处理
下一篇:51单片机中断源的扩展方法
史海拾趣
|
伙计们: 作为FPGA初学者,或已经工作,但是接触机会不多,又想学好它的人来说,有一个开发板是不错的。 可是这些人一般不会了解哪个好,那个不好。那就请高手来介绍或者指导买哪家的了。 在此,也强烈建议论坛开展一个diyFPGA开发板的活动… 查看全部问答> |
|
我已经从把摄像头采集的数据保存使用 mmap 内存映射来获取了图像,当用write函数得出的是jpeg格式的 我想得到bmp格式的图片怎么做,跪求,急用。谢谢各位。 … 查看全部问答> |
|
用verilog HDL 实现一个网络加密的算法(md5),有没有哪位高手能给点帮助,我邮箱是poppy220@126.com 先谢过啦!^_^ … 查看全部问答> |
|
附件为在使用STM32外设,进行初始化时,各个外设需要对哪些时钟进行配置的列表。希望大家对该文件的内容多提意见,我们将对其进行修改,使得大家在使用STM32时有所帮助。 相关链接:https://bbs.eeworld.com.cn/upfiles/img/20093/200931217123 ...… 查看全部问答> |
|
最近刚刚开始接触STM32,今天调试串口的时候发现一个很无奈的问题,源代码基本都是使用keil自带的demo,就不列举了。修改以下这些设置:/* PLLCLK = 12MHz * 6= 72 MHz */ RCC_PLLConfig(RCC_PLLSource_HSE_Div1, RCC_PLLMul_6 ...… 查看全部问答> |
|
想扩展个NOR FLASH ,SDRAM,FPGA,想问下各位,能实现吗?我是说都用EPI连接?可是手册上说配EPI的模式不同,如何实现?谢谢。 如果用MCU到FPGA,再到SDRAM,,不就多此一举了吗, 如果用I2C的或者SPI的FLASH,程序是不是得先考到RAM里? … 查看全部问答> |




