历史上的今天
今天是:2025年03月09日(星期日)
2021年03月09日 | 基于单片机的湿度检测系统电路模块设计
2021-03-09 来源:eefocus
其工作原理是: 电容式相对湿度传感器的容值随着湿度的变化而线性的变化,通过信号检测和转换电路将变化的电容转换成与之对应的变化的电压,再由A/D转换器把模拟电压信 号转换为数字信号并送入到单片机中,单片机对采集到的信号进行滤波处理并通过查表得到实际测量的湿度值,之后通过单片机的各外部接口电路显示该湿度值,或 通过其与上位机的接口把此值送入到上位机进行保存及打印等操作。
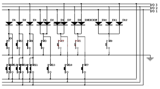
键盘控制电路设计
键盘电路是单片机应用系统最常用的人机接口电路,用它可以完成湿度值的设定、移位、加1、减1、清零、前翻页、和后翻页等功能。但它往往要占用较多的 I/O端口。在本湿度检测系统中,除了把一个独立的按键用作开始键外,利用了一种新型的键盘电路,它可以最大限度地减少键盘电路对I/O端口的占用。这种电路可以使按键次数达到16个,其软件处理使用了端口访问和扫描检测两种方法,同时由于采用了组合逻辑来直接对端口进行读取,因此极大地简化了程序的处理过程,同时也节省了宝贵的存储器和CPU运算资源。键盘控制电路如图2所示。

图2 键盘控制电路
LED显示电路设计
在本系统中,由于该湿度计还要进行信息的实时显示,所以设计了LED显示电路。该电路由三端可调集成稳压器(LM317)、晶体管(NPN)、串行输入/8位并行输出的移位寄存器(74LS164)、显示器(共阳极LED)和电阻构成,电路图如图3所示。

该显示控制电路中单片机串行口工作方式为0,即为8位移位寄存器,TXD为同步信号输出端,RXD为串行数据输出端,选用在串行口接串行输入/8位并行输 出的移位寄存器74LS164来驱动LED显示器。但是由于74LS164无并行输出控制端,在串行输入过程中,其输出端的状态会不断变化,故在某些使用 场合,在74LS164与输出装置之间还应加上可控的缓冲级(如三态缓冲器74LS244),以使串行输入过程结束后再输出。而这里是通过控制NPN晶体 管的导通与截止和LM317,来控制显示器(LED)共阳极电位的高低,从而控制显 示器的亮暗,也就是在数据传输过程中显示器暗、在数据传输结束时显示器亮。由于74LS164在低电平输出时,允许通过的电流可达8mA,故不需要再加驱 动电路。通过电位器RP2调整脚2的输出电压,可使LED的显示亮度均匀在线可调,而且可以节约大量限流电阻。
电源控制电路设计
电源电路是给电子设备提供必要的电源能量的电路,就输入和输出而言,在集成电路中主要使用的是由交流(AC)220V,50/60Hz的市电转换成直流电。该部分电路由降压、整流、滤波、稳压四部分组成,其电路图如图4所示。

在设计稳压部分时,根据电路对电源要求的不同而选择不同的稳压电路,由于A/D转换器(TLC1549)、看门狗定时器(X25045)、三端可调集成稳 压器(LM317)、单片机(AT89C51)要求电源电压的稳定性较高,所以采用了三端固定式集成稳压电路(78H05);由于测量电路和频率/电压转 换器对电源要求不太高,所以分别采用稳压管给它们供电;由于A/D转换器的基准电压(REF+)对电源要求非常高,所以采用精密基准电压源 (LM336-5.0V)供电。
湿度检测和传送电路的设计
湿度检测和传送电路的作用是将被检测出的湿敏元件参数的变化转化成电压变化使其能满足A/D转换电路的要求。该部分电路由自激多谐振荡器、脉宽调制电路和频率/电压转换器LM2917电路组成。电路的原理图如图5所示。

LM2917是一种单片集成频率/电压转换器,芯片中包含了一个高增益的运算放大器/ 比较器,内含的转速计使用充电泵技术,对低纹波具有频率倍增功能。虽然如果对频率量f直接由单片机系统进行频率检测,而省去f/v转换和A/D转换是可行 的。但对于电容放大后,使得7555时基IC的输出频率在6~4.48kHz,总有一基值频率为4kHz,使得直接测频计数的有效位减少。再者电容放大器 又存在温漂问题使得频率值有所波动。造成测量误差而影响精度。因此本检测系统还是选用了f/v转换和A/D转换电路。
本系统采用了高精度的电容式相对湿度传感器,在系统运行稳定时,湿度测量范围为0~100%RH。系统还充分利用了AT89C51单片机自身的软硬件资 源,具有智能化、可编程、小型便携等优点,因此只要选用不同的湿度传感器,并修改相应的软件控制程序,本检测系统就可应用在环境保护、工业控制、农业生产 以及军事等方面,可见其具有非常广泛的应用前景。由于该系统主要是湿度的检测而涉及湿度的控制比较少,所以在控制方面有待进一步研究。
上一篇:51单片机是如何实现存储数据的
下一篇:使用51单片机应注意的
史海拾趣
|
我用的是51系列的单片机,做的一个在中断中执行键盘扫描的程序,用的LCD1602显示,但是当中断返回后,显示器上已经输入的东西会不见, 用的是外部中断,跳沿触发方式 请帮我看一下是什么问题啊 汇编语言的, MOV R0, ...… 查看全部问答> |
|
键盘输入作为最常用的输入设备仍有其不可替代的作用。下面首先对传统键盘作一个简单的介绍。 (1)传统键盘的介绍键盘的结构通常有两种形式:线性键盘和矩阵键盘。在不同的场合下,这两种键盘均得到了广泛的应用。线性键盘由若干个独立的按键组成, ...… 查看全部问答> |
|
http://www.jslc.org.cn/list.php?act1=do&tid=48&ttid=102 这上面有嵌入式培训的网址: 兄弟我像学习嵌入式开发,不知道这个培训班的内容怎么样啊?各位前辈给点意见啊,谢谢! 下面是一些课程介绍: 课程体系 基于ARM的嵌入式研发 ...… 查看全部问答> |
|
求助:我有一定的c#语言基础,我现在要开发一个GIS/GPS系统,请高手给点入门思路! 我有一定的c#语言基础,我现在要开发一个GIS系统,请高手给点入门思路! 我现在有好多问题不懂, 比如在开发GPS/GIS系统之前是不是要会制作和编辑地图? 如何将现有的电子地图应用到开发中,比如在现有地图上经度和纬度等 也许高手会觉得我问的 ...… 查看全部问答> |
|
我用的是一块2410的开发板,根据资料说明定制的系统下载到扳子上,系统能正确启动,但是当我使用自定义的系统编译时会提示ROM与RAM的地址冲突,提示错误为: Copy Section Offset: 8cef6f84 FileSys 4K Chunks/Mbyte: 12 ...… 查看全部问答> |
|
ST-LINK-II 可以支持MDK使用了!MDK3.22中文版已经在realview网站上发布了,里面已经集成了支持ST-LINKII的驱动,下载安装后就可以配合ST-LINKII使用。下载地址:http://www.realview.com.cn/down-list.asp?id=487… 查看全部问答> |
|
几乎所有今天制造的设备是使用遥控器。这使我们的生活更容易,因为现在的趋势是使一切东西简单化,用户没有那么多时间和精力去研究较为复杂的设备。通过这一改造,现在可以用电话遥控家里的车库门,而不像以前一样只有一个遥控器装置,而且也不用再 ...… 查看全部问答> |




