历史上的今天
今天是:2025年03月11日(星期二)
2021年03月11日 | 提升产品品质、捕获偶发性异常的终极奥秘
2021-03-11 来源:EEWORLD
摘要:工程师在日常测试中,是否有遇到产品不稳定经常被干扰、偶发性问题又抓不到这样的技术问题?例如时序的波动、幅值的跳变等。如何在连续不间断的测试中抓捕并记录这些跳变信号,提升产品品质?本文给出答案。
波形数据可以反馈产品的基础逻辑,只要产品出现了问题,工程师总能从波形上发现问题并给出解决方案。以下将介绍几种能抓捕异常信号的办法,为工程师解决问题提供有力的数据支撑。
一、平稳波形出现异常
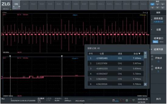
被测物正常状态下输出平稳的波形,当外界给他一些激励如加入干扰、做EMC测试等等,被测物可能出现波形上的变化,如何判定波形变化是否超出标准要求了呢?我们将使用示波记录仪的“GO-NOGO”功能解决此问题。
“GO-NOGO”可以选择以波形为参考依据,波形完全在灰色的区域中运行则不触发条件,如超出灰色框区域,则示波记录仪可以触发记录波形、截屏、报警等进一步的动作。

只要工程师设置好对应的“灰色安全区域”,即可放心的持续进行测试,所有的异常信号均可以被记录。

二、某一个参数出现异常
当信号无法使用波形作为判断依据,则可以进一步使用“测量参数”来进行判定。如被测物没有被干扰时,峰峰值为20~25V,只要超过这个范围则可以视为异常,那么就可以使用ZDL6000示波记录仪进行参数上的设置,记录仪会测量每一个波形的峰峰值,只要出现异常,即可以触发下一步的动作,依然包含记录波形、截屏、报警等操作。

三、多种异常条件混合时
当波形的异常条件很多,且同时需要对多路信号进行测试判定时,可以使用示波记录仪的“事件模式”。在此“事件模式”下,工程师可以手动设置各类事件的条件,如边沿异常、幅值异常、超时异常等,此时示波记录仪就可以在连续不断的测试中记录满足条件的异常事件,并将此异常事件的波形进行保存记录。

四、自定义异常捕获
示波记录仪可以自定义加载的算法文件来进行波形的波形的判定,这是异常信号捕获的终极奥义。可以当做是一种独特判定方式,记录仪可以实时的针对此判定方法和源数据进行比对,并且将结果显示出来。


史海拾趣
|
本帖最后由 paulhyde 于 2014-9-15 09:14 编辑 全国电子设计竞赛论文写作指导——电子竞赛设计与总结报告[书写格式]××××××设计与总结报告摘要一:方案设计与论证方案1:方案2:方案3:方案论证:方案选定:二:电路设计1、×××单元电路设 ...… 查看全部问答> |
|
有没有哪位用过AVR单片机,目前我在使用的过程中无法设置断点。 我确实是在stop debugging模式下设置的断点,但是只要一点start debugging就会显示“one or more breakpoints or tracepoints could not be set and have been disabled. The progra ...… 查看全部问答> |
|
在EVC里,点编辑框控件调用小键盘对话框输入值,如果m_Fspz,m_Screen都定义为CString下面的程序可以实现, CSoftKeybd dlg; if(dlg.DoModal()==IDOK) { ...… 查看全部问答> |
|
我要开发个软件,是让两架模块连接成data call,然后再从模块A传送文字去模块B。根据基本的指令。ATD0123456789 过后就在模块B键入ATA就可以连接,但是我只看到No Carrier罢了。如果我键入ATD0123456789;就可以连接,但是我看不到所说的Connect 9 ...… 查看全部问答> |
|
在st网站上下载了um0290。关于usb的iap程序。其中有个GETSTATUS函数:/********************************************************************* Function Name : GETSTATUS* Description &n ...… 查看全部问答> |




