历史上的今天
今天是:2025年03月16日(星期日)
2021年03月16日 | 射频技术第2部分-信号发生器基础指南
2021-03-16 来源:eefocus
拥有稳定可靠的高速无线连接,可以帮助企业赢得和保留客户。它已迅速成为企业开展业务的关键需求。为了满足这一需求,您需要拥有合适的 信号发生器(信号源)。
由于频谱是一种珍稀的资源,因此我们需要采用复杂的调制方案来提高频谱效率,使其能支出更高的数据速率。不过,要实施这些复杂的调制方案,信号发生器(信号源)必须精确、稳定和高效地工作。面对众多可选的技术指标和功能,要找到适合在工作中使用的信号发生器,可能需要付出艰辛的努力。
我们为此发布了信号发生器基础指南白皮书,它分为两部分,在第二部分中,我们将帮助您透彻地了解各种调制方案、频谱纯度的重要性,以及失真能够为您提供什么帮助。我们还将探索如何利用智能软件来大幅提升生产率。而在我们已经发表的第1部分中,我们介绍了信号发生器,以及它的一些基本技术指标,例如功率、精度和速度。
是德科技:射频基础 - 信号发生器基础指南 第一部分zhuanlan.zhihu.com
第5节.IQ 调制
了解 I/Q 调制的基本原理及其主要特征,并利用I/Q补偿对您的设计进行极限测试。
第6节.频谱纯度
频谱纯度性能是进行精确测量的一个关键因素。了解信号生成过程对相位噪声的要求。
第7节.失真性能
了解各种失真,以及它们对您的测量有何影响。
第8节.软件
软件是一个能够成倍提升生产率的工具。使用恰当的软件,您只需简单地点击几下,便能快速完成设置和测试。
射频基础知识第5节一IQ调制
让我们举例来解释一下 IQ 调制的概念。今天是星期五,您和伙伴们决定去一家非常受欢迎的墨西哥餐馆吃午餐。你们到的比较早,发现有一张长桌正好能坐下你们一行10人。在你们点餐的时候,来吃饭的人越来越多。在等待上菜的时候,大家开始谈论他们的周末计划。Bill坐在桌子的另一端,离您比较远,您想问问他是否找到了一个进行飞蝇钓〈一种钓鱼方法)的新地方。不过由于餐馆内很吵,而且他坐得比较远,所以您听不清他的话。您开始配合使用手势和面部表情试图进行沟通。Bill也是如此。
从本质上来说,您和BiII的做法就是把肢体语言当成一种调制手段来进行沟通。沟通的效率取决于你们运用手势和面部表情的水平。这被称为调制质量。
在执行测量之前,信号发生器(信号源)的调制质量是一个主要的考虑因素。关键在于要确保您测试的是被测器件(DUT) 的性能,而不是信号发生器的性能。
什么是调制?
调制跟您挥舞手臂,向BiII传递信息一样。在电信号的世界里,调制将会修改高频信号以传递信息。就像手臂能传达信息一样,高频信号也能传达信息。
我们为什么要调制信号?在吵闹的餐馆里,“调制"使您能够与坐在桌子远端的Bill进行“对话"。对于数字通信来说,调制还使您能够使用窄频率带宽传输更多数据。
I/Q调制
基本的调制方案包括幅度、频率和相位调制。调制信号可以使用幅度和相位(矢量)的极坐标来表示。I/Q调制由于频谱效率较高,因而在数字通信中得到广泛采用。I/Q调制使用了两个载波,一个是同相 (I) 分量,另一个是正交 (Q) 分量,两者之间有90。的相移(见图5.1)。

图5.1 I/Q 相量图
I/Q调制的主要优势是能够非常轻松地将独立的信号分量合成到一个复合信号中,随后再将这个复合信号分解为独立的信号分量。
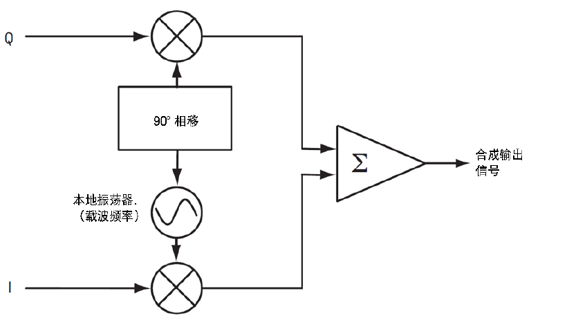
在数字发射机中,丨信号和 Q 信号通过同一个本地振荡器 (LO) 混合,不过这个本振在其中一条 LO 路径上放置了一个90°的移相器 (见图5.2)。这个90° 的相移使 I 信号和 Q 信号彼此正交,互不干扰。

图5.2 基带 I/Q 调制
主要IQ调制参数
调制方案
矢量信号的变化在I/Q图上可以用幅度、相位、频率或这些指标的组合来表示。这些幅度和相位的变化产生了不同的调制格式。由于数据是用二进制传输的,星座图中的点数必须为2的幂。最基本的数字调制格式为:
PSK(相移鋰控丿
FSK(频移繾控丿
ASK(幅移繾控丿
QAM(正交幅度调制丿
星座图和符号
星座图展示了QAM格式的可用符号。以16QAM格式为例,每个符号表示着四个二进制位的一种可能组合。对于这四个二进制位来说,总共可能有16个组合。换言之,每个符号表示着四位。
为了提高数据带宽,我们可以增加每个符号表示的位数,这样可以提高频谱效率。不过,随着星座图中符号数量的增加,符号间的距离开始变小。符号越来越接近,因此就越容易受到噪声和失真的影响,出现错误。图5.3展示了当从16-QAM格式变为64-QAM格式时,符号密度的增加。

图5.3 16-QAM 和 64-QAM 格式的星座图
数字调制类型一变量
通信系统在基本调制方案中使用了三个主要变量。这些变量可以避免I/Q信号迹线通过零位(星座图的中心),从而在功率效率上占据优势。
IQ偏置调制:在 ZigBee 2450-MHz频段中使用OQPSK
差分调制:在蓝牙 2.0+EDR中使用 π/4 DQPSK
恒包络调制:GSM 使用 GMSK; Wi-SUN使用2-FSK

图5.4 IQ调制变量
正交频分多路复用 (OFDM) 是另一种常用的调制方案。很多最新的无线和电信标准都采用了这种策略,例如数字广播、xDSL、无线网络 和 5G 新空口 (NR) 蜂窝技术。
OFDM 使用了多个重叠的射频载波。每个载波都在精心选择的频率上工作(这个频率与其他载波正交),并且采用了并行子载波方案,因此这种传输方案能够支持更高的比特率。此外,OFDM 方案在频谱效率、灵活性和稳定度等方面都具有优势。
比特率与符号率(波特率)
比特率是系统传输比特流的频率。符号率等于比特率除以每个符号可以传输的比特数。例如,在 QPSK 中,每个符号表示两个比特。QPSK 的符号率就是其比特率的一半。信号带宽和符号率成正比。
符号率=比特率/每个符号传输的比特数
误差矢量幅度(EVM)
误差矢量是理想 I/Q 参考信号与被测信号之间的矢量差。EVM 只是这个误差矢量的幅度。误差矢量是本地振荡器的相位噪声、功率放大器的噪声以及 I/Q 调制器减损等因素共同作用的结果。
为了确保能够评测被测器件的 EVM 性能,您所使用的信号发生器的 EVM 性能害要比被测器件的预期EVM性能好 5 至10 dB.
例如,802.11 ax 发射机EVM 标准要求1024 QAM 的 EVM 达到 -35dB。 对于在设计验证中使用的信号发生器,其剩余 EVM 本底应低于 -45dB。不过,在生产测试中,EVM 性能小于 -40 dB 就己经非常好了。

图 5.5 误差矢量图解

图5.6 802.11 ax 星座图和误差概览
I/Q减损
I/Q减损可能会在您的设计中突然出现。当出现这种情况时,您需要仿真这些减损,以便对您的设计进行强化测试,或对信号路径上的时间和幅度变化予以补偿。您的信号发生器能鸲生成I/Q减损。使用下列I/Q调整来仿真您所需要的减损。I/Q调整的使用情况与影响汇总请参见表5.1。
I/Q偏置:I 信号和Q信号的直流偏置
正交角度:Q信号相位相对于 I 信号相位的偏移
I/Q偏移:I 信号和Q信号之间的相对时延
I/Q增益平衡:相对于Q信号幅度的 I 信号幅度
I/Q相位:通过同时旋转 I 信号和Q信号,获得内部I/Q信道的绝对相位

表5. 1 I/Q调整的使用情况
除了I/Q调整之外,您还可以向载波添加相位噪声减损或 AM/FM 以仿真不完美信号,或向调制信号添加 AWGN 作为干扰源,以便您进行设计验证。
射频基础知识第6节.频谱纯度
为了解释频谱纯度的概念,让我们举一个例子。Dave来到您家门口,按响了门铃。他在门口等了几分钟。一个温文尔雅的年轻人打开门,看了看Dave,然后指了指起居室。Dave走进起居室,把他的钢琴调音叉放在一旁,开始弹琴。Dave是来给大钢琴调音的。
在Dave弹奏每个音调时,他不断击打调音叉。Dave每打一次,音叉便发出宁静、近乎完美的音调。Dave以这个完美的音调作为参考,对钢琴进行调音。
信号发生器的工作就像调音叉一样,它能鸲发出几乎完美的信号,用于各种射频应用,例如时钟参考、射频功率放大器测试、相邻信道灵敏度测试等。信号发生器输出的完整性,也就是我们所说的频谱纯度。
优质的信号发生器会输出近乎完美的信号。不过,在实际波形中,会发生幅度波动和相位波动。波形在时域中会出现相移和幅移。在频域中,该信号同时拥有幅度调制和相位调制。频谱纯度的主要测量参数是相位噪声、谐波和杂散。
在本节中,您将学习频谱纯度是什么,它为什么很重要?
谐波与杂散
谐波和杂散均是确定性(非随机)信号,它们是在对信号进行混合或分离以便获得输出信号时产生的。这些都是在射频系统中生的多余频率。谐波表现为载波频率的整数倍,而杂散频率则是载波频率的非整数倍。
图 6.1所示的是1 GHz 的载波频率及其谐波和杂散。与基本载波(游标 1)相比,2次谐波(游标 2)为 -64.36 dBc, 3次谐波(游标 3)为 -72.83 dBc。 游标 4 和 5 指示的是毛刺。

图 6.1 信号发生器在1 GHz 时生成的连续波(CW) 信号
测量谐波和杂散需要选择高动态范围的信号分析仪。否则,您所探测到的谐波和杂散可能是来自信号分析仅,而不是来自被测器件(DUT)。
相位噪声
相位噪声是振荡器信号周围噪声频谱的频域视图。它描述的是振荡器的频率稳定性。频率稳定性可以分为两个部分:长期稳定性和短期稳定性,如下面的图6.2所示。
下面的表6.1显示了长期频率稳定性与短期频率稳定性之间的比较。短期变化会导致相位噪声,而长期漂移会影响精度。

图 6.2 长期和短期频率稳定性

图 6.1 长期和短期频率稳定性
定义相位噪声数量,最常用的方法是:在距离主频率的特定频率处,确定1 Hz带宽内所包含的单边带 (SSB) 功率值。请见下面的公式:

图 6.3 显示了信号发生器的 SSB 相位噪声测量结果。黄色迹线表示瞬时功率测量结果,而蓝色迹线表示结果平均值。

图 6.3 SSB 相位噪声测量结果,包括对数图和十进制表
要想有效测量相位声,您使用的信号分析仪的相位声性能应至少比信号的预期相位声低 10 dB。否则,相位声测量结柴会受到频谱分析仪的本振相嗪的影响。
相位噪声有什么作用
了解了相位噪声对测量结果的影响,您可以为测试选择恰当性能的分析仪。相位噪声过高,会掩盖主频附近的微弱信号。
雷达应用
雷达系统需要出色的相位噪声性能。雷达以特定频率发射脉冲,并测量每个返回脉冲的频率变化。根据多普勒效应,可以通过频率变化计算出目标的速度。如果目标移动非常缓慢,那么返回脉冲的频移很小。
在图6.4中,移动目标的返回脉冲是“有用信号",固定目标(如地面)的返回脉冲是“干扰信号"。如果有用的下变频信号被相位噪声掩盖,那么雷达接收机就无法识别运动目标。

图 6.4 不良的 LO 相位噪声影响了接收机灵敏度。
数字调制
图 6.5 显示了正交相移键控 (QPSK) 数字接收机的简化方框图。LO 信号的相位噪声转换成了混频器的输出。相位噪声导致在星座图上的符号(绿色)发生径向涂抹。对于更高阶调制方案〈如 256 QAM)中间距较小的符号来说,径向涂抹可能会重叠,并会导致接收机灵敏度不佳。

图6.5 简化的数字接收机方框图
正交频分复用 (OFDM)
OFDM 是广泛用于宽带数字通信的制方案。OFDM 使用许多较为接近的正交子载波信号来同时传输数据(如图6.6 所示)。本地振荡器的相位噪声会将子载波的相位噪声扩展到其他子载波,对其他子载波产生干扰。该相位噪声将会导致 OFDM 信号的调制质量降低。
正交颤分多路复用

图 6.6:OFDM 信号使用相位噪声性能较差的本振进行上变频
精密的信号发生器支持您在合成器部分调整相位声,以而降低信号发生器的相位噪声,并帮助评测接收枧设计的灵敏度。
射频基础知识 第7节.失真性能
在现代无线通信和数字无线系统中,为了实现更高的频谱效率,各个频道之间相距很近。使用数字多载波调制方案的正交频分多路复用 (OFDM) 技术在宽带数字通信中得到广泛应用。
测试无用的非线性频谱失真对于频道间隔较窄、带宽较宽的通信系统至关重要。这些失真通常是由元器件、模块、子系统和整个设备造成的。
它们可能是信道内、频段内和频段外出现的多余频谱信号。它们不仅会降低发射机的性能,还会影响接收机的灵敏度。
失真可能会在信号发生器中累积。失真性能是信号发生器(信号源)的主要技术指标之一。失真性能可能对器件表征产生重大影响。在本章中,您将了解到各种不同类型的失真,以及它们对测量结果有何影响。
什么是失真?
我们都知道它听上去怎么样,它令我们的耳朵多么不舒适。当您加大数字设备的音量时,失真便会发生。当音频系统无法输出完整的幅度,峰值被削掉后,就会出现谐波失真。
失真是对原始波形的改变。在信号发生器中,有两种主要的非线性失真:谐波失真和互调失真
当纯正弦波的平滑电压变化突然遇到电压变化而中断时,便会发生谐波失真。这种突然变化通常是由非线性半导体造成的。谐波的频率是正弦波的整数倍。
互调失真是当您将两个或多个不同频率的信号混合在一起时,所获得的杂散输出。杂散输出是输入频率整数倍的和与差。
测量失真
谐波失真
我们以一个连续波 (CW) 音频为例,介绍一下如何测量谐波失真。图7.1显示了一个谐波失真测量装置。被测器件 (DUT) 可能是一个放大器或混频器。信号发生器输出一个连续波,其频率为Fi。这个连续波通过一个低通滤波器,以便消除来自信号发生器的谐波失真。注意,这个低通滤波器的截止频率 Fc 小于 2Fi 。

图7.1 谐波失真测量装置
谐波表示为基频功率与谐波频率功率之比。例如,一次谐波可以表示为:

测过使用的信号发生器必须谐波失真很小,而月在信号发生器与被测器件之间必须有一个低通滤波器。这样可以确保测得的谐波是来自被测器件,而不是来自信号发生器。
互调失真一双音频互调
目前,评测互调失真的技术有很多。最简单的互调失真测量方法是使用双音频三阶互调法,也称 IP3 (三阶截获点)。IP3 法使用双音频输入信号,并测量被测器件非线性部分所生成的三阶失真信号。
图7.2显示了双音频三阶互调测量装置。被测器件可以是一个放大器或混频器。
F1 和 F2 是双音频输入的频率。两个信号发生器输出的两个频率通过混频,生成了这个双音频信号。双音频信号必须不包含任何三阶信号。这个三阶失真信号发生在2F1-F2 和 2F2-F1 频率处(红色),它也是距离原始双音频频率最近的失真。事实证明,要想通过滤波消除它们非常困难。在通信系统中,它们对相邻信道形成了干扰。

图7.2 双音频互调失真测量装置
假设两个测试音频的幅度相等,IP3是输入音频与三阶信号之差.
IP3(dB)=Po-Po3
其中,Po是其中一个输出音频的幅度,Po3 (红色)是双音频任何一侧三阶信号的幅度。
互调失真一频谱再生
在最新的无线标准中,通常使用更宽的带宽和多载波技术(例如载波聚合)来显著提高数据吞吐量。双音频三阶互调法无法全面表征宽带宽元器件的特性。
使用幅移和相移的数字调制会产生一定的失真,这也称为频谱再生。图7.3显示了数字调制信号的频谱再生(红色区域)。
频谱再生在主信道外扩散。此类失真可以通过相邻信道功率比 (ACPR) 测量来分析。它会测量主信道功率与落到相邻信道的功率之比。

图7.3 数字调制信号的频谱再生
想要使用信号发生器来仿真失真?请试用我们的生成功率放大器测试信号 。
在大多数蜂窝一致性测规范中,ACPR 测量都是一项关繾的发射枧特征。要执行ACPR测量,您需要使用失真极小的信号发生器,以生成符合特定标准的测试波形。
最大程度地提升器件性能
在长期演进 (LTE) 演进型节点 B (eNB) 功率放大器测试中,研发验证对 ACPR 测试的要求是在10 MHz 信道偏移时,失真大约为-60 dBc。N5182B 的典型失真性能为-69 dBc。由于发生器的失真极小,所以您可以充满信心地进行ACPR测量。表7.1显示了Keysight N5182B 信号发生器的3GPP LTE-FDD(频分复用)失真性能。

表7.1 N5182B 矢量信号发生器的3GPPLTE-FDD失真性能
射频基础知识 第8节.软件
想象一下这个画面:尤塞恩·博尔特,奥运会冠军,地球上跑得最快的人之一,踏上了起跑线。他小心翼翼地在起跑线上就位,脑海中不断浮现出一旦发令枪响,便迅速起跑直至冲过终点线的一连串画面。不过,这次的情况有点不同。尤塞恩看上去有点紧张,因为他想穿着高跟鞋赢得100米比赛。
拥有高性能的信号发生器,但没有配备恰当的软件,就像尤塞恩.博尔特穿着高跟鞋赛跑一样。在这种情况下,您很难发挥出硬件的全部潜力。使用恰当的软件就像穿上恰当的跑鞋参加比赛一样。您可以获得动力和控制力,充分发挥身体潜能并赢得比赛。
Signal Studio
Signal Studio是集成在是德科技信号发生器(信号源)中的一款信号生成软件。您可以用它来为特定应用生成适合的基带、射频和微波测试信号。您还可以用它快速生成定制参考信号,以便测试您的器件。Signal Studio提供了三种风格的导航和图形界面,并且目前可支持最新的Windows操作系统。

图8.1 Signal Studio 的三种风格的导航界面
为工作台和生产线应用生成信号
Signal Studio使您能够连接到信号发生器,然后通过局域网(LAN)或通用接口总线 (GPIB) 连接到计算机。内置配置工具让这个过程变得轻松快捷。Signal Studio用户界面包含一个控制窗口,用户通过这个窗口能够直接控制连接的仪器。在高级自动化和控制方面,它的应用程序编程接口(API)公布了软件的信号创建和生成参数。该功能还支持用户自定义用户界面,以方便信号生成。
在进行大规模生产部署时,您可以把在Signal Studio中创建的波形下载到信号发生器的非易失性存储器中。该软件还使您能够使用可编程仪器标准命令(SCPI)或通过前面板调用和回放这些波形。您还可以将定制的测试波形轻松、快速地下载到多个信号发生器中。不过,在您使用Signal Studio生成波形时,需要注意许可证要求。

图8.2 使用 Signal Studio 与X系列信号发生器及分析仪的典型元器件测试配置
波形回放功能增强器件测试
Signal Studio的基本波形回放功能使您可以创建和定制波形文件,满足元器件和发射机测试需求。您可以处理各种信号参数,计算波形结果,并下载文件以便使用信号发生器进行回放。以下是您可以使用Signal Studio 软件实现以下功能:
创建频谱校正信号,用于信道功率、频谱模板和杂散测试
查看互补累积分布函数(CCDF)、频谱、时域和功率包络图,以分析功率斜波、调制格式、功率变化、限幅等对器件性能的影响
利用波峰因数缩减技术调整峰均比(PAPR)
选择SignalStudio软件产品,您将可以保存 89600 VSA或X系列测量应用软件的设置文件,以便进行进一步分析。

图8.3 Signal Studio 的 CCDF 和综合频谱视图
利用实时功能进行接收机测试
Signal Studio还可以生成符合标准的信号或自定义信号,以便对包含信道编码和多天线端口的接收机系统和硬件组件进行早期测试。结合使用信号发生器(信号源)和/或示波器以及Keysight 89600 VSA软件或X系列测量应用软件,能够评测接收机链(RF、IF和 IQ)各个阶段的接收机性能。
所选 Signal Studio软件的实时功能还拥有其他额外特性,可以帮助您在开发过程中的各个阶段创建信号,用来测试接收机设计。高级选项使您能够创建完整的通道编码信号,用于分析接收机BER、FER、BLER和PER,从而在专用集成电路(ASIC)、数字信号处理(DSP)等应用中验证基带子系统编码。您还可以在射频/基带集成、系统级测试等过程中检查接收机的性能和功能。
是德科技波形下载工具
是德科技提供了下载程序,可以将波形自动转换成基带信号发生器要求的文件格式,极大简化了将波形下载到信号发生器(信号源)的步骤。
是德科技波形下载助手软件
下载助手软件是一个免费的软件工具。通过它,您能够将定制的I/Q数据下载到任何矢量信号发生器的基带信号发生器中,而后可以使用一条 MATLAB 命令进行回放。此外,您还可以从MATLAB命令行界面发送SCPI命令,控制您的信号发生器。
特性:
1.易于在MATLAB中使用一使用下载助手的MATLAB功能连接到仪器,从MATLAB命令行界面下载波形数据、设置参数和回放波形。无需缩放或格式化数据;波形下载助手软件将为您完成此工作。
2. 灵活的仪器控制一使用波形下载助手软件,可以从MATLAB命令行界面发送 SCPI 命令,以控制信号发生器的设置。
3. 波形序列可编程一可以从MATLAB命令行界面使用一系列 SCPI 命令创建、下载和播放波形序列。我们提供了M文件示例,以便帮助您快速入门。
Keysight SystemVue 软件
Keysight BenchVue是一个PC软件。您可以快速配置多种仪器最常用的测量和设置,包括图8.4左侧所示的信号发生器。您可以选择波形文件所在的文件夹,并将它们下载到信号发生器。此外,BenchVue还提供了一个易于使用的测试流程,它可以自动控制仪器〈见图8.4中的右图)。

图8.4 用于信号发生器的 KeysightBenchVue 软件用户界面
编程环境
您可以使用各种编程环境来创建波形数据,并将其下载到基带信号发生器。编程环境中包括:
1.仿真软件:Matlab、KeysightSystemVue等
2.高级编程语言:C++、VB、VEE、MS VisuaI Studio.Net、Labview等
您还可以使用仪器的SCPI、工具的API或FTP命令,将波形文件下载至基带信号发生器。
BenchVue 软件平台 | 是德科技www.keysight.com
MATLAB 软件 | Keysightwww.keysight.com
奠定坚实测量基础
信号发生器(信号源)虽然简单,但它却是先进射频技术的基石。
1940年,HP 200B 音频振荡器帮助迪士尼打造了突破性的音响系统,使全世界的观众都能享受电影《幻想曲(Fantasia)》中扣人心弦的立体声音效。现在,这个简单的信号发生器(信号源)再次帮助工程师和科学家们在5G、多路输入多路输出(MIMO)和雷达等技术领域取得突破,使我们的世界变得更美好。
史海拾趣
|
本帖最后由 paulhyde 于 2014-9-15 09:37 编辑 /***************************************************** 本程序的目标是这样的: 1:不使用INTn中断功能,按键接在普通IO上 2:由定时器T/C2每隔一段时间检测按键一次, 并具有防抖动功能 3:每点击按 ...… 查看全部问答> |
|
电工测量与电测仪表--很基础很实用的好书 序言 前言 第一章 电测技术基础 第一节 测量的定义和分类 第二节 测量误差 第三节 电测仪表的分类 第三节 电测仪表的主要技术指标 第二章 电气测量指示仪表 第一节 电气测量指示仪表的概念和分 ...… 查看全部问答> |
|
1.Found clock-sensitive change during activeclockedge at time <time> on register \"<name>\"原因:vector sourcefile中时钟敏感信号(如:数据,允许端,清零,同步加载等)在时钟的边缘同时变化。而时钟敏感信号是不能在时钟边沿变化 ...… 查看全部问答> |
|
为什么在MULTISIM10中,单独做个电压比较器可以出来结果,加的信号源是系统的函数发生器(输入10V,1KHz,正弦波)~~~~~但为什么连到我们自己做的信号源(示波器显示也是10V,1KHz,正弦波)上就出来结果不对呢?… 查看全部问答> |
|
对于DVR有哪些方案啊?了解的朋友提提哈。具体用是哪个芯片 现在我所知道的 主要是 TI的 DM6446 海思的351x系列 还有台湾的智原818x系列。 从事过DVR开发的朋友,还有其他的方案吗?谢谢啊~~~~… 查看全部问答> |
|
我的平台是PXA270+Wince5.0 现在LCD的显示比较奇怪,刚进入系统的时候,主画面的显示还算正常,但是一切换画面,屏幕就会局部或者部分发白。 比方说,打开IE,屏幕就会整个发白,字体看不太清楚。 打开控制面板,屏幕会变成一条一条的,什么字都 ...… 查看全部问答> |
|
我用AT89S52与1602LCD相连,P1口与LCD的D0-D7相连,编写了一个程序,但LCD上显示的如果是数字,那只能显示偶数,如果是字母,那只能是b,d,f...我应该是D0脚有问题,每次这里测电平都是低电平,这跟前面的电路没有关系把?因为我是直接把P1.0和D1相 ...… 查看全部问答> |
|
各位FPGA论坛的大虾: 为了方便大虾和后来者使用,学习和共享. 我呼吁大家把已经经过验证的FPGA 模块 整理成册, 分享到论坛给使用! &n ...… 查看全部问答> |




