历史上的今天
今天是:2025年03月17日(星期一)
2021年03月17日 | 步进电机的单片机控制系统的设计
2021-03-17 来源:eefocus
1 引言
本文主要研究基于8051 单片机的步进电机的驱动器,驱动采用H - 桥驱动电路,使步进电机可在智能化程序控制下完成正转、反转、加减速及细分等各种操作。文中所设计的H - 桥驱动电路可使步进电机具有更高的性能,同时把数字电路与驱动电路隔离开,避免了步进电机运行时所产生的冲击电压和电流干扰单片机。
2 控制系统的硬件设计
步进电机的单片机控制系统硬件原理图如图1所示。

图1 步进电机的单片机控制系统硬件原理图
系统中采用并行控制,用单片机接口线直接去控制步进电机各相驱动线路。键盘作为一个外部中断源,设置了步进电机正转、反转、档次、停止等功能,采用中断和查询相结合的方法来调用中断服务程序,完成对步进电机的最佳控制,显示器及时显示正转、反转速度等状态。由于篇幅有限,在此仅给出H - 桥驱动电路和DPA 转换接口电路的设计。
(1) H - 桥驱动电路的设计
H - 桥驱动电路如图2 所示。其主电路的功率三级管使用4 个VMOS - FET 分为Q1 和Q4 及Q2和Q3 两组。其中,Q1 和Q3 为低电平导通高电平关断;Q2 和Q4 为高电平导通, 低电平关断。采用LM339 比较器作为电流检测元件,改变其输入参考电压,即可改变流过电机绕组的最大电流。比较器用一个DPA 转换器来控制其参考电压,使其为一阶梯变化的电压值,可以实现对步进电机的细分控制。

图2 H - 桥驱动电路
采用耦合变压器驱动VMOS 功率管Q1 和Q3 ,使其不存在静态导通条件。同时用7406 反向器和74LS00 组成逻辑电路提供VMOS 功率管栅极电压,其输出电压为10~15 V ,可以保证VMOS 功率管可靠截止和导通。
当电机某相绕组通电时,输入控制脉冲使Q1和Q4 导通,Q2 和Q3 截止,电流从电源经Q1 和Q4 ,右侧比较器以及电机绕组通过,当绕组电流达到额定值时,右侧比较器发生翻转控制Q1 关断,而电流一下降,Q1 再次接通。这种断续作用使相电流维持一个平均值。当电机绕组断开时,Q1 和Q4 截止,Q2和Q3 接通,电流迅速从Q2 ,Q3 和左侧比较器自行调整关闭功率管Q3 ,使电机绕组与高压电源断开,避免了绕组在电流衰减到零时再接着反向充电。
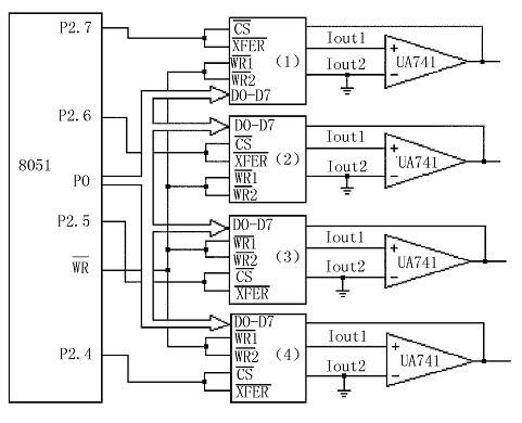
(2)DPA 转换接口电路的设计
DPA 转换接口电路如图3 所示。图中用DAC0832 作为DPA 转换器芯片,其输入为电流信号,可用UA741 集成运放将输出的电流信号转换成电压信号。DAC0832 的寄存器选择信号CS及数据传送信号XFER 都与地址线相连, 当地址线选择好DAC0832 后,只要输出WR控制信号,DAC0832 就能一步完成数字量的输入锁存和DPA 转换输出,并由UA741 集成运放将电流转换为电压信号输出控制比较器的参考电压。

图3 四路单缓冲DPA 转换电路
3 控制系统的软件设计
在软件设计中仅给出系统的正、反转控制程序和系统加减速程序流程,其他程序在此不再给出。
(1) 系统的正、反转控制程序
系统全部用软件来实现相序的分配,直接输出各相导通或截止的信号。现以四相步进电机运行为例,用一个输出口的八位数据线来控制四相混合式步进电动机,A、B、C、D 各相驱动线路的输入端分别用输出口四位来控制,规定低电平有效,则四相八拍工作时可用表1 中的数据控制。
表1 四相步进电动机运行控制数据表

观察表1 ,要使步进电动机换相,只需对字节内容进行循环移位就可以了,左移时电动机正转,右移时电动机反转。用8051 P1 口输出,在初始化程序中对P1 装载表1 中的任一数据编程,则正转换相程序如下:
CW: MOV A , R0 ;将输入口状态送累加器
RL A ;左移循环移位
MOV P1 , A ;送回输出口
RET ;返回
使用上述软件方法时,一般是用8051 内存的一个位地址存储电动机运行的方向标志。当执行程序时,首先判断方向标志,若为0 ,则调用正转子程序;若为1 ,则调用反转子程序,从而实现方向控制。
(2) 系统加减速程序
用定时器中断方式来控制电动机变速时,实际上是不断改变定时器装载值的大小。在控制过程中,采用离散办法来逼近理想的升降速曲线。为了减少每步计算装载值的时间,系统设计时就把各离散点的速度所需的装载值固化在系统的ROM中,系统在运行中用查表法查出所需的装载值,这样可大幅度减少占用CPU 的时间,提高系统的响应速度。
系统加减速流程图如图4 所示。

图4 加减速控制流程图
4 结语
本设计中介绍了步进电机接口电路,配合以单片机软件编程可以使复杂的控制过程实现自动控制和精确控制,避免了失步、振荡等对控制精度的影响; 设计中用软件代替环形分配器,通过对单片机的设定,用同一种电路实现了多相步进电机的控制和驱动,大大提高了接口电路的灵活性和通用性; 采用的H - 桥驱动器使步进电机在开环状态下可以达到较高的变速转速,且断电时不产生负的转矩分量。
上一篇:51伪指令的知识汇总
下一篇:51单片机解决调试过程
史海拾趣
|
信任你没有见过这样的摩托车,从侧面看就像是一个轮子,其实它有2个并排的轮子,左右平衡容易控制一些,但这样的怪异摩托车前后平衡感到还是很难节制的,看到这个摩托车的第一感到就是担心在快速行进当中,因为平衡没有控制好而向前栽倒。这款叫Uno ...… 查看全部问答> |
|
TI北京研讨会随想:DM8168——新一代高性能多媒体处理器 2010年8月9日,全球最大的芯片供应商德州仪器 (TI)在新世纪日航饭店举行了“TI技术研讨会(北京)“站的活动。整个研讨会分五个主题会场。在MCU/DSP主题讨论会上,TI公司DSP业务发展经理郑小龙先生介绍了TI最新的媒体处理器TMS320DM8168。 DM8168 ...… 查看全部问答> |




