历史上的今天
今天是:2025年03月17日(星期一)
2021年03月17日 | 51单片机闪烁灯制作
2021-03-17 来源:eefocus
简介:51单片机闪烁灯制作:在单片机P1.0端口上接一个发光二极管L1,使L1在不停地一亮一灭形成闪烁灯状态,一亮一灭的时间间隔为0.2秒。
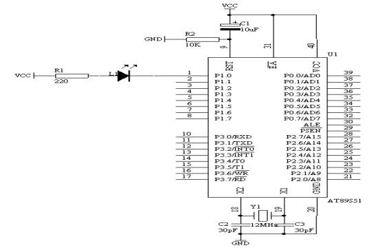
1.电路原理图

图4.1.1
2.系统板上硬件连线
把“单片机系统”区域中的P1.0端口用导线连接到“八路发光二极管指示模块”区域中的L1端口上。
3.程序设计内容
(1). 延时程序的设计方法
作为单片机的指令的执行的时间是很短,数量大微秒级,因此,我们要求的闪烁时间间隔为0.2秒,相对于微秒来说,相差太大,所以我们在执行某一指令时,插入延时程序,来达到我们的要求,但这样的延时程序是如何设计呢?下面具体介绍其原理:
如图4.1.1所示的石英晶体为12MHz,因此,1个机器周期为1微
MOV R6,#20 2个 2
D1: MOV R7,#248 2个 22+2×248=49820×
DJNZ R7,$ 2个 2×248 (498
DJNZ R6,D1 2个2×20=4010002
因此,上面的延时程序时间为10.002ms。
由以上可知,当R6=10、R7=248时,延时5ms,R6=20、R7=248时,延时10ms,以此为基本的计时单位。如本实验要求0.2秒=200ms,10ms×R5=200ms,则R5=20,延时子程序如下:
DELAY: MOV R5,#20
D1: MOV R6,#20
D2: MOV R7,#248
DJNZ R7,$
DJNZ R6,D2
DJNZ R5,D1
RET
(2). 输出控制
如图1所示,当P1.0端口输出高电平,即P1.0=1时,根据发光二极管的单向导电性可知,这时发光二极管L1熄灭;当P1.0端口输出低电平,即P1.0=0时,发光二极管L1亮;我们可以使用SETBP1.0指令使P1.0端口输出高电平,使用CLRP1.0指令使P1.0端口输出低电平。
4. 程序框图

5. 汇编源程序
ORG 0
START: CLR P1.0
LCALL DELAY
SETB P1.0
LCALL DELAY
LJMP START
DELAY: MOV R5,#20 ;延时子程序,延时0.2秒
D1: MOV R6,#20
D2: MOV R7,#248
DJNZ R7,$
DJNZ R6,D2
DJNZ R5,D1
RET
END
6. C语言源程序
#include sbit L1=P1^0; void delay02s(void) //延时0.2秒子程序 { unsigned char i,j,k; for(i=20;i>0;i--) for(j=20;j>0;j--) for(k=248;k>0;k--); } void main(void) { while(1) { L1=0; delay02s(); L1=1; delay02s(); } } 完毕!您现在会不会制作自己的闪烁灯了呢?
下一篇:基于8051的变速调温系统
史海拾趣
|
电子技术课程设计题目:秒表(要求:能精确显示0.01秒的变化;能同时对3个不同事件进行计时:比如长跑前三名) 电子技术课程设计题目:秒表(要求:能精确显示0.01秒的变化;能同时对3个不同事件进行计时:比如长跑前三名) … 查看全部问答> |
|
感觉USB,可深可浅. 浅的 不管三七二十一拿例子程序来仿,可能凑巧凑合着也能用. 深的,深不可测 香帮主能不能出点力,帮小白们普及点USB应用知识啊? 在上海或者南京什么地方办个班吧,2~5天时间,收费300~1000元… 查看全部问答> |
|
请教各位电子技术方面的前辈:本人是维修初学者,最近在给SAMSUNG K9F4G08U0A芯片写入原程序后,再读出写入后的程序发现写入后的程序与原程序大总份地方都不正确,编程器根本就没有办法检验,不知道是怎么回事?请各位前辈多多指教,因本人刚开始学 ...… 查看全部问答> |
|
我公司有个触摸屏是用wince英文系统的,我们电脑和触摸屏的故障信息是同步的,但是电脑改成中文故障信息后,触摸屏不能显示出中文故障,只显示乱码。 我应该怎么弄才能显示出来啊。… 查看全部问答> |
|
使用MAX485(单独USB供电)转换电平和485转USB,串口助手收发数据 逻辑是:PC通过串口助手发送数据给单片机使之进入中断后单片机将数据发送给PC。实验现象是:1:单片机通过485直接发送数据(不用中断),接收正确。2:使用串口中断后,在串口助手中 ...… 查看全部问答> |




