历史上的今天
今天是:2025年03月23日(星期日)
2021年03月23日 | STM32的开漏电路与推挽输出
2021-03-23 来源:eefocus
开漏结构
所谓开漏电路概念中提到的“漏”就是指MOS FET的漏极。同理,开集电路中的“集”就是指三极管的集电极。开漏电路就是指以MOS FET的漏极为输出的电路。一般的用法是会在漏极外部的电路添加上拉电阻。完整的开漏电路应该由开漏器件和开漏上拉电阻组成。如图1所示:

图1
组成开漏形式的电路有以下几个特点:
1. 利用外部电路的驱动能力,减少IC内部的驱动。当IC内部MOSFET导通时,驱动电流是从外部的VCC流经R pull-up ,MOSFET到GND。IC内部仅需很下的栅极驱动电流。如图1。
2. 可以将多个开漏输出的Pin,连接到一条线上。形成“与逻辑”关系。如图1,当PIN_A、PIN_B、PIN_C任意一个变低后,开漏线上的逻辑就为0了。这也是I2C,SMBus等总线判断总线占用状态的原理。
3. 可以利用改变上拉电源的电压,改变传输电平。如图2, IC的逻辑电平由电源Vcc1决定,而输出高电平则由Vcc2决定。这样我们就可以用低电平逻辑控制输出高电平逻辑了。
4. 开漏Pin不连接外部的上拉电阻,则只能输出低电平。
5. 标准的开漏脚一般只有输出的能力。添加其它的判断电路,才能具备双向输入、输出的能力。

图2
应用中需注意:
1. 开漏和开集的原理类似,在许多应用中我们利用开集电路代替开漏电路。例如,某输入Pin要求由开漏电路驱动。则我们常见的驱动方式是利用一个三极管组成开集电路来驱动它,即方便又节省成本。如图3。
2. 上拉电阻R pull-up的阻值决定了逻辑电平转换的沿的速度。阻值越大,速度越低功耗越小。反之亦然
图3
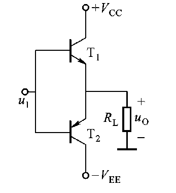
推挽结构
一般是指两个三极管分别受两互补信号的控制,总是在一个三极管导通的时候另一个截止.要实现线与需要用OC(open collector)门电路 .如果输出级的有两个三极管,始终处于一个导通、一个截止的状态,也就是两个三级管推挽相连,这样的电路结构称为推拉式电路。

推挽放大器
在功率放大器电路中大量采用推挽放大器电路,这种电路中用两只三极管构成一级放大器电路,两只三极管分别放大输入信号的正半周和负半周,即用一只三极管放大信号的正半周,用另一只三极管放大信号的负半周,两只三极管输出的半周信号在放大器负载上合并后得到一个完整周期的输出信号。
推挽放大器电路中,一只三极管工作在导通、放大状态时,另一只三极管处于截止状态,当输入信号变化到另一个半周后,原先导通、放大的三极管进入截止,而原先截止的三极管进入导通、放大状态,两只三极管在不断地交替导通放大和截止变化,所以称为推挽放大器。
推挽电路是两个参数相同的三极管或MOSFET,以推挽方式存在于电路中,各负责正负半周的波形放大任务,电路工作时,两只对称的功率开关管每次只有一个导通,所以导通损耗小 效率高。
输出既可以向负载灌电流,也可以从负载抽取电流。
上一篇:什么是STM32以及如何学习?
下一篇:STM32-串口实验学习笔记
史海拾趣
|
30MHzp频段无线收发简单电路的资料比较少,是因为这个频段传输速率受到很大的限制.。这个收发电路使用3V供电,使用直径34MM的电感线圈作为收发的共用天线,使用半双工收发,距离可以到数十米远,现把电路传上,仅共参考。 发现问题及时交流。… 查看全部问答> |
|
我用DNW终端。出现乱码后。我点击serial port下的connect出先RXTX-RHRED-ERR.而且是不停的出现.请问高手是什么原因… 查看全部问答> |
|
下载连接是:http://www.kuaipan.cn/file/id_11585566906778290.htm 我是用金山快盘共享的,没有快盘的朋友先注册一个:http://www.kuaipan.cn/account_register.htm?channel=dhq2xg… 查看全部问答> |




