历史上的今天
今天是:2025年04月19日(星期六)
2021年04月19日 | 51单片机的一些开发实用技巧
2021-04-19 来源:eefocus
一.C语言中嵌入汇编语言
单片机开发中,通常我们使用C语言编写主程序,这样可以充分借助C语言工具提供的运算库函数及强大的数据处理能力。但C语言的可控性不及汇编语言,在有些对时序要求严格的处理上,我们还需用灵活性更强的汇编语言来编写。上海AVR单片机培训这样就产生了C语言和汇编语言混合编程的问题,一般分成三种方式:1.汇编语言调用C语言函数;2. C语言调用汇编语言;3. C语言中嵌入汇编语言。这里我们主要介绍第3种,即C语言中嵌入汇编语言。
下面的一段程序是主程序调用精确的205μS延时子程序并使P1.0交替输出高、低电平的方波。
/*------------程序名test.c------------*/
#include P 晶振频率12.000MHz<>
/****************/
void delay(void)//延时205μS
{
#pragma asm
MOV R0,#100
LOOP:
DJNZ R0,LOOP
#pragma endasm
}
/***************/
void main (void)//主函数,其功能使P1.0交替输出高、低电平的方波
{
while(1)
{P1_0=!P1_0;
delay();}
}
具体实现过程为:
1.先用汇编语言编制一段延时程序,在keil开发环境中编译,然后进行软件仿真,晶振频率的设置应和你的要求相符。仿真时注意观察左边寄存器窗口内的时间显示,调整延时程序的参数可得到我们需要的精确延时。
2.用C51编写主程序及延时子程序的外壳(等待嵌入汇编语言),假定此程序名称为test.c。
3.将第1步所得的汇编延时子程序放入C51编写的延时子程序外壳中。注意在开始及结束时分别加上#pragma asm、#pragma endasm语句,这种方法是通过asm与endasm告诉C51编译器,中间行不用编译为汇编行。
4.按照Keil的使用方法,建立工程文件并添加源程序。
5.点击含有汇编程序的C源程序后再右击,在弹出的下拉菜单中选中Options for File ‘test.c’(图1),这时出现图2所示的界面,勾选Generate Assembler SRC File(生成汇编SRC文件)及Assembler SRC File(封装汇编文件)使其有效。
6. 根据项目的编译模式加载封装库文件,通常在Small模式时为C51S.LIB(该文件在C:KeilC51LibC51S.LIB),具体见图3。
7.点击Rebuild target(重建所有目标文件)即可得到编译结果(图4)。




二。用软件扩展外部中断
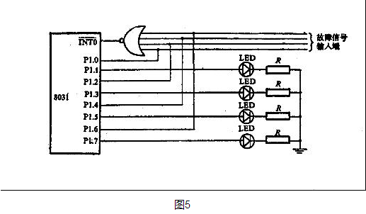
大家知道,51单片机的外部中断只有2个,书本上曾介绍了一种扩展外部中断源的方法,但是需增加硬件开销(见图5)。经或非门引入外中断源输入端(/INT0或/INT1),同时又连到某I/0口。这样,每个“源”都可能引起中断,在中断服务程序中通过软件查询便可确定哪一个是正在申请的中断源,其查询的次序则由中断源优先级决定,这就可实现多个外部中断源的扩展。

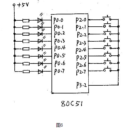
这种方法尽管扩展了外部中断源,但也有不尽人意之处,如设计一个具有8个中断源的电路,则需一个8输入端的或非门(或门),显然,对体积与成本都不利。这里介绍笔者设计的扩展外部中断源的方法,由纯软件实现,不添加一个元件(见图6)。

#include < P>
staticunsigned char data m;//m为全局变量
/*-------延时子程序-------*/
void delay(unsigned int k)
{
unsigned int i,j;
for(i=0;i
for(j=0;j<121;j++)
{;}}
}
/*---外部中断INT0子程序---*/
void init0()interrupt 0
{
delay(10);//延时10mS抗抖动干扰
if(P3_2==0)
{
EX0=0;//关INT0中断
EA=0;//关总中断
P3_2=0;//置P3.2为低电平
P2=0xff;//置P2口为全1
m=P2;//读取P2口状态至m
P2=0x00;//恢复P2口为全0
P3_2=1; //置P3.2为高电平
IT0=1;//置INT0为边沿触发
EX0=1; //开INT0中断
EA=1;} //开总中断
}
/********主程序*********/
void main(void)
{
P2=0x00;// 置P2口为全0
P3_2=1;// 置P3.2为高电平
IT0=1;// 置INT0为边沿触发
EX0=1;// 开INT0中断
EA=1; //开总中断
while(1)//无限循环
{
P0=m;//将全局变量m中的内容输出至P0口
P3_0=!P3_0;//P3.0取反,指示程序状态
delay(500);//延时500mS
}
}
程序解释:无按键按下时,P3.0的发光管闪亮,作程序状态显示。主程序初始化时,置P2口为全0,置P3.2为高电平,同时置INT0为边沿触发,并开放中断。8个按键的任一个按下时都会引起INT0中断,进入中断服务子程序后,首先关闭中断,然后置P3.2为低电平,置P2口为全1,再读取P2口状态至m,通过查询m的状态字即可知道正在申请的中断源。这里我们采用的方法是将m输出至P0口点亮LED作指示。退出中断时,重新开放中断。
三。库函数的生成
当将自己开发的程序提供给他人使用但又不便公开源代码时,把源代码做成库函数是一种可行的办法,这样可以保护自己的知识产权及利益,这里我们介绍生成库函数的方法及使用。
/*------------程序名test1.c------------*/
void delay(unsigned int k)
{
unsigned int i,j;
for(i=0;i
for(j=0;j<121;j++)
{;}}
}
1.按照keil的使用方法,建立工程文件test1.uv2并添加上面的源程序test1.c。
2.点击工程,在弹出的下拉菜单中点Options for Target ‘Target 1’,在Output 页面中,选中“Create Library:”后进行编译,则在指定的路径上生成与项目同名的“Lib”文件(图1)。需注意的是,存储模式(Large或Small)应与所使用的系统设置相同。

3. 建立另一个工程文件test2.uv2。
/*------------程序名test2.c------------*/
#include P 晶振频率12.000MHz<>
/****************/
extern void delay(void);
void main (void)//主函数,其功能使P1.0交替输出高、低电平的方波
{
while(1)
{P1_0=!P1_0;
delay();}
}
4.将包含主程序的test2.c及刚才生成的test1.LIB添加到工程中(图2)。在Output 页面中,勾选建立hex文件。

5. 点击Rebuild target(重建所有目标文件)即可得到编译结果(图3)。

四。修改Startup.a51起始代码
单片机运行过程中免不了受干扰,有时可能会造成死机,我们可以使用“看门狗”来复位并重启单片机。根据笔者的经验,这时的内存区数据可能不一定会全部冲毁,主要是PC指针错乱所为。上海模拟电路/数字电路培训但使用C51编写的程序在复位后会执行一段Startup.a51“起始代码”,导致内存全部清零,使正在运行的数据全部丢失。解决这一问题的办法是修改Startup.a51“起始代码”,本刊今年1月的文章<谈谈C语言在单片机开发中的应用>也谈到这个问题,但许多读者在keil集成开发环境中不知怎么做?这里我们通过一个实验程序来详解一下,实验采用<手把手教你学单片机>讲座的S2试验板(S2板的电路原理见2003年2月号<电子制作>)。
/*------------程序名test3.c------------*/
#include P 晶振频率11.0592MHz<>
#define uchar unsigned char
#define uint unsigned int
uchar code DATA_7SEG[10]={0xC0,0xF9,0xA4,0xB0,0x99,//0~9数码管字形码
0x92,0x82,0xF8,0x80,0x90};
uchar data counter1, counter2;//定义两个软件计数器
void delay(uint k) //延时子程序
{
uint i,j;
for(i=0;i
for(j=0;j<121;j++)
{;}}
}
void main(void) //主程序
{ delay(1); //延时1mS
while(1) //无限循环
{
if(counter1==counter2)//如两个计数值相等
{P0= DATA_7SEG[counter1];//输出至P0口显示
delay(500); //延时500mS
counter1++;counter2++;//计数值递增
if(counter1>=10){ counter1=0;counter2=0;}//计数值在0~9循环
}
else
{ counter1=0xff;counter2=0xff;//否则计数值置0xff
//…………出错处理
}
}
}
1.按照keil的使用方法,建立工程文件test3.uv2并添加上面的源程序test3.c。在Output 页面中,勾选建立hex文件。
2.点击Rebuild target(重建所有目标文件)可得到编译结果。
3. 编译通过后,将生成的test3.hex文件烧录到单片机89C51中,将89C51芯片插入到S2型试验板上,通电运行后,右边的数码管从0至9开始循环显示。显示到某个数(例如5)时,按一下RESET键,右边的数码管又从0至9开始循环显示。 这是因为带电复位(热启动)时,C51执行了一段“起始代码”,将内存的128个单元全部清零,导致计数值(例如5)丢失。
解决的步骤如下:
4.点击“文件”,在下拉菜单中选择“打开”,在弹出的搜寻路径中,选择C:KeilC51LibStartup.a51后打开,可见到如下代码:
………………………………………………………………………………………………
………………………………………………………………………………………………
IDATALEN EQU 80H ; the length of IDATA memory in bytes.
;
XDATASTART EQU 0H ; the absolute start-address of XDATA memory
XDATALEN EQU 0H ; the length of XDATA memory in bytes.
;
PDATASTART EQU 0H ; the absolute start-address of PDATA memory
PDATALEN EQU 0H ; the length of PDATA memory in bytes.
………………………………………………………………………………………………
………………………………………………………………………………………………
我们将IDATALEN EQU 80H ; the length of IDATA memory in bytes.改为IDATALEN EQU 00H ; the length of IDATA memory in bytes.然后保存关闭。
5. 将Startup.a51添加到test3.uv2工程中(图4)。

6. 点击Rebuild target(重建所有目标文件)可得到编译结果。
7. 将生成的test3.hex文件再烧录到单片机89C51中,将89C51芯片插入到S2型试验板上,通电运行后,右边的数码管从0至9开始循环显示。显示到5时,按一下RESET键,右边的数码管从5起继续计数显示(注意:这次不是从0开始),实现了热启动后的继续计数功能。
这种技术非常有用,如因干扰等因素导致“看门狗”动作后(即热启动),不会将原来正在处理的数据丢失,从而可继续工作下去。可能有的读者会问,一旦干扰冲毁了数据,那么继续工作的这些数据可能是错误的,岂不是错上加错。对于这个问题,我们可采取数据冗余的办法,如正在计数的值由两个内存单元保存(例如本例中的counter1与counter2),使用时两个内存单元数据进行对比,一旦不等说明干扰破坏了数据,可进行出错处理,否则可认为数据正确有效。
五。绝对地址访问
单片机系统运行过程中的抗干扰能力大小是非常重要的,抗干扰能力强的单片机可在复杂的工业环境中正常工作。而抗干扰能力差的单片机,轻者表现为工作失常多,工作效率低下,重者根本不能运行,经常死机。上海AVR单片机培训因此一个单片机系统设计的好坏,与其抗干扰能力的大小有直接的关系。
为了提高RAM区数据的可靠性,我们可在两个相隔较远的RAM单元(如20H、75H等)建立两个标志flag1、flag2,初始化时写入标志字(如88H),取用RAM数据时首先比较两个标志是否相等,若不等说明RAM区数据可能出错,此时程序跳转到出错处理子程序,否则正常执行。这种方法使得程序执行时的数据可靠度较高。上海FPGA/CPLD培训这牵涉到C语言中的绝对地址访问,下面介绍三种方法。
1.使用_at_关键字
其用法较简单,在数据声明后直接加上_at_及地址常量即可。但使用时应注意,绝对地址变量不能被初始化,bit型函数及变量不能用_at_指定。
例1:
#include < P>
static unsigned char data flag1 _at_ 0x0020;//将两个标志定位于20H、75H
static unsigned char data flag2 _at_ 0x0075;
/******************/
void main()
{
//进入主程序初始化时将flag1、flag2置为0x88
flag1=0x88; flag2=0x88;
while(1)
{
if((flag1==0x88)&&(flag2==0x88))//标志相等
{//正常工作过程}
else
{//出错处理}
}
}
2.使用指针的方法
例2:
#include < P>
char data *point1;//定义两个指向data区的指针
char data *point2;
/******************/
void main()
{point1=0x20;point1=0x75;//指向20H、75H单元
//初始化时将标志*point1、*point2置为0x88
*point1=0x88; *point2=0x88;
while(1)
{
if((*point1==0x88)&&(*point2==0x88))//标志相等
{//正常工作过程}
else
{//出错处理}
}
}
3.使用#include声明的绝对宏< P>
例3:
#include < P>
#include < P>
/******************/
void main()
{ //初始化时将标志DBYTE[0x20]、DBYTE[0x75]置为0x88
DBYTE[0x20] =0x88;DBYTE[0x75]=0x88;
while(1)
{
if((DBYTE[0x20]==0x88)&&(DBYTE[0x75]==0x88)) //标志相等
{//正常工作过程}
else
{//出错处理}
}
}
六.C语言调用汇编语言
为了能使C语言调用汇编语言,必须使汇编程序象C程序一样具有明确的边界、参数、返回值和局部变量。为了使汇编程序段和C程序兼容,应为汇编程序指定段名并进行定义。如要传递参数,则必须保证汇编程序用来传递参数的存储区和C程序使用的存储区一致。并且在调用的C语言中进行声明。函数名的转换规律见表1。接收参数寄存器见表2。返回值类型与寄存器对照见表3。
函数名的转换规律
主函数中的声明 汇编符号名 说明
Void func(void) FUNC 无参数传递
Void func(char)_FUNC 带寄存器参数传递
Void func(void)reentrant_?FUNC 重入函数包含栈内参数传递
表1
接收参数寄存器
参数序号charintLong,float通用指针
1R7R6、R7R4~R7R1~R3
2R5R4、R5--
3R3R2、R3--
表2
返回值类型与寄存器对照
返回值类型寄存器说明
BitC(标志位)由具体标志位返回
Char/unsigned char/1_byte指针R7单字节由R7返回
Int/ unsigned int/2_byte指针R6、R7双字节由R6、R7返回,高位在R6中,低位在R7中
Long/ unsigned longR4~R7四字节由R4~R7返回,高位在R4中,低位在R7中
FloatR4~R732bit IEEE格式,指数和符号位在R7中
通用指针R1~R3存储类型在R3中,高位在R2,低位在R1
表3
下面通过两个实例说明。
例4(无参数传递):
1.按照Keil的使用方法,建立工程文件并添加C51编写的主程序test4.c(图5)。
/*------------程序名test4.c------------*/
#include P 晶振频率12.000MHz<>
/****************/
void delay(void);//延时函数声明
/***************/
void main (void)//主函数,其功能使P1.0交替输出高、低电平的方波
{
while(1)
{P1_0=!P1_0;
delay();}
}

2.用汇编语言编制一段205μS精确延时程序ttest4.asm并添加到工程中(图6)。
UDELAY SEGMENT CODE
RSEG UDELAY
PUBLICDELAY
DELAY: MOV R0,#100
LOOP:
DJNZ R0,LOOP
RET
END

3.点击Rebuild target(重建所有目标文件)即可得到正确的编译结果(图7)。

例5(有参数传递):
1.按照Keil的使用方法,建立工程文件并添加C51编写的主程序test5.c(图8)。
/*------------程序名test5.c------------*/
#include P 晶振频率12.000MHz<>
/****************/
void delay(unsigned int k); //延时函数声明
/***************/
void main (void)//主函数,其功能使P1.0交替输出高、低电平的方波
{
while(1)
{P1_0=!P1_0;
delay(500);}
}

2.用汇编语言编制一段延时程序ttest5.asm并添加到工程中(图9)。由于有参数传递,函数名前必须加下划线“_”。
UDELAY SEGMENT CODE
RSEG UDELAY
PUBLIC _DELAY
_DELAY:
DJNZ R6,$
DJNZ R7,$
RET
END

3.点击Rebuild target(重建所有目标文件)可得到正确的编译结果(图10)。

还有一种方法,利用编译器自动完成段的安排,这样实现C语言与汇编语言的混合编程也很方便。过程为:
1.用C51分别编写主程序test.c及延时子程序的外壳delay.c(等待嵌入汇编语言)。在主程序中应将延时子程序声明为外部函数:extern void delay(delay)。
2.点击delay.c源程序后再右击,在弹出的下拉菜单中选中Options for File ‘test.c’,勾选Generate Assembler SRC File(生成汇编SRC文件)及Assembler SRC File(封装汇编文件)使其有效。
3.根据项目的编译模式加载封装库文件,通常在Small模式时为C51S.LIB(该文件在C:KeilC51LibC51S.LIB)。
4.点击Rebuild target(重建所有目标文件)可得到一个delay.SRC的文件。
5. 将delay.SRC改名为delay.A51。
6.将delay.A51加载到工程项目组中,同时移除delay.c、C51S.LIB。
7.再次点击Rebuild target可得到delay.A51汇编语句的主体。
8. 将通过其它试验所得的精确汇编延时子程序放入delay.A51的主体中,保存后加载到Source Group 1项目组中,再点击Rebuild target即可得到正确的编译结果。
上一篇:C51单片机的中断体系结构
下一篇:51单片机产生串口中断的方式
史海拾趣
|
PS:本文转自 飞凌嵌入式技术交流群 这个是由群里一些工程师朋友做的小实验,可以作为参考。 嵌入式Linux简单路由实验 本实验所用硬件平台为飞凌(www.witech.com.cn)TE2440V2型开发板;该开发板上有两个网卡芯片,分别为C ...… 查看全部问答> |
|
关于WINCE6.0 VS2005 “go to definition ”功能 无法定位相关内容 关于WINCE6.0 VS2005 “go to definition ”功能 无法定位相关内容 大家好!向大家请教一个问题: 我现在装了VS2005 打开mini2440的BSP包(缺省内核工程),可以编译内核通过。 我想用go to definition 功能跟踪一下程序,比如定位一个函数或 ...… 查看全部问答> |
|
请问大家-有没有从事过在自己的软件中嵌入摄像头功能,就是自己的软件能够同过手机的摄像头照相,并且存储,而不是用手机自带的照相机。 有这方面的书也可以,大家介绍下吧,急用。 … 查看全部问答> |
|
EVC3.0+PPC202程序编译出错,关于StdAfx.sbr Compiling resources... Compiling... Error spawning clarm.exe Creating browse info file... BSCMAKE: error BK1506 : cannot open file \'.\\ARMRel\\StdAfx.sbr\': No such file or directory Error executing bscmake.exe. Main.exe - ...… 查看全部问答> |
|
可以连上,必须把JTAG口RST脚上的电容拿掉,但又碰到了新问题:在线仿真5438时速度极慢,下载操作需1分钟左右,执行一个单步需十几秒,执行一次复位需半分钟,运算结果倒是正确的。iar是4.20.1版,操作系统是vista,仿真器是USB型的LSD-FET430UIF, ...… 查看全部问答> |
|
急求助:Linux无法从NFlash(K9F1208U0A)启动 自己开了一个ARM架构板, CPU: S5PC100, SDRAM: K4T1G164QQ(两颗),Nand flash: K9F1208U0A。现在系统能从SD卡启动,对FLASH擦除操作后返回OK,但将SD卡取后,从FLASH启动串口不出现任何信息。有没有人知道是哪里出了问题,急求大家的帮助,不甚 ...… 查看全部问答> |




