历史上的今天
今天是:2025年04月22日(星期二)
2021年04月22日 | C8051F020在LED显示控制系统中的应用
2021-04-22 来源:eefocus
0 引言
在单片机系统设计中,LCM(液晶显示模块)人机交互界面的设计往往是很重要的一个环节。LCM可以用于智能仪器上的显示设定参数、状态提示符、检测结果和待输入参数等功能。本文结合电解质分析仪的设计要求,采用深圳市烨新达实业有限公司生产的YXD-12864A2LCM,研究并实现了以C8051F020 为基础的液晶显示的接口电路和程序设计,添加了按键系统,从而达到方便用户使用的目的。
1 电解质分析仪简介
本系统所设计的电解质分析仪(Electrolyte Analyzer)是一种具有高分辨率和高精度的仪器,可以与多种离子选择电极配套使用,可用自动方法测定样品中钾、钠、氯、钙离子的浓度和pH 值。其结构方框图如图1 所示。仪器采用单片机C8051F020为核心芯片进行设计,在测量室内由化学传感器采集电解质的电位信号传送给信号调理电路,经过信号调节后送给主电路板进行A/D转换,然后输出显示到LCM上,LCM参数、测量结果的显示等都可由键盘操作。与上位机的通信上,采用RS 232通信方式传输数据。本仪器的特点是可以单机使用、也可以与上位机连接使用,与上位机连接后通过界面操作可以帮助用户完成病人信息的查询、存储、仪器工作情况的实时检测等功能。

系统显示部分采用图形液晶显示模块YXD -12864A2LCM,安装在仪器的表面,用来显示参数设置、测量结果、定标、质控等的情况。界面显示与参数设定及翻页等功能通过按键的控制来实现。
2 YXD-12864A2LCM
2.1 模块介绍
YXD-12864A2LCM是由深圳市烨新达实业有限公司生产的,是一种图形点阵液晶显示模块,它主要由行驱动器、列驱动器及128×64 全点阵液晶显示器组成。
可完成图形显示,也可以显示4×8 个(16×16 点阵)汉字。YXD-12864A2 模块共有20 个引脚。其中,第1 脚VSS接系统地;第2脚VDD接电源电压;第3脚V0接液晶显示器驱动电源;第4 脚D/I 接数据指令选择信号;第5脚R/W接读写选择信号;第6脚接读写使能信号,E为高时,数据被读出,而在E的下降沿到来时,数据被锁存到DB0~DB7;第7~14脚接三态数据总线;第15、16脚接片选信号;第17 脚R-S-T- 接复位信号;第18 脚Vout接内部负压发生器输出电压端;第19脚接LED 背光电源正极;第20脚接LED背光电源负极。
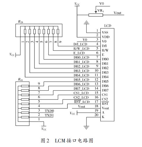
2.2 接口电路
接口电路图和原理图如图2,图3所示,C8051F020的P3口作为数据口与液晶模块DB口相连;P2.0为复位引脚R-S-T- 控制端;P2.1、P2.4、P2.5 作为普通的I/O 口使用,分别接液晶模块的使能端E、寄存器选择引脚D/I、读写引脚R/W;P2.2、P2.3分别接片选信号左或者右,对显示进行定位。


图2的电路图中,R28 和R41 为上拉电阻,因为它每个端口是与单片机相连的,对于显示器而言工作电压是5 V,而C8051F020 工作电压是3.3 V,要使C8051F020输出能更好地驱动5 V输入的LCM,就要将每个端口通过一个上拉电阻接到5 V 电源,这样就可以保证C8051F020的逻辑“1”输出能被提升到5 V.
2.3 软件设计
显示字符:从屏幕指定的位置开始显示指定的字符串。此LCM 是128×64位的液晶显示屏,每个字符所占用的点阵是8×8.显示位置由两个坐标参数据决定,横坐标x 表示“行”,取值范围为0~7;第0行对应屏幕最上边的一行,第7 行对应最下面一行。纵坐标y 表示“列”,取值范围为0~15,第0列对应屏幕最左边的一列,第15列对应屏幕最右边的一列。
假设要从第4 行第8 列的位置显示字符“K”,则汉字的显示与字符类似,只是汉字所占的点阵为16×16的形式,因此在本LCM 中,汉字只可以显示4 行8列。第一行汉字的坐标为00H~07H,第二、三、四行坐标依次为10H~17H、20H~27H、30H~37H.汉字的显示要先将汉字的坐标起始位置作为命令写入,把汉字的字模作为数据写入,连续写入多个汉字可用查表法。
3 按键系统
按键系统的硬件设计可以采用独立方式和矩阵方式两种。
(1)独立式中每一个键单独占用一根I/O口线,每一根I/O 口线上的按键工作状态不会影响其他I/O 口线上的状态,一般应用于按键数量较少的场合;(2)矩阵式的按键排列为行列式矩阵结构,4行4列共16 个键,只占用8 根I/O 口线,因此当按键数目较多时,可以使用这种方式节省I/O口线。
本仪器共定义了8个按键,考虑到C8051F020上的I/O 接口非常丰富,因此采用了独立式。在仪器上共设计了“Yes”、“No”、“↑(上)”、“↓(下)”、“←(左)”、“→(右)”、“复位”和“打印”8个按键,除“复位”键(其按下后直接复位)不通过键盘信息处理程序处理外,其余的7 个键的按下处理均由键盘信息处理程序在主循环程序中完成。对于独立式按键,CPU可以通过直接读取I/O口的状态来获取按键的直接状态编码值,根据这个值可直接进行按键识别。每个键的编码值如表1所示。

按键的具体定义如下:
(1)“↑(上)”、“↓(下)”、“←(左)”、“→(右)”:移动光标或切换不同内容的屏目、数据修改、完成口令输入等;
(2)“Yes”:确认所做的操作,包括确认所选择的菜单项或数据、确认所输入的口令、确认被修改的数据等;
(3)“No”:可取消输入的口令值或被修改的数据;
(4)“复位”:软复位系统;
(5)“打印”:控制打印机打印输出。
按键的工作方式分为编程控制方式和中断控制方式两种。本仪器采用中断控制方式,流程图如图4所示。此方式可以提高CPU的效率,当有键按下时,便向CPU 申请中断,CPU 响应中断后,在中断服务程序中进行键盘扫描、查键值与处理等工作。而编程控制方式是指在一个工作周期内,利用完成其他任务的空余时间,调用按键扫描子程序。经程序查询,若无键操作,则返回;若有键操作,则进而判断是哪个键,并执行相应的键处理程序。这样对CPU的使用效率就受到了影响。因此选用中断控制方式。

本仪器采用的按键的开关为机械弹性开关。从按键按下到接触稳定要经过数毫秒的抖动时间,松开时也有这样的问题。抖动时间的长短由按键的机械特性决定,一般为5~10 ms.这样就会引起一次按键多次读取,对于抖动问题可以采用软件方法。可以通过延时去抖动的方法避免,即检测出按键闭合后执行一个延时程序产生20 ms的延时,让前沿抖动消失后再一次检测键的状态,如果仍保持闭合状态电平则确认为真正有键按下。当检测到按键释放后,也要给20 ms的延时,待后沿抖动消失后才能转入该键的处理程序。
4 结语
利用YXD-12864A2图形液晶显示模块设计电极质分析仪的显示界面,采用8位并型模式传递数据,主要是因为虽然占用了较多的I/O引脚,但与串行模式相比,编程简单的多;而且C8051F020有8个8位I/O端口、64个数字I/O引脚,非常丰富,所以也不用考虑引脚不够的问题。通过添加按键系统,使显示的内容可以由用户来操作,非常方便。
上一篇:8051单片机数据说明
下一篇:用51单片机设计电动车跷跷板
史海拾趣
|
跟大家分享一个我做的单片机C语言编译器。它的功能和keil软件差不多,能把C语言 转换成单片机的汇编程序。不过目前还不完善,只支持MCS51系列的单片机,等以后有时间 我会把这个编译器移植到AVR和PIC系列的单片机上。虽然C语言很流行,但我个人感 ...… 查看全部问答> |
|
6410核心板采用8层板工艺,具有最佳的电气性能和抗干扰性能,使S3C6410稳定工作于667MHz主频之上(DDR数据和CLK信号达到266MHz)。多达 320个引出脚,充分扩展了S3C6410的硬件资源,让使用者能够无局限自由地进行扩展板设计。   ...… 查看全部问答> |
|
使用的系统有512MB内存,分别使用CS2和CS5作为片选,每一个片选空间256MB。请问大侠配置两个片选有什么注意的地方?我配置出来之后高256MB的地址无法访问。… 查看全部问答> |
|
硬件工程师 职位要求: 1、电子工程专业背景。 2、能熟练使用PROTEL99、CADENCE等工具设计线路图、线路板,有能力通过合理布线消除各电路之间的各种干扰(如地线噪音干扰、模拟与数字电路相互干扰、高频电磁干扰等) 3、要求有足够模拟及数字电 ...… 查看全部问答> |
|
WinCE 6.0下DirectDraw Sample运行出错,Why? 运行目录public\\directx\\sdk\\samples\\ddraw\\src\\DDex1的程序,结果Display driver doesn\'t support flipping surfaces,提示GWES Hook fails surface creation. IDirectDraw::CreateSurface fails.why? VS2005,OS Design时direct的已经选 ...… 查看全部问答> |
|
过程控制I/O模块的系统级模拟架构 时间: 2010年8月12日10:00-12:00 本研讨会从系统角度概要介绍工业控制应用中采用的过程控制模拟I/O模块。我们的系统专家将为模块设计人员分析关键性能规格和技术 ...… 查看全部问答> |
|
DM642的板子,上面有很多芯片,用放大镜知道了他们的型号,比如CU257等,但是查不到它们的作用,网上都是些交易信息,PDF资料项也点不进去,求教。 下面这些我都查不到大致作用: CU257 ...… 查看全部问答> |
|
811的板子 GPIO怎么设置才可以既当做输入又可以当做输出 GPIO怎么设置才可以既当做输入又可以当做输出? 我的PB口在写给芯片数据的时候需要时输出模式,读芯片数据的时候需要输入模式,请问怎么设置才能这样使用呢。 [ 本帖最后由 jinghong21 于 2011-8-28 12:32 编辑 ]… 查看全部问答> |
|
本帖最后由 dontium 于 2015-1-23 12:59 编辑 参数可以自己选择, 器件最好TI的 我主要是想学习原理,各种资料也行,先谢谢啦 … 查看全部问答> |




