历史上的今天
今天是:2025年04月22日(星期二)
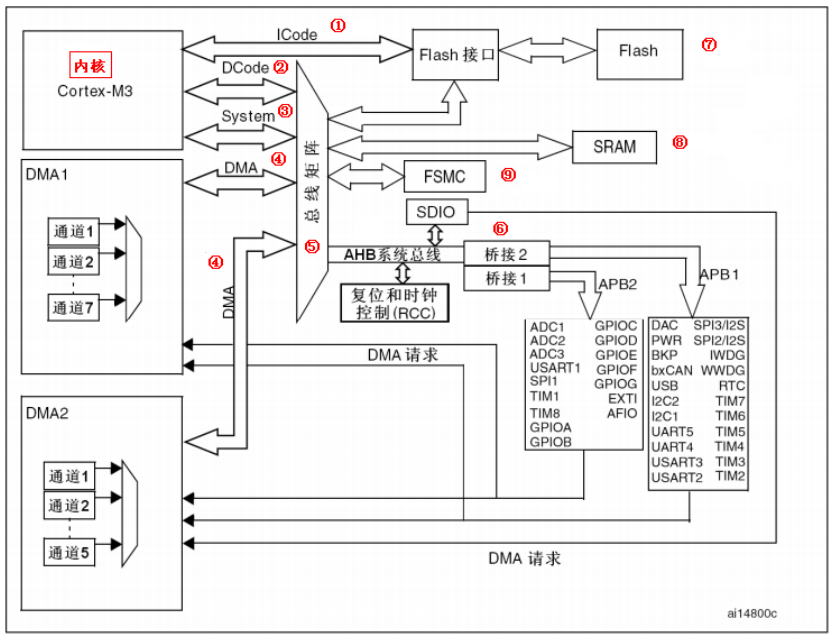
2021年04月22日 | STM32 系统架构
2021-04-22 来源:eefocus
简介:这里所讲的 STM32 系统架构主要针对的 STM32F103 这些非互联型芯片。STM32 主系统主要由四个驱动单元和四个被动单元构成。

四个驱动单元是:
内核DCode总线;系统总线;通用DMA1;通用DMA2;
四被动单元是:
AHB到APB的桥:连接所有的APB设备;内部FlASH闪存;内部SRAM;FSMC;
下面我们具体看一下图中几个总线的知识:
①ICode总线:该总线将M3内核指令总线和闪存指令接口相连,指令的预取在该总线上面完成。
②DCode总线:该总线将M3内核的DCode总线与闪存存储器的数据接口相连接,常量加载和调试访问在该总线上面完成。
③系统总线:该总线连接M3内核的系统总线到总线矩阵,总线矩阵协调内核和DMA间访问。
④DMA总线:该总线将DMA的AHB主控接口与总线矩阵相连,总线矩阵协调CPU的DCode和DMA到SRAM,闪存和外设的访问。
⑤总线矩阵:总线矩阵协调内核系统总线和DMA主控总线之间的访问仲裁,仲裁利用轮换算法。
⑥AHB/APB桥:这两个桥在AHB和2个APB总线间提供同步连接,APB1操作速度限于36MHz,APB2操作速度全速。
上一篇:STM32 外部中断简介
史海拾趣
|
2009年12月28日是Linux创始人Linus的40岁生日。 19年前,在圣诞节后赫尔辛基商店开业的第一天“,Linus冲向电脑商店,用圣诞节和生日礼金购买了他的第一台PC:一台DX33 80386计算机,4 Megs RAM,40 Megabyte硬盘,没有协同处理器。Linus之所以选 ...… 查看全部问答> |
|
刚开始学驱动,看WDK中diskperf的例子,其中有下面几句: #ifdef USE_PERF_CTR #define DiskPerfGetClock(a, b) (a) = KeQueryPerformanceCounter((b)) #else #define DiskPerfGetClock(a, b) KeQuerySystemTime(&(a)) #endif 这儿USE_PERF_C ...… 查看全部问答> |
|
发现我的网卡驱动的MiniportInitialize函数被调用两次,是否正常? 相关的输出信息如下: OSAXST1: >>> Loading Module \'k.dhcpsrv.dll\' (0x937A851C) at address 0xC0BC0000-0xC0BC6000 in Process \'NK.EXE\' (0x8C061AA0) ==>NdisInitializeWrapper NdisIMRegisterLayeredMiniport: NdisWrapperHandle D1538D ...… 查看全部问答> |
|
在CE5.0上 malloc大量数据时(我这里是MB级),即使在释放时调用了free来释放内存,但是system中的memroy仍然没有减少到最初的水平。 http://blog.eeworld.net/norains/archive/2010/02/01/5276668.aspx norains这篇博文阐述的比我清楚,不知道大 ...… 查看全部问答> |
|
问高手个问题,为什么我的程序进了不硬中断? BIOS设置: HWI_INT11属性: interrupt source: MCSP_0_Receiver function: _receiver use Dispatcher interrupt Mash: self 程序 void main() {} void receiver() {...} 用轮询方式可以收 ...… 查看全部问答> |
|
多器件TDDB和NBTI 图4示出了多器件TDDB测试结构的共用 SMU和SMU-per-pin配置。在开关(共用SMU) 情况下,SMU1提供连续应力至测试序列的全 部结构,SMU2顺序测量每个器件。在顺序分 析结构的过程中,开关延时和有限的测量速 度合在一起会限制每 ...… 查看全部问答> |




