历史上的今天
今天是:2025年04月26日(星期六)
2021年04月26日 | CS8516用于收音机5V-15V宽电压AB/D类切换贴片式单声道功放IC
2021-04-26 来源:EEWORLD
CS8516应用于收音机的5V-15V宽电压AB/D类切换功能贴片式单声道音频功放IC
传统AB类音频功放效率一般是55%左右。 用常规的芯片封装输出功率超过5W就容易出现过热保护。必须外加散热器才能正常使用。特别是AM/FM等收音机厂家既要把功率做大又要保证收音机接收效果,迫于无奈只能这样处理。因为AB类音频功放对收音机接收效果是零干扰。传统的AB类音频功放芯片如TEA2025/KA2206/TDA2030需外加散热器是人工后焊工序,必然会影响生产效率以及直通率,还有产品外壳设计的局限性。
深圳市永阜康科技有限公司针对收音机、车载音响的应用需求,推广这一款无需散热器,内置防破音AB类/D类切换单声道20W音频功放IC_CS8516。CS8516在AB类工作模式在12V供电时无需外加散热器可持续输出20W功率,效率比传统的AB类功放高5%以上;其5V-15V宽电压供电满足双节/三节锂电及12V铅酸电池的应用;根据不同喇叭腔体三种防破音可选,满足不同市场的音质需求;扩频工作模式方便EMI认证测试;输出无滤波节省外围成本;采用高效EQA16贴片封装提高生产效率,实现PCBA小型化。

AB类音频功放属于线性放大器,对于音频信号失真度,还原度相对D类音频功放先天有优势或者易于设计处理。所以一般AB类音频功放的听感偏暖,偏柔和,相对舒适。D类音频功放一般声音都偏硬,尖锐,偏吵!所以在一些电源直供,对音质要求较高的应用场合CS8516是理想的选择。
音频功放的防破音功能现已非常成熟,对于音频响应动态范围,适应不同的音频信号源,以及音质听觉感受有明显作用。然而电源电压9V以上的音频功放内置防破音功能型号市面少之又少。CS8516内置防破音功能,12V左右供电最大程度发挥其音质效果。

CS8516应用特性
描述
输出功率
PO at 10% THD+N, PVDD = 15V
RL = 4 Ω 30W(D MODE NCN OFF)
PO at 10% THD+N, PVDD = 12V
RL = 3 Ω 25W(D MODE NCN OFF)
PO at 10% THD+N, PVDD = 12V
RL = 4 Ω 19W(AB MODE)
AB类使用的最高电压不得超过12V,负载不得低于4Ω
PO at 10% THD+N, PVDD = 9V
RL = 2Ω 20W(D MODE NCN OFF)
优异的"噼噗-咔嗒"(pop-noise)杂音抑制能力
工作电压范围:5V到15V
扩频功能
固定64倍增益,集成10K输入电阻,640K反馈电阻
内置三种防破音模式
无需滤波的Class-D结构
最高93%的效率(PVDD=12V)
高电源抑制比(PSRR):在217Hz下为70dB
启动时间 (200ms)
静态电流 (18mA)
低关断电流 (1µA)
过流保护,短路保护和过热保护
1. CS8516脚位图以及管脚说明

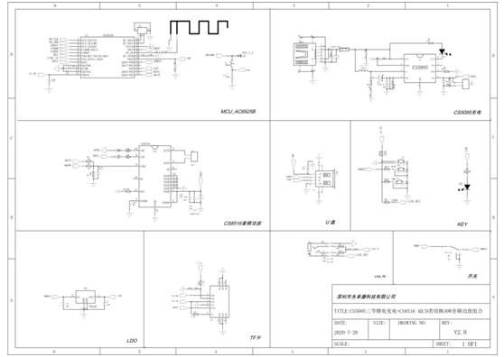
2. CS8516音频功放+CS5095 USB 5V三节锂电充电管理应用原理图
说明
基于CS8516音频功放+CS5095 USB5V三节锂电充电管理组合解决方案。采用3节锂电池串联12.6V做电源;功放芯片采用CS8516,实现20W/4欧单声道功率输出;充电采用CS5095E,5V输入给三节锂电池串联充电,省掉充电的适配器,无需3C认证。

3. CS8516音频功放+CS5095 USB5V三节锂电充电管理一体演示板PCB顶层设计图

4. CS8516音频功放+CS5095 USB5V三节锂电充电管理一体演示板PCB底层设计图

5. CS8516音频功放+CS5095 USB5V三节锂电充电管理一体演示板贴片图

6. CS8516音频功放+CS5095 USB5V三节锂电充电管理一体演示板物料清单
7. CS8516音频功放+CS5095 USB5V三节锂电充电管理一体演示板实物图

史海拾趣
|
My Computer 下的my documents 文件夹 My Computer 下的my documents 文件夹可以修改这文件夹所在的路径吗?可以隐藏这个文件夹吗?希望知道的指教。谢谢… 查看全部问答> |
|
前两天问了一下有关在BSP中添加流驱动的问题,经过几天的摸索,终于认识到以前的想法是错的,在这里说一下。 之前以为在BSP中添加流驱动程序,在注册表、dirs、smdk6410.pbcxml等文件修改好以后然后单独编译生成DLL文件才能够在定制系统时添加,现 ...… 查看全部问答> |
|
我的超声波程序总是出错,不知道哪儿有问题,请高手帮忙解决!!!非常感谢 #include <reg52.h>#include <intrins.h>#define uchar unsigned char#define uint unsigned int sbit echo=P3^2;//接收端sbit clk=P2^0;//脉冲输入sbit lcdrs=P1^0;//液晶命令数据选择端sbit lcdrw=P1^1;//读写选择端sbit lcden=P1^2;// ...… 查看全部问答> |
|
最近找了一些无线的资料 无线局域网技术:几种无线通信标准比较 无论是家庭还是商业用户,在寻求无线局域网(WLAN)解决方案上都有许多选择。很多产品都支持802.11a、802.11b、802.11g和802.11n等Wi-Fi技术标准。另外,还有蓝牙和其他各种 ...… 查看全部问答> |
|
关于30FSPI通讯的问题,困扰我好长时间了,请大侠帮忙 本人刚开始用PIC,要通过30F6011往30F2020里面送数据,现在先通过6011往2020里面送一个数据,再把这个数据送给2020的占空比寄存器,改变2020PWM2的占空比。但总是传输的数据不稳定,传送同样的 ...… 查看全部问答> |
|
以前只是用管脚直接驱动数码管,现在的新开搬上多了个74HC138译码器,搞得我心神不宁无处下手,有没有大神以前用过,能不能够讲下区别是啥… 查看全部问答> |




