历史上的今天
今天是:2025年07月30日(星期三)
2021年07月30日 | 你知道几种示波器截屏的方法?
2021-07-30 来源:eefocus
下面以是德科技InfiniiVision 3000T X 系列示波器为例,介绍几种 InfiniiVision 示波器的截屏方法
直接存储当前屏幕图像到U盘(通过面板按钮或指令)
通过操作面板按钮实现
将U盘插到示波器的Host端口,示波器会弹出一个安装提示。

4 按下面板上的 Save/Recall 按钮,打开保存菜单,选择格式(可选 8 位位图、24 位位图和PNG 24 位位图),选择保存路径和设置文件名后,点击【按下保存】软建,即可保存当前屏幕图像。


通过指令实现
如下图所示,将示波器连接到电脑后,打开Keysight Connection Expert。选中该仪器,点击【Interactive IO】图标打开指令窗口。通过发送如下指令即可保存当前屏幕到U盘:
:save:pwd “usb” ----------------设置保存路径
:save:imag “scope_3”----------------设置文件名,执行保存动作

执行保存指令时,可以在示波器上看到如下提示:

注:更多关于保存的参数的设置指令,请参考不同型号示波器的编程手册。在编辑指令时,必须用英文输入法,包括标点符号。
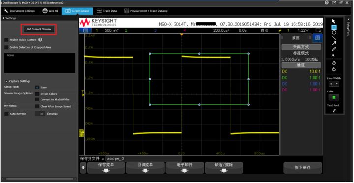
通过BenchVue软件截屏
连接上示波器后,启动BenchVue软件,直接双击示波器图标打开App,点击菜单栏中的Screen Image。

进入该界面后,点击Get Current Screen,当前屏幕截图就会出现在软件中,您可以对当前图像进行编辑,也可以设置背景色等等。

通过网页控制界面截屏
如果您是通过网线将示波器连接到电脑,那么还可以通过示波器的IP地址在浏览器中直接访问或通过BenchVue软件中的Web UI访问该示波器。

通过点击Get Image即可进入截屏界面。点击Refresh Image按钮实时刷新当前的示波器屏幕截图。获得截图后,点击菜单栏中的Save选项即可保存为需要的格式。

BenchVue软件中的Web UI界面与浏览器中类似,就不详述了。
上一篇:泰克示波器进行固件升级-操作篇
下一篇:如何使用数学函数波形和参考波形
史海拾趣
|
各位大哥,现在我有一个环行变压器,初级和次级砸数比是8:1,然后一个小的震荡磁环初级和次级砸数比是1:1。哪位大哥可以帮我设计一个简单一点的电路可以用来测试这个变压器的同名端… 查看全部问答> |
|
本帖最后由 paulhyde 于 2014-9-15 08:54 编辑 2010年广西大学生电子设计大赛题目 大家觉得那道题目容易点呢? ===http://866.cc … 查看全部问答> |
|
在电路设计中,一般我们很关心信号的质量问题,但有时我们往往局限在信号线上进行研究,而把电源和地当成理想的情况来处理,虽然这样做能使问题简化,但在高速设计中,这种简化已经是行不通的了。尽管电路设计比较直接的结果是从信号完整性上表现 ...… 查看全部问答> |
|
【代码分享】 上传一个在hanker板上实现的USB-串口的代码例程 刚搞好的,上传给大家参考. 由于工程构建的原因,大家下载代码后把它解压到stellarisware\\boards\\文件夹下运行既可以。 开发板的底层驱动库放在QF_M4\\driver目录下, … 查看全部问答> |




