历史上的今天
今天是:2025年08月12日(星期二)
2021年08月12日 | 51单片机心形灯实现从中间向两端流水编程
2021-08-12 来源:eefocus

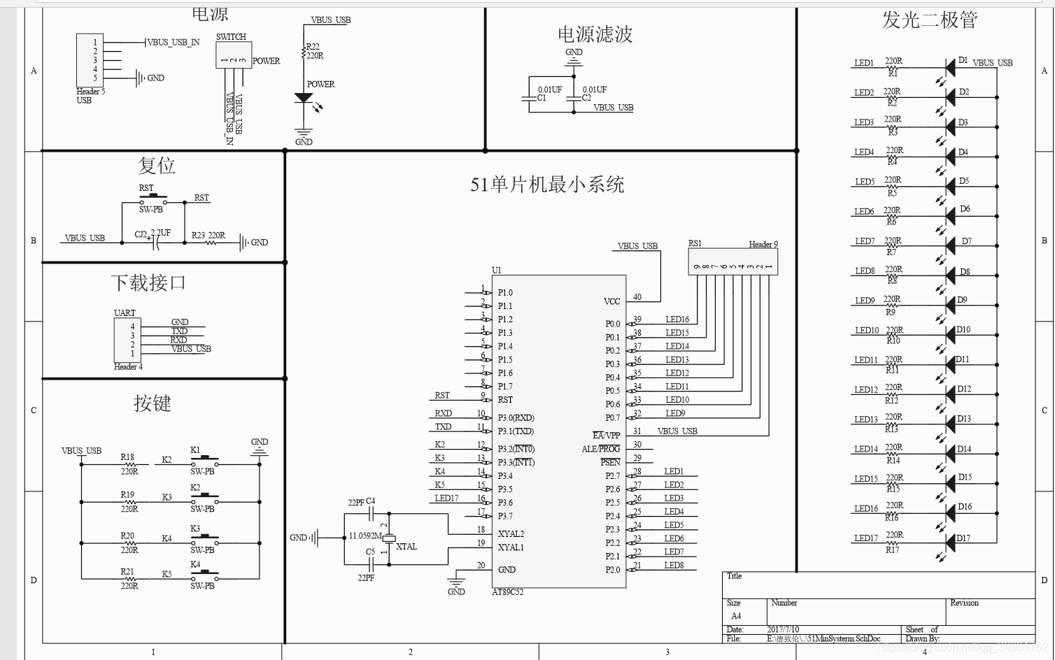
心形灯原理图
编译软件:Keil uVision5
(如有需要可点此链接下载:https://download.csdn.net/download/qq_36931762/11343174)
单片机程序下载软件:STC-ISP
(如有需要可点此链接下载:https://download.csdn.net/download/qq_36931762/11343157)
程序代码:
#include #include unsigned char code table[]={0xfe, 0xfd, 0xfb, 0xf7, 0xef, 0xdf, 0xbf, 0x7f}; void Delay(unsigned int i){ unsigned char j; for(;i>0;i--){ for(j=110;j>0;j--); } } void main(){ unsigned char i; while(1){ P3=0; Delay(1000); P3=0xff; //P2=0xff; //Delay(1000); for(i=0;i<8;i++){ P0 = table[i]; P2 = table[i]; Delay(1000); } } }
史海拾趣
|
我有一个WINDOWS MOBILE的PDA,用的三星CPU,有高手能把这个系统改成WINCE.NET么?当然是要付费的,价钱商量. 我有一个WINDOWS MOBILE的PDA,用的三星CPU,有高手能把这个系统改成WINCE.NET么?当然是要付费的,价钱商量. 联系我QQ:86163938 MSN:myfm3a@hotmail.com 急… 查看全部问答> |
|
DirectDraw和DirectShow如何协调,正十分迷茫中 我开发一个游戏,采取独占模式,想在DIRECTDRAWSURFACE表面开辟一块区域用于播放视频,现在是没有办法看见视频播放的画面, 但是如果我把DirectDraw相关的代码去掉,只保留播放视频的代码,视频是能够正常播放的。另外请教高手知道如何使用MediaPl ...… 查看全部问答> |
|
一、变频恒压供水的特点1. 节能,可以实现节电20%-40%,能实现绿色用电。2. 占地面积小,投入少,效率高。3. 配置灵活,自动化程度高,功能齐全,灵活可靠。4. 运行合理,由于是软起和软停,不但可以消除水锤效应,而且电机轴 ...… 查看全部问答> |
|
购买或者黑金FPGA开发板换购ARM开发板,野火,神舟均可,多退少补。 我的FPGA板子是今年4月份在黑金官方淘宝店买的 RMB399 换购野火开发板或者神舟开发板。 不愿换购的话。 RMB 270 收野火(+液晶+jlink) RMB 200收神舟(+液晶+jlink) 可以的话 加QQ 411101807 这个论坛不常上,请直接加QQ,学生党,非诚 ...… 查看全部问答> |
|
MSP430G2开发板 ,LaunchPad实验板 元件 学习 TPS77301DGK品牌TI封装MSOP8 MSP430G2开发板 ,LaunchPad实验板 元件 学习 TPS77301DGK品牌TI封装MSOP8 大概:TPS77301DGK升降压稳压管复位IC供应小结 1.5-- 5.5v 常用的电源电压监督员(中职),或重置输出电压。 可能相关 :当前级接上高阻抗的后级它主要提供适切的输出电压 ...… 查看全部问答> |




