历史上的今天
今天是:2025年08月12日(星期二)
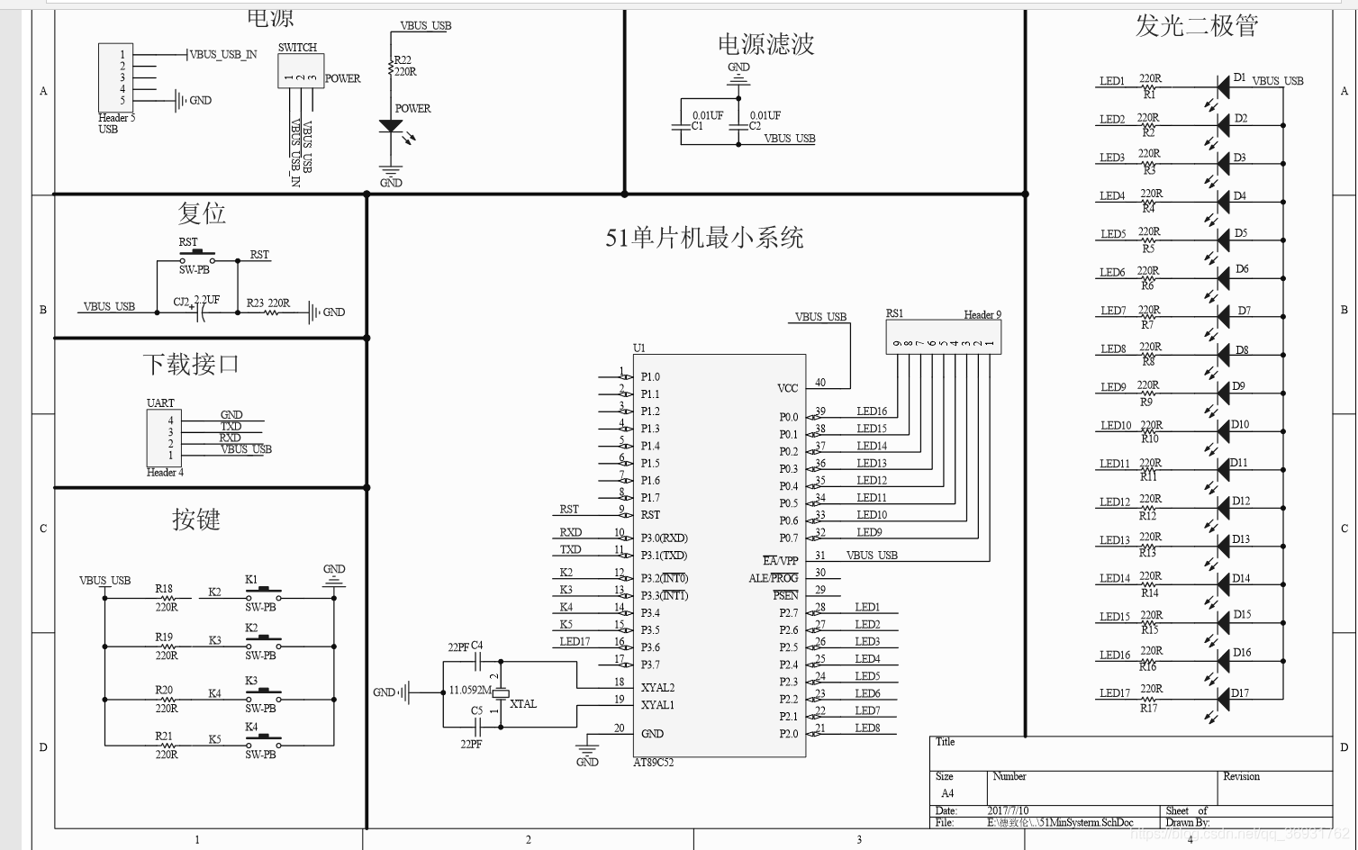
2021年08月12日 | 51单片机心形灯实现每次点亮两个灯编程
2021-08-12 来源:eefocus

心形灯原理图
编译软件:Keil uVision5
(如有需要可点此链接下载:https://download.csdn.net/download/qq_36931762/11343174)
单片机程序下载软件:STC-ISP
(如有需要可点此链接下载:https://download.csdn.net/download/qq_36931762/11343157)
程序代码:
灯状态处于0亮1灭
#include sbit LED8=P2^0;//D8 sbit LED7=P2^1;//D7 sbit LED6=P2^2;//D6 sbit LED5=P2^3;//D5 sbit LED4=P2^4;//D4 sbit LED3=P2^5;//D3 sbit LED2=P2^6;//D2 sbit LED1=P2^7;//D1 void Delay(unsigned int i){ //时间间隔函数 unsigned char j; for(;i>0;i--){ for(j=110;j>0;j--); } } void main(){ while(1){ LED1=0; //同时点亮D1、D8 LED8=0; Delay(1000); LED1=1; //同时熄灭D1、D8 LED8=1; LED2=0; LED7=0; Delay(1000); LED2=1; LED7=1; LED3=0; LED6=0; Delay(1000); LED3=1; LED6=1; LED4=0; LED5=0; Delay(1000); LED4=1; LED5=1; } }
上一篇:51单片机心形灯实现花样流水编程
史海拾趣
|
BY 安防社区 水木金钟 有一学校,四年前安装了一套视频监控系统(PC式DVR),只有4路(只监控大门,二进二出),现在由我们公司升级到20路。 我们把所有的系统都做好后,发现有非常弱的干扰信号,不到200米的几个摄像机,在传输中 ...… 查看全部问答> |
|
我在CE下要向文件里写一些字符串。可是写入的时候出错,我以前用这代码在WIN32下好使的。请问怎么办 CStdioFile* pFile = new CStdioFile(FileName,CFile::modeWrite|CFile::modeCreate); CString code; code.Format(L\"P0%d X%f, Y% ...… 查看全部问答> |
|
尽管对于能够对高低输入电压之间的输出电压(例如:未经调节的墙上 12V 电源)进行调节的转换器需求一直都存在,而且 DC/DC 单端初级电感转换器(SEPIC) 拓扑也不是什么新东西,但的确直到最近它才开始流行起来。 ...… 查看全部问答> |




