历史上的今天
今天是:2025年08月15日(星期五)
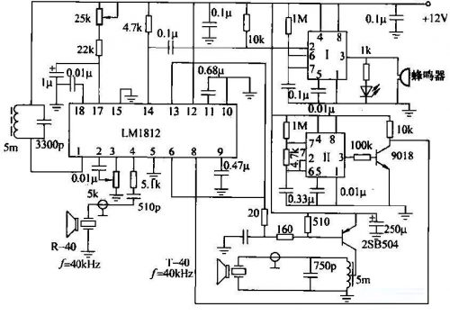
2021年08月15日 | 超声波传感器中的一种采用LM1812的超声波防碰撞电路设计
2021-08-15
下图所示为超声波防碰撞电路,电路采用LM1812并由时基电路Ⅱ来控制LM1812的发送与接收(LM1812,即发送又接收)。控制距离可用Skfl的电位器来调节,一般可控制2-3m。时基电路1组成单稳态电路,当达到报警距离时,时基电路1的②脚输入低电平(相当于1/3Vcc),单稳态电路被触发,③脚输出高电平。LED点亮同时电子蜂鸣器发声报警。本电路超声波发送/接收传感器采用T/R-40系列,该电路可用于汽车倒车时防碰撞报警器,安装于汽车尾部即可。也可用于防盗报警,在小偷进入2~3m范围内,就开始报警,用于家庭、仓库、金融等部门。

史海拾趣
|
概述: CN3063是可以用太阳能电池供电的单节锂电池充电管理芯片.该器件 内部包括功率晶体管,应用时不需要外部的电流检测电阻和阻流二极管. 内 ...… 查看全部问答> |
|
摩托罗拉的MC9S08AC16的I/O口带负载能力是多少呀? 如题。 刚刚用这个东西,翻了规格书也不知道。 MC9S08AC16的I/O究竟可以驱动多大的电流,希望各位可以给出一个精确的数据。 谢谢啦。… 查看全部问答> |
|
一、概述 对于一般控制,设备间连锁可以通过串行网络完成。因此,BOSCH公司开发了CAN总线(Controller Area Network),并已取得国际标准化组织认证(ISO11898),其总线结构可参照I SO/OSI参考模型。同时,国际上一些大的半导体 ...… 查看全部问答> |
|
Directory(\"\\123\"):-Directory(\"war3 \") 可以在mycomputer目录下创建一个文件夹,请问这个文件夹的属性要怎么设置 ?… 查看全部问答> |
|
编译embedded flash出现了impossible constraint in `asm\'错误,不知道怎么解决,是修改makefile文件么?… 查看全部问答> |
|
本人最近在做T-DMB项目,想问问AAC++方面的! 我现在把SL包解析后获得SL包负载数据是如何组织的?我要对AAC++解码,该如何处理SL包的负载? 有搞过这方面的大侠吗?给点提示,定重谢! 我最想知道到底解析音频SL包后的数据是啥格 ...… 查看全部问答> |




