历史上的今天
今天是:2024年08月30日(星期五)
2021年08月30日 | 玩转STM32CubeMX | 串口通讯
2021-08-30 来源:eefocus
1.串口简介
在串行通信中,一个字符一个字符地传输,每个字符一位一位地传输,并且传输一个字符时,总是以“起始位”开始,以“停止位”结束。在进行传输之前,双方一定要使用相同的波特率设置。波特率就是每秒钟传输的数据位数。常用的两种基本串行通信方式包括同步通信和异步通信。我们通常使用的是异步通信,异步通信规定传输的数据格式由起始位(start bit)、数据位(data bit)、奇偶校验位(parity bit)和停止位(stop bit)组成。串口通讯有HAL 库轮询,中断,DMA 三种通信模式:
轮询方式:CPU不断查询IO设备,如设备有请求则加以处理。例如CPU不断查询串口是否传输完成,如传输超过则返回超时错误。轮询方式会占用CPU处理时间,效率较低
中断控制方式:当I/O操作完成时,输入输出设备控制器通过中断请求线向处理器发出中断信号,处理器收到中断信号之后,转到中断处理程序,对数据传送工作进行相应的处理
直接内存存取技术(DMA)方式:所谓直接传送,即在内存与IO设备间传送一个数据块的过程中,不需要CPU的任何中间干涉,只需要CPU在过程开始时向设备发出“传送块数据”的命令,然后通过中断来得知过程是否结束和下次操作是否准备就绪
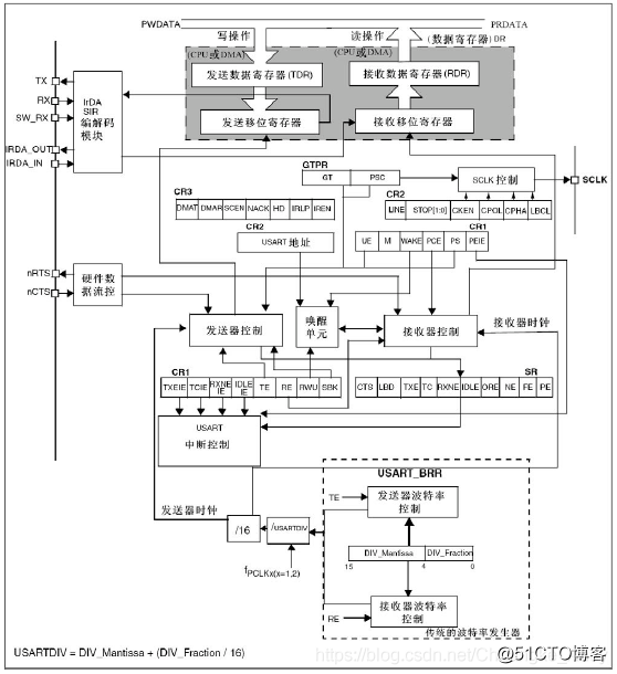
USART框图

串口通讯过程
2.硬件设计
本实验通过CH340芯片把STM32F1的串口1与PC的USB口进行连接,实现串口连接。串口通讯需要将数据收发管脚交叉连接,电路中的其他部分是自动下载电路部分,目的是控制BOOT的启动模式与复位。用到的硬件资源有:
*指示灯D1
*USART1

3.软件设计
3.1 STM32CubeMX设置
➡️ RCC设置外接HSE,时钟设置为72M
➡️ PC0设置为GPIO推挽输出模式、上拉、高速、默认输出电平为高电平
➡️ USART1选择为异步通讯方式,波特率设置为115200Bits/s,传输数据长度为8Bit,无奇偶校验,1位停止位
➡️ 若使用中断通讯方式,还需要开启串口中断
➡️ 若使用直接内存存取(DMA)方式,除以上步骤外(串口中断要开启,否则程序只能发送一次数据,且不能判断DMA传输是否完成,USART一直处于busy状态)还需要设置DMA传输方向、通道、优先级、数据长度以及指针递增与否
➡️输入工程名,选择工程路径(不要有中文),选择MDK-ARM V5;勾选Generated periphera initialization as a pair of ‘.c/.h’ files per IP ;点击GENERATE CODE,生成工程代码
3.2 MDK-ARM软件编程
轮询方式
/*****usart.c文件中的UART初始化函数以及IO口配置函数*****/
void MX_USART1_UART_Init(void){
huart1.Instance = USART1;
huart1.Init.BaudRate = 115200;
huart1.Init.WordLength = UART_WORDLENGTH_8B;
huart1.Init.StopBits = UART_STOPBITS_1;
huart1.Init.Parity = UART_PARITY_NONE;
huart1.Init.Mode = UART_MODE_TX_RX;
huart1.Init.HwFlowCtl = UART_HWCONTROL_NONE;
huart1.Init.OverSampling = UART_OVERSAMPLING_16;
if (HAL_UART_Init(&huart1) != HAL_OK){
Error_Handler();
}
}
void HAL_UART_MspInit(UART_HandleTypeDef* uartHandle){
GPIO_InitTypeDef GPIO_InitStruct = {0};
if(uartHandle->Instance==USART1){
/* USART1 clock enable */
__HAL_RCC_USART1_CLK_ENABLE();
__HAL_RCC_GPIOA_CLK_ENABLE();
/**USART1 GPIO Configuration
PA9 ------> USART1_TX
PA10 ------> USART1_RX*/
GPIO_InitStruct.Pin = GPIO_PIN_9;
GPIO_InitStruct.Mode = GPIO_MODE_AF_PP;
GPIO_InitStruct.Speed = GPIO_SPEED_FREQ_HIGH;
HAL_GPIO_Init(GPIOA, &GPIO_InitStruct);
GPIO_InitStruct.Pin = GPIO_PIN_10;
GPIO_InitStruct.Mode = GPIO_MODE_INPUT;
GPIO_InitStruct.Pull = GPIO_NOPULL;
HAL_GPIO_Init(GPIOA, &GPIO_InitStruct);
}
}
C语言中的标准库中所用的标准输出函数,默认的输出设备是显示屏,要实现串口或LCD的输出,必须重新定义标准库函数里与输出函数相关的函数,例如printf输出到串口,需要将fputc函数里面的输出指向串口(重定向)
/*****在usart.c中添加如下函数*****/
int fputc(int ch, FILE *f){
HAL_UART_Transmit(&huart1, (uint8_t *)&ch, 1, 0xffff);
return ch;
}
/*****main.c文件中编写相关代码*****/
while (1){
HAL_UART_Transmit(&huart1,"HAL_UART_Transmit Test...",25,0xffff);
printf("rn printf test...rn");
HAL_GPIO_TogglePin(GPIOC,GPIO_PIN_0);
HAL_Delay(1000);
/* USER CODE END WHILE */
}
中断方式
/*****usart.c文件中的UART初始化函数以及IO口配置函数*****/
void MX_USART1_UART_Init(void){
//....该函数与轮询方式的UART初始化函数相同....
}
void HAL_UART_MspInit(UART_HandleTypeDef* uartHandle){
GPIO_InitTypeDef GPIO_InitStruct = {0};
if(uartHandle->Instance==USART1){
/* USART1 clock enable */
__HAL_RCC_USART1_CLK_ENABLE();
__HAL_RCC_GPIOA_CLK_ENABLE();
/**USART1 GPIO Configuration
PA9 ------> USART1_TX
PA10 ------> USART1_RX*/
GPIO_InitStruct.Pin = GPIO_PIN_9;
GPIO_InitStruct.Mode = GPIO_MODE_AF_PP;
GPIO_InitStruct.Speed = GPIO_SPEED_FREQ_HIGH;
HAL_GPIO_Init(GPIOA, &GPIO_InitStruct);
GPIO_InitStruct.Pin = GPIO_PIN_10;
GPIO_InitStruct.Mode = GPIO_MODE_INPUT;
GPIO_InitStruct.Pull = GPIO_NOPULL;
HAL_GPIO_Init(GPIOA, &GPIO_InitStruct);
/* USART1 interrupt Init */
HAL_NVIC_SetPriority(USART1_IRQn, 0, 0);
HAL_NVIC_EnableIRQ(USART1_IRQn);
}
}
找到弱符号中断接收完成回调函数原型,并在usart.c中自定义该回调函数
__weak void HAL_UART_RxCpltCallback(UART_HandleTypeDef *huart)
void HAL_UART_RxCpltCallback(UART_HandleTypeDef *huart){
if(huart->Instance == USART1){
HAL_UART_Transmit(&huart1,RxMsg,10,0xffff);//将接收的数据通过串口1发送回去
HAL_UART_Receive_IT(&huart1,RxMsg,10); //再次开启接收中断
}
}
/*****main.c文件中编写相关代码*****/
/* USER CODE BEGIN PV */
uint8_t TxMsg[] = "rn*****USART communication based on IT*****rn";
uint8_t RxMsg[20];
/* USER CODE END PV */
/* USER CODE BEGIN 2 */
HAL_UART_Transmit_IT(&huart1,TxMsg,sizeof(TxMsg));
HAL_UART_Receive_IT(&huart1,RxMsg,10);
/* USER CODE END 2 */
while (1){
HAL_GPIO_TogglePin(GPIOC,GPIO_PIN_0);
HAL_Delay(1000);
/* USER CODE END WHILE */
}
DMA方式
/*****dma.c文件中的DMA初始化函数*****/
void MX_DMA_Init(void) {
/* DMA controller clock enable */
__HAL_RCC_DMA1_CLK_ENABLE();
/* DMA interrupt init */
/* DMA1_Channel4_IRQn interrupt configuration */
HAL_NVIC_SetPriority(DMA1_Channel4_IRQn, 0, 0);
HAL_NVIC_EnableIRQ(DMA1_Channel4_IRQn);
/* DMA1_Channel5_IRQn interrupt configuration */
HAL_NVIC_SetPriority(DMA1_Channel5_IRQn, 0, 0);
HAL_NVIC_EnableIRQ(DMA1_Channel5_IRQn);
}
/*****usart.c文件中的UART初始化函数以及IO口和DMA配置函数*****/
void MX_USART1_UART_Init(void){
//....该函数与轮询方式的UART初始化函数相同....
}
void HAL_UART_MspInit(UART_HandleTypeDef* uartHandle){
GPIO_InitTypeDef GPIO_InitStruct = {0};
if(uartHandle->Instance==USART1){
/* USART1 clock enable */
__HAL_RCC_USART1_CLK_ENABLE();
__HAL_RCC_GPIOA_CLK_ENABLE();
/**USART1 GPIO Configuration
PA9 ------> USART1_TX
PA10 ------> USART1_RX */
GPIO_InitStruct.Pin = GPIO_PIN_9;
GPIO_InitStruct.Mode = GPIO_MODE_AF_PP;
GPIO_InitStruct.Speed = GPIO_SPEED_FREQ_HIGH;
HAL_GPIO_Init(GPIOA, &GPIO_InitStruct);
GPIO_InitStruct.Pin = GPIO_PIN_10;
GPIO_InitStruct.Mode = GPIO_MODE_INPUT;
GPIO_InitStruct.Pull = GPIO_NOPULL;
HAL_GPIO_Init(GPIOA, &GPIO_InitStruct);
/* USART1 DMA Init */
/* USART1_RX Init */
hdma_usart1_rx.Instance = DMA1_Channel5;
hdma_usart1_rx.Init.Direction = DMA_PERIPH_TO_MEMORY;
hdma_usart1_rx.Init.PeriphInc = DMA_PINC_DISABLE;
hdma_usart1_rx.Init.MemInc = DMA_MINC_ENABLE;
hdma_usart1_rx.Init.PeriphDataAlignment = DMA_PDATAALIGN_BYTE;
hdma_usart1_rx.Init.MemDataAlignment = DMA_MDATAALIGN_BYTE;
hdma_usart1_rx.Init.Mode = DMA_NORMAL;
hdma_usart1_rx.Init.Priority = DMA_PRIORITY_LOW;
if (HAL_DMA_Init(&hdma_usart1_rx) != HAL_OK){
Error_Handler();
}
__HAL_LINKDMA(uartHandle,hdmarx,hdma_usart1_rx);
/* USART1_TX Init */
hdma_usart1_tx.Instance = DMA1_Channel4;
hdma_usart1_tx.Init.Direction = DMA_MEMORY_TO_PERIPH;
hdma_usart1_tx.Init.PeriphInc = DMA_PINC_DISABLE;
hdma_usart1_tx.Init.MemInc = DMA_MINC_ENABLE;
hdma_usart1_tx.Init.PeriphDataAlignment = DMA_PDATAALIGN_BYTE;
hdma_usart1_tx.Init.MemDataAlignment = DMA_MDATAALIGN_BYTE;
hdma_usart1_tx.Init.Mode = DMA_NORMAL;
hdma_usart1_tx.Init.Priority = DMA_PRIORITY_LOW;
if (HAL_DMA_Init(&hdma_usart1_tx) != HAL_OK){
Error_Handler();
}
__HAL_LINKDMA(uartHandle,hdmatx,hdma_usart1_tx);
/* USART1 interrupt Init */
HAL_NVIC_SetPriority(USART1_IRQn, 0, 0);
HAL_NVIC_EnableIRQ(USART1_IRQn);
}
}
/*****main.c文件中编写相关代码*****/
/* USER CODE BEGIN PV */
uint8_t TxMsg[] = "rn*****USART communication based on DMA*****rn";
/* USER CODE END PV */
while (1){
HAL_UART_Transmit_DMA(&huart1,TxMsg,sizeof(TxMsg));
HAL_GPIO_TogglePin(GPIOC,GPIO_PIN_0);
HAL_Delay(1000);
/* USER CODE END WHILE */
}
4.下载验证
轮询方式

中断方式
使用串口助手发送10个字符,串口助手回显发送的数据;串口要发够10个字符才会触发中断;超过10个字符,串口只会发送10个字符(注意不要勾选‘发送新行’)

DMA方式

上一篇:stm32cubemx配置编码器
史海拾趣
|
我直接从韩国下载的 MP2530F的BSP,编译能通过,在烧写完NK.NB0的时候进入不了系统,串口消息如下,请各位大侠帮我看一下怎么回事,谢谢 NK.nb0 will be downloaded 31457280 bytes at 0x400000 Now, Downloading [ADDRESS:400000h, TOTAL:0x01E0 ...… 查看全部问答> |
|
初识智能设备,要做一个pda点菜系统,我现在用的是vs2005,建的是pocket pc项目,问我应该怎么让pda与webservice连接? 1、在pda端是new一个成员webservice引用还是每进行一个操作new一个局部ws的引用(这样会不会影响效率)? 2、如果是nwe一个成 ...… 查看全部问答> |
|
大家好! 请问大家有人知道,如何获得存放在SIM卡上的语音信箱号码吗?因为有些SIM卡将语音信箱号码预先设置到了SIM卡的某个地方,我现在想把这个号码取出来.那如何做到呢? 在GSM11.11规范中有EF-SDN(6F49)着个文件, 但是 ...… 查看全部问答> |
|
今天遇到一个奇怪的问题:用QuartusII仿真的时候,波形图总是不会出现时钟,就只有电平而已,但是程序确定无误是设定了时钟类型的,仿真的时候也设定了,但就是仿真不了!到底是什么问题呢??… 查看全部问答> |
|
PIC单片机的应用设计技巧(转) document.write(overlap1); 美国微芯公司(Microch{p Technology Inc.)开发的CM0S工艺PIC系列8位单片机(RISC微控制器),特别是 ...… 查看全部问答> |




