历史上的今天
今天是:2024年09月06日(星期五)
2021年09月06日 | 奥汽车迪电池管理系统解析
2021-09-06 来源:eefocus
前段时间向公众号“汽车ECU开发”运营的吴飞兄弟要了奥迪E-tron的一些资料,涉及的比较细,我觉得可以整理下供大家参考。总体的感受是:
奥迪在一个电池包里面用了太多的MCU、CAN收发器了,在芯片供应充分的情况下没问题,但在芯片紧缺的时候,要凑齐15个MCU、14个SBC和16+以上的CAN收发器才能让这个电池包工作起来,困难被放大了;
奥迪在电池的使用策略方面,还是相对保守的,这也使得安全系数更高——直接告诉用户总电量95kwh,但出于安全的目的只开放83.6kwh的可用电量,其他12%被封存起来;
熔丝和继电器的配组,是将充电和放电分开,这样有利于处理不同状态下的短路,可以比较好地进行匹配;特别是在大电流充电下,熔丝规格可以选择调整搭配。
接下来展开说一下,供各位读者参考。
一、奥迪自己定义的一些内容
(1)为什么可用电池能量的比例这么低?
奥迪的几个电池系统都有这个问题,如下图所示95kWh的电池,可用能量83.6kWh,这个和我们国内的可用能量比例的差异还挺大。
备注:E-tron后续升级有一个110kWh的电池包

表1 奥迪的电池系统1AX2
实际在这份材料的定义中,是这么分配83.6kWh的——在德国的工程师来看,4%的上限和8%的下限,相当于有12%的电量是没办法使用的(对应11.4kWh的能量)。下面这张图可以看出,在8%的SOC状态下对驾驶者直接显示0%,而96%则直接对应100%。

图1 奥迪的SOC使用策略
(2)BDU的内部结构
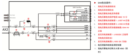
这个BDU的设计结构图如下所示,主要包含后驱、前驱、快充和辅助配电等几个主要的接口。

图2 奥迪BDU的设计
根据这里的数据,我们能看到以下信息:
预充电阻为15欧;
一共配置了5个直流接触器,一对快充接触器和一对主正主负和PCC的预充接触器;
熔丝的配置,是快充Fuse和快充基础一起进行匹配;前驱和后驱分别和MCP和MCN主正和主负进行匹配,这样可以在快充和驱动短路的时候有针对性的设计熔断时间;
考虑到充电器和其他小熔丝熔断的可能性比较高,单独做了个BJB 的Fuse Box;

图3 奥迪BDU的结构图的情况
二、电池管理系统的构成

图4 奥迪的电池管理系统总体功能构成
在这里有好几块板子:
电池管理(由Marquardt和Dräxlmaier提供):我习惯叫BMU,奥迪的叫法是BMC,放在电池包外。

根据拆解信息来看,主芯片MCU为SPC5746,电源芯片为SBC MCZ33905(含一路CAN和一路LIN),两路外CAN收发器为TJA1051。2路高边输出的芯片为ST VN5E160S。BMU里面还保留了一个TI的MSP430G223
采样管理:我习惯叫CMU,功能如下,1托3并且使用CAN总线,这个习惯一直延续到MEB的设计中。在这里的均衡策略,是需要电池在30%的SOC状态下才能允许,并且在电池压差在1%的时候开始均衡

根据拆解信息来看,AFE的芯片采用的是MC33771,单片机采用了SPC5602D,供电采用了NXP的UJA1164,和AFE的隔离采用的是变压器MU1228NL,AFE的状态检测通过管够ACPL K49L进行输出。
BJB电池高压管理(由Draxlmaier提供的):主要的目的是管理高压接触器,并且每隔30s进行绝缘检查

根据拆解信息来看,它的供电芯片为SBC MC33908(继承了CAN收发器),主芯片MCU为MPC5744P。继电器驱动采用高边开关ST VND5160 和低边开关ST ND7NV04。
做绝缘检测采用的是ADC (Microchip 的MCP3911),做高压检测采用了LM2903进行采样,内网的数据收发采用了TJA1042收发器。
小结:
在这里我们可以做个简单的加法:不算CVA的shunt,一共用了15个MCU芯片,14个SBC芯片,还有一堆CAN收发器。对分布式通信系统而言,一台电动汽车的电池包系统对于MCU的消耗,基本够一台简单的传统车的使用了。
这也能从另一个侧面反映出,在芯片短缺方面,国内的状况比国外稍微好一点的情况。从总线和硬件技术架构里面,国内外的技术路线还是有差异的。
史海拾趣
|
现在的汽车设计工程师正不断致力于设计出重量和能耗更低,同时安全性和舒适性更高的汽车。工程师们越来越排斥利用常规的能耗技术——笨重而高成本的机械解决方案来达到这样的目标。平均到每一辆车来说,每额外增加50kg的重量或100W的功率会带来0.2 ...… 查看全部问答> |
|
在马潮老师的书上看到有讲解,MEAG16的T0工作模式部分讲解为有四种模式,对应有四种计数方式,例子题目是“N分 频系统的设计”,程序如下: /********************************************* File name & ...… 查看全部问答> |
|
本帖最后由 paulhyde 于 2014-9-15 03:38 编辑 1、今年不叫Sony杯了,好象换NEC赞助了。。呵呵 2、今年会对“最小系统”给出定义或者说明,所以往年的准备思路可能要换一换了,基本上现在给出的最小系统的概念是“单片机,ADC,DAC,存储”。一定 ...… 查看全部问答> |
|
本帖最后由 paulhyde 于 2014-9-15 04:01 编辑 ARM(Advanced RISC Machines)是微处理器行业的一家知名企业,设计了大量高性能、廉价、耗能低的RISC处理器、相关技术及软 件。ARM架构是面向低预算市场设计的第一款RISC微处理器,基本是32位单片机 ...… 查看全部问答> |
|
辩论一下---8位单片机已过时,16位单片机成不了气候,32位单片机是大势所趋? 前不久在一本书上看到作者对单片机的一个评语,作者认为:8位单片机已过时,16位单片机成不了气候,32位单片机是大势所趋。 不知道大家对这个观点有什么看法? [ 本帖最后由 tiankai001 于 2010-7-8 08:30 编辑 ]… 查看全部问答> |
|
今天我公司和利时MACS V 1.1.0+SP2dcs出现奇怪的故障,现场一个精流塔磁翻板液位计与dcs显示不对,仪表工在现场液位计把dcs 过来的两根线拆除(两根线测量过有24vdc电压),可是在dcs上还有液位显示,再在模块卡件上两根线拆除,还是有液位显示,请 ...… 查看全部问答> |
|
估计有很多人和我一样,想大学上完就工作。 当然我是一个很普通的本科院校,学的自动化专业, 现在在实验室学习嵌入式这方面的东西,我看到咱们论坛很多的大侠们都是工作的。烦请您在空闲之余能够说一下,我们在学校应加强哪方面的锻炼,比如学些 ...… 查看全部问答> |




