历史上的今天
今天是:2024年09月06日(星期五)
2021年09月06日 | 奥迪电池管理系统解析
2021-09-06 来源:汽车电子瞭望台
前段时间向公众号“汽车ECU开发”运营的吴飞兄弟要了奥迪E-tron的一些资料,涉及的比较细,我觉得可以整理下供大家参考。总体的感受是:
奥迪在一个电池包里面用了太多的MCU、CAN收发器了,在芯片供应充分的情况下没问题,但在芯片紧缺的时候,要凑齐15个MCU、14个SBC和16+以上的CAN收发器才能让这个电池包工作起来,困难被放大了;
奥迪在电池的使用策略方面,还是相对保守的,这也使得安全系数更高——直接告诉用户总电量95kwh,但出于安全的目的只开放83.6kwh的可用电量,其他12%被封存起来;
熔丝和继电器的配组,是将充电和放电分开,这样有利于处理不同状态下的短路,可以比较好地进行匹配;特别是在大电流充电下,熔丝规格可以选择调整搭配。
接下来展开说一下,供各位读者参考。
一、奥迪自己定义的一些内容
(1)为什么可用电池能量的比例这么低?
奥迪的几个电池系统都有这个问题,如下图所示95kWh的电池,可用能量83.6kWh,这个和我们国内的可用能量比例的差异还挺大。
备注:E-tron后续升级有一个110kWh的电池包

表1 奥迪的电池系统1AX2
实际在这份材料的定义中,是这么分配83.6kWh的——在德国的工程师来看,4%的上限和8%的下限,相当于有12%的电量是没办法使用的(对应11.4kWh的能量)。下面这张图可以看出,在8%的SOC状态下对驾驶者直接显示0%,而96%则直接对应100%。

图1 奥迪的SOC使用策略
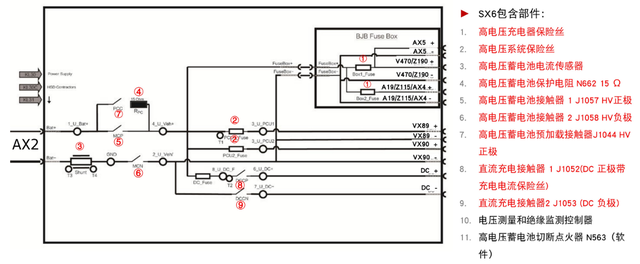
(2)BDU的内部结构
这个BDU的设计结构图如下所示,主要包含后驱、前驱、快充和辅助配电等几个主要的接口。

图2 奥迪BDU的设计
根据这里的数据,我们能看到以下信息:
预充电阻为15欧;
一共配置了5个直流接触器,一对快充接触器和一对主正主负和PCC的预充接触器;
熔丝的配置,是快充Fuse和快充基础一起进行匹配;前驱和后驱分别和MCP和MCN主正和主负进行匹配,这样可以在快充和驱动短路的时候有针对性的设计熔断时间;
考虑到充电器和其他小熔丝熔断的可能性比较高,单独做了个BJB 的Fuse Box;

图3 奥迪BDU的结构图的情况
二、电池管理系统的构成

图4 奥迪的电池管理系统总体功能构成
在这里有好几块板子:
电池管理(由Marquardt和Dräxlmaier提供):我习惯叫BMU,奥迪的叫法是BMC,放在电池包外。

根据拆解信息来看,主芯片MCU为SPC5746,电源芯片为SBC MCZ33905(含一路CAN和一路LIN),两路外CAN收发器为TJA1051。2路高边输出的芯片为ST VN5E160S。BMU里面还保留了一个TI的MSP430G223
采样管理:我习惯叫CMU,功能如下,1托3并且使用CAN总线,这个习惯一直延续到MEB的设计中。在这里的均衡策略,是需要电池在30%的SOC状态下才能允许,并且在电池压差在1%的时候开始均衡

根据拆解信息来看,AFE的芯片采用的是MC33771,单片机采用了SPC5602D,供电采用了NXP的UJA1164,和AFE的隔离采用的是变压器MU1228NL,AFE的状态检测通过管够ACPL K49L进行输出。
BJB电池高压管理(由Draxlmaier提供的):主要的目的是管理高压接触器,并且每隔30s进行绝缘检查

根据拆解信息来看,它的供电芯片为SBC MC33908(继承了CAN收发器),主芯片MCU为MPC5744P。继电器驱动采用高边开关ST VND5160 和低边开关ST ND7NV04。
做绝缘检测采用的是ADC (Microchip 的MCP3911),做高压检测采用了LM2903进行采样,内网的数据收发采用了TJA1042收发器。
小结:
在这里我们可以做个简单的加法:不算CVA的shunt,一共用了15个MCU芯片,14个SBC芯片,还有一堆CAN收发器。对分布式通信系统而言,一台电动汽车的电池包系统对于MCU的消耗,基本够一台简单的传统车的使用了。
这也能从另一个侧面反映出,在芯片短缺方面,国内的状况比国外稍微好一点的情况。从总线和硬件技术架构里面,国内外的技术路线还是有差异的。
上一篇:宇通发布最新动力电池安全技术
史海拾趣
|
4 PDM的功能 目前,各种商品化的PDM软件产品大同小异,大体具有以下主要功能(如图3所示) 。 600)this.width=600\" border=0> 4-1 电子仓库和文档管理 对于大多数企业来 ...… 查看全部问答> |
|
各位英雄: 我的平台是PXA270+WINCE5.0,核心电源芯片是LP3971SQ,外设包括USB,SDRAM,SD卡,百兆网络,音频等,有几个关于电源管理的问题想请教: 1、如果想实现软关机,就像普通PC上的开始菜单里的关机按钮,能不 ...… 查看全部问答> |
|
有调通过marvell wifi 8686 sdio接口驱动来讨论下??? 正在调sdio接口的wifi 8686驱动,sdio确认好的,读写寄存器,加载固件都没问题。有以下问题: 1. 我是直接把驱动放在bsp中编的,wince启动后自动加载wifi驱动, 并且这个wifi驱动会自行搜索热点。我的理解是wifi驱动加载固件启动完wifi芯片注册网络 ...… 查看全部问答> |
|
如何在MDK+ULINK环境下对2400的NAND FLASH 烧写?? FL2440开发板的 NAND FLASH 是挂在 NAND FLASH CONTROLLER 下面的,当做外设来用.所以直接寻址是不行的.问题来了,FL2440除了RAM就只有这块K9F1G08U0c了.那要用ulink把文件写入flash该怎 ...… 查看全部问答> |
|
SESSION_POS_S *pTestpos1, *pTestpos2, *pTestpos3, *pPos; LIST *pMyList = NULL; int NodeIndex = 0; DPRINT(\"-------- lstAdd测试 -------\\n\" ...… 查看全部问答> |
|
摘 要:本设计中运用蓝牙无线传输技术实现交通量数据采集仪与上位机通信。用无线传输替代传统的有线传输方式,提高了系统的可靠性、抗干扰性以及灵活性,增加了操作人员的安全性。文中阐述了蓝牙模块与单片机的接口硬件设计以及采集模块的软 ...… 查看全部问答> |
|
想请问你一下 那个ez430-rf2500为什么ed连上电池两个灯还是不闪。。ap的红灯在闪烁。。并且PC上温度只有一个ap温度显示。。就是说ed的没有反应。。好像是没有连接到网络。。后来又折腾了一下。。现在ap的红绿灯都在闪。。但是ed还是没反应。 ...… 查看全部问答> |




