历史上的今天
今天是:2024年09月08日(星期日)
2021年09月08日 | SIM868的参考设计接口的静电防护
2021-09-08 来源:elecfans
最近基于定位的物联网应用铺天盖地,作者也研究了下市场上普遍应用SIM868这个无线模块的应用,已经应用在共享单车上了,发现了他的强大功能之外,其参考设计的ESD控制设计比较合理,本文基于此模块的ESD控制逐一做些分解,科普下ESD在通信应用的重要性和一些方案。


首先看到这个模块的功能框图,虽然个头很小,但是功能却非常强大,所以对周边参考设计电路也比较周全。规格书也详细说明了通信接口必须考虑静电ESD放电,接下来看各接口推荐保护电路。
SIM 卡接口2个
GSM/GNSS天线接口
Audio 接口包含麦克和扬声器
SD 卡接口
USB 接口
通用串口
I2C 接口
1、SIM卡静电保护
这个模块集成2个SIM卡,所以推荐一种器件能同时保护6路信号的集成ESD器件。


ESDA6V1W6 是SOT-363 5V 同时保护5路信号的低容值ESD器件,由于信号接口集中,所以比分立器件使用更加便于布置。
2、GSM天线静电保护
对于天线的高频信号保护,可以采用0402或0201的超低电容 ESD器件PESD0542U015,可以节约布板空间,且因为0.05PF的电容,可以保证高频、高速信号的完整传输。

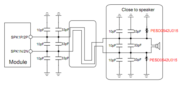
3、SPEAKER扬声器静电保护
对于扬声器的静电保护,可以采用0402或0201的超低电容 ESD器件PESD0542U015,可以节约布板空间,且因为0.05PF的电容,可以保证此模拟信号的完整传输。

4、Microphone静电保护
Microphone和扬声器的应用类似,采用PESD0542U015

5、SD卡静电保护
SD卡重点保护data数据线和CLK,要确保选择的ESD器件是低容值和小封装的产品:LC0504F SOT-563

6、USB静电保护
此模块USB经常用来配置数据,插拔容易被静电损坏,本方案可以采用分立器件或者集成器件,但要确保选择的器件结电容小于3PF。

LC05CI SOD-323 5V 单路 Cj=1pf
SR05 SOT-143 5V 多路 Cj=1pf
7、GPIO静电保护
对于普通的IO口的静电防护,因为其速率较低,采用普通的TVS器件即可满足8KV的防护需求。

总结:模块虽小,接口众多,静电威胁无处不在,但是针对各接口的特性,设计不同的静电保护方案,选择合适的ESD器件,可以花较少的成本完成功能、可靠性、EMC测试的各方面需求
史海拾趣
|
哪位能提供 一个基于LCD液晶显示的多功能密码锁 的毕业论文啊 希望能够有 原理图 和程序 C语言或者 汇编的都可以 谢谢了 急!!!!!!!!! 我的邮箱 :249857121@qq.com… 查看全部问答> |
|
移植网卡驱动 读DM9000 ID的问题 有做过的进来帮忙看看 读出的ID总不对 平台2440 DM9000 接片选4 #define BSP_BASE_REG_PA_DM9000_IOBASE 0x20000300 DNW输出如下: ...… 查看全部问答> |
|
谁移植过smdk2440 for wince 5.0啊,麻烦发给移植过程过来,不知道该如何下手啊。 pingchang3645@sina.com 不胜感激啊。… 查看全部问答> |
|
巴山工作室有非常强大软硬件技术力量,能为您或您的企业解决一些复杂技术难题, 同时也您企业减少一些不必要的人力成本. 巴山工作室有非常强大软硬件技术力量,能为您或您的企业解决一些复 ...… 查看全部问答> |
|
大家好: 小弟画了一块板子,现在PCB布线已经搞好,就差覆铜了,不规则覆铜,就是在顶层需要覆铜的地方才覆,不需覆铜的地方不覆,这样板子上覆铜的边缘就不是直线了,请问怎样实现不规则的覆铜,怎样设置,如何操作才能 ...… 查看全部问答> |
|
一个开发板的样本驱动程序 用下面的编译参数直接编译,出现以下错误 [root@localhost turner]# arm-linux-gcc -D__KERNEL__ -I/opt/FriendlyARM/SBC2410/kernel/include -Wall -Wstrict-prototypes -Wno-trigraphs -Os -mapcs -fno-strict-aliasing -fno-common -fno-common -pipe -mapcs-32 -march=armv4 -mtu ...… 查看全部问答> |
|
我想用flash存放一些有用的数据,可是flash的信息段只有256B的大小。太小了,而主信息段也不知道那一部分是放程序的,那一部分可以写数据。还是一般iar download程序都下到那一段地址。请高人指点????… 查看全部问答> |
|
大家好,请问各位两个问题 我用18f97j60的网络,采用TCP/IP协议栈的v4.51版本 1.在GenericTCPServe这个demo的基础上修改,因为接收不是中断的,所以每次检测到接收FIFO的大小大于我定义的包头大小时,开始解析包头,然后 根据包头定义的数据长度 ...… 查看全部问答> |




