历史上的今天
今天是:2024年09月09日(星期一)
2021年09月09日 | ZDS2022示波器百集实操视频之53:相位测量
2021-09-09 来源:eefocus
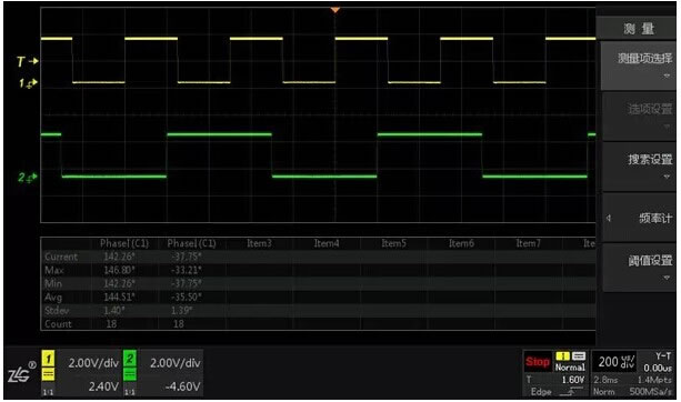
大家好,之前我们共同分享了如何测量两通道波形间的延迟时间,今天我们来看下如何用ZDS2022示波器来测量两通道波形间的相位差?
按下【Measure】键,打开测量项选择菜单,转动旋钮B选中时间范畴内的相位参数项,相位测量分为上升沿到上升沿的相位差、下降沿到下降沿的相位差,可通过长按旋钮B查看参数项的解释信息,其中有文字描述、公式显示和图解说明,图文并茂,简单易懂!返回到主界面,由于全硬件测量机制,测量结果即刻显示。

图1 相位测量的帮助信息

图2 相位测量结果
当您需要测量信号间的相位差时,ZDS2022示波器中的相位差自动测量,以度为单位显示测量结果,是个不错的选择!
史海拾趣
|
当电子工程师也是十余年了,不算有出息,环顾四周,也没有看见几个有出息的!回顾工程师生涯,感慨万千,愿意讲几句掏心窝子的话,也算给咱们师弟师妹们提个醒,希望他们比咱们强! [1]职业规划很重要,好好规划自己的路,不要跟着感觉走!根据 ...… 查看全部问答> |
|
<汇编器提示> COPYRIGHT MANLEY ELECTRONICS CO., LTD. 2001-2006 <汇编器提示> ASSEMBLY COMPLETE. 0 WARNING(S), 1 ERROR(S) ERROR #14 IN 560 (VCJPDH.ASM, LINE 560): TAR ...… 查看全部问答> |
|
我们的设备上采用的是2G的NAND FLASH外加一个SD卡,三星提供的BSP和相关文档上说设备作为MASS STORAGE时,同时只能将其中一个作为MASS STORAGE连接到PC上,我们想连接PC的时候同时显示这两个存储空间,目前的候选方案是在应用程序上进行一些设置, ...… 查看全部问答> |
|
是有意从事各种嵌入式软硬件开发,方案、产品设计的创业学生、个人或团队有好消息了,本公司现在面向以上人士提供《创新工作室》的合作。 本公司是致力于采用国产嵌入式SOC芯片开发的高科技公司,主营SOC芯片开发销售。 ...… 查看全部问答> |
|
我司(安徽某科技股份公司)欲招聘以下人员:一、产品经理岗位职责: 1、针对客户需求制定解决方案并进行推广;2、配合销售人员拓展相关市场,与客户进行沟通交流;3、分析研究集成电路的发展趋势和技术进展,为公司战略决策提供建议;4、参 ...… 查看全部问答> |




