历史上的今天
今天是:2024年09月15日(星期日)
2021年09月15日 | TI推出梯形和FOC两种控制方式的无刷直流电机驱动系列
2021-09-15 来源:EEWORLD
你被家里的许多电器所引起的噪音分心了吗?TI最新推出的无刷直流电机驱动器,采用梯形和磁场定向控制,可使电器噪音减少3.3 dBA。
无刷直流电机(BLDC)取代交流感应电机,在通用电器中的应用越来越普遍,包括风扇、空气净化器、洗衣机和烘干机泵以及医用CPAP鼓风机。
然而,无刷直流电机的调制也会产生噪声,尤其是开放式概念越来越在办公室和家庭环境中流行。
为了解决这些噪声相关问题,德州仪器(TI)日前宣布推出两款新的70 W无传感器无刷直流电机驱动器,MCT8316A和MCF8316A。这些驱动器具有高度集成和无代码等特点,分别使用先进的梯形控制和磁场定向控制(FOC)。

电器常见噪声级的几个示例。
这些新芯片的目标包括三个方面:减少日常应用中的声音噪声源,将解决方案尺寸缩小70%,减少BLDC调谐的总体设计时间(可能减少到10分钟)。
让我们看看TI的最新产品是如何实现这三个目标的。
MCx8316A芯片概述
MCT8316A和MCF8316A支持包括4.5 V至35 V的工作范围,峰值输出高达8A。这些芯片设计用于需要12 V至24 V无刷直流电机或永磁同步电机的速度控制。

MCX836A芯片概述。
MCX836A系列驱动器的一个重要特点是降低了噪声。具体而言,MCT8316A支持120°和150°调制,通过梯形控制方案改善声学性能。
MCF8316A采用FOC方案,利用自动死区时间补偿来减少馈送至电机的谐波含量,从而降低可听范围内的噪声。
一个系列,两个芯片,两种控制方案,因此可以灵活实现两种流行的控制
无刷直流电机中的梯形控制与FOC控制方式介绍
无刷直流电机一般有两种类型,包括霍尔效应传感器驱动结构和无传感器结构。虽然更复杂,但无传感器架构是更优选的选择。对于无传感器操作,出现了两种控制方案。

梯形控制方案的时序图。
梯形控制的工作原理是,在任何给定时间都有两个相位。因此,如上所示,在任何相位的过零期间都不会产生扭矩。
该方案会导致在每60°零相位交叉处产生纹波,从而产生谐波。在120°模式下,BLDC驱动器将在每个循环的剩余60°使用高Z状态。
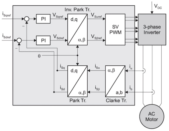
而FOC在反馈控制的转换中的复杂性更高。
三相逆变器的输出产生正弦信号,该信号通过克拉克变换和派克变换进行采样和馈送。

现场定向控制FOC的基本框图。
这两种变换均为通过将定子电流矢量从三相时变系统转换为两坐标时不变系统实现直接转矩控制。
MCX836A芯片如何降低噪声
用于控制无刷直流电机的两种控制方案各有优缺点。每种方法都会产生谐波,从而产生噪声。

两种无传感器无刷直流控制方案的优缺点对比。
调制和死区时间补偿对于降低电机运动噪声至关重要。MCF8316A使用谐振控制器补偿高压侧和低压侧开关MOSFET之间的死区时间,以将谐波含量降至零。

在MCF8316A内部启用死区时间补偿可消除可听谐波(左),从而产生更纯净的正弦信号(右)。
对正弦输出和随后的快速傅里叶变换(FFT)的影响如上所示。
类似地,梯形控制方案(如MCT8316A)的FFT响应通过利用芯片的可变换向方案在120°和150°之间通过“开窗”电机相位处于高Z模式的时间量进行动态切换而得到改善。
总而言之,这种降噪解决方案似乎在许多应用中都很有前景,尤其是在消费品方面。
写在最后
虽然很多员工已经有一段时间没有在办公室办公了,但我们很容易回忆起环境噪音是如何分散注意力的。也许,即使在家工作,冰箱的噪音同样会干扰你的工作。
梯形和FOC方法的控制方案的进步致力于清除驱动无刷直流电机的信号的波动,从而产生更安静的运行环境。
MCX836A系列提供的高级集成将解决方案减少到10个组件,面积仅为2 cm²,而采用分立方案,将使用28个组件,面积为7 cm²。
史海拾趣
|
建立一个可以下载的工程,然后添加如下代码,就是自带的例子,关于例子程序有几点疑问, 有高手帮忙讲解下,谢谢了 1.程序入口在哪里?从progStart开始执行,在其中的return(OK)返回了,接下来执行什么?其他几个任务的代码怎么执行? 还是在&nb ...… 查看全部问答> |
|
问题描述: 在“private void btnDiagnosticClicked(object sender, EventArgs e)”方法中 执行“RecData = MainMenu.socketHH.GetRecData();”“RecData”一直接收为空。 而在“private void ReceiveCallback(IAsyncResult ar)”方法中 “recB ...… 查看全部问答> |
|
arm linux驱动编写中,中断服务程序中可以进行ioremap吗? 发现只要在中断服务程序中执行到ioremap函数就会报错 nable to handle kernel NULL pointer dereference at virtual address 00000000 pgd = c355c000 [00000000] *pgd=338e5031, *pte=00000000, *ppte=00000000 Internal error: Oops: 817 [#1 ...… 查看全部问答> |
|
做UC/os移植,做时钟节拍,在中断中,只有执行OSIntExit功能,系统就无论如何也进不了TIME1的时间中断了,但软中断可以执行。弄到头痛了都不知什么原因,郁闷中…… void T1TIMI_IRQHandler(void) { TIM_FlagClear ( TIM1 , ...… 查看全部问答> |
|
我们在利用F449进行设计一个电流表,在对固定电阻取电压时考虑以下几个问题: 1.F449的供电电压是9v(我是说那个变压器),那么对于单片机进行AD转换时的驱动电压是多少?也就是我所能得到的电压的范围是多少?? 2.F449在进行AD转换过程中,所 ...… 查看全部问答> |




